ESpec - мир электроники для профессионалов


Тускло светит дисплей ресивера SONY STR-K670P

  Список форумов » Музыкальные центры и усилители

Следующая тема · Предыдущая тема
АвторСообщение
TYPOS 
Заглянувший
Сообщения: 1
 
Сообщение #1 От 14/03/2020 12:19 цитата  

Здравствуйте!
Четыре года простоял на полке, до этого все было нормально...
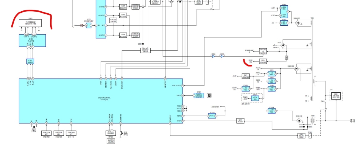
По схеме FL101, номер детали 1-518-966-11 "VOCUUM FLUORESENT DISPLAYS".
По нашему- вакуумный флюоресцентный дисплей.
В инете накопал что это вроде hna-12sm63t. Больше не производится.
Мог он не работая "сесть"?
Подскажите, куда копать?

PS.
Сервис мануал https://drive.google.com/file/d/10VP9awlrh9-RmlYGXB6IZ_cNH6WBMAy3/view?usp=sharing

02 1588х1200.jpg
 Описание:
 Размер файла:  230.41 КБ
 Просмотрено:  311 раз(а)

02 1588х1200.jpg


  01 1200х497.jpg  127.41 КБ  Скачано: 233 раз(а)
skolin 
Передовик
Сообщения: 1212
 
Сообщение #2 От 14/03/2020 14:30 цитата  

Первым делом проверить напруги, наверняка не хватает. Даже работая сядет не скоро.

Перейти: 
Следующая тема · Предыдущая тема
Показать/скрыть Ваши права в разделе

Интересное от ESpec


Другие темы раздела Музыкальные центры и усилители



Rambler's Top100 Рейтинг@Mail.ru liveinternet.ru