ESpec - мир электроники для профессионалов


Решено Panasonic SA-VK850 не включается

  Список форумов » Музыкальные центры и усилители

Следующая тема · Предыдущая тема
АвторСообщение
Сибиряк 
Завсегдатай
Сообщения: 410
Сибиряк
 
Сообщение #1 От 15/12/2016 14:39 цитата  

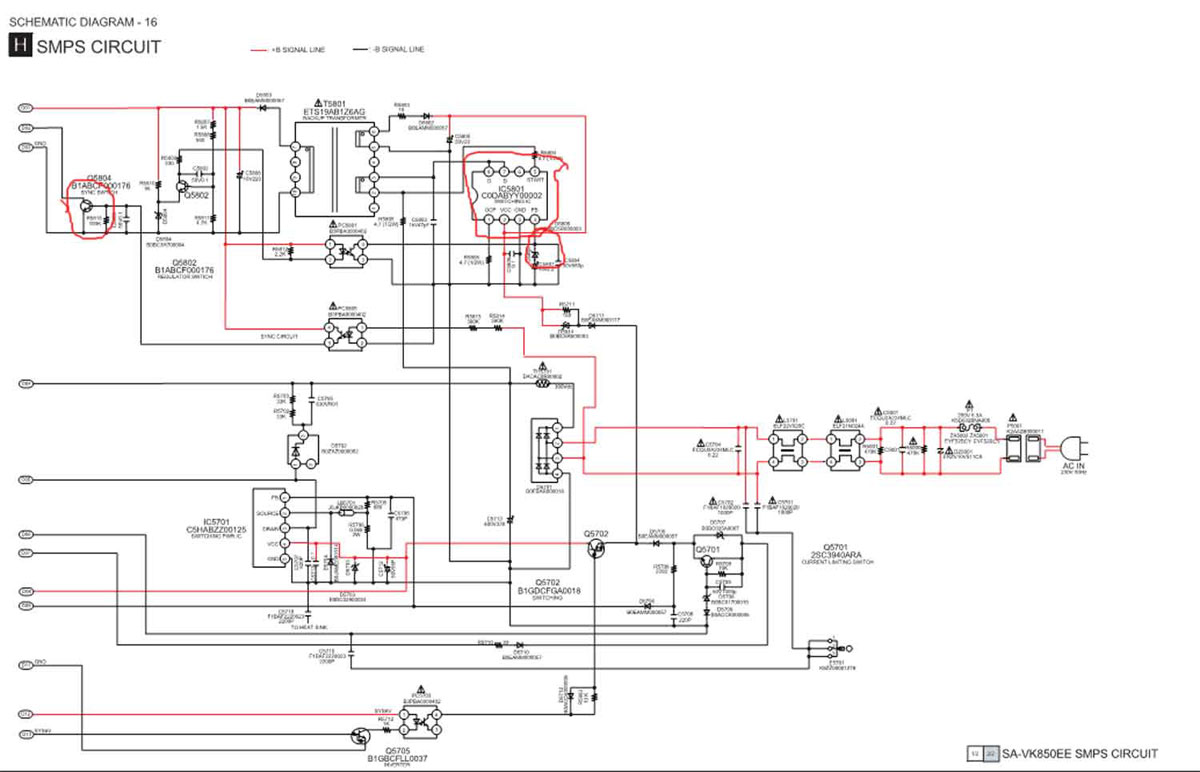
В питателе - дежурка - сгоревшая STR-A6159 , стабилитрон D5805 5,6V /BOBC5R600003/и транзистор Q5804 /B1ABCF000176/ Даташит на транзистор не нашёл и заменил на транзистор с такой-же проводимостью.Так-же сгоревшим был предохранитель /резистор/ FR5901. Сгоревшие детали на схеме обведены. В результате 6V появилось На схеме после диода D5803 почему-то написано 16V, а на разъём CN5902 приходит уже как SYS6V.В собранном состоянии 6V не просаживается - доходит на основной плате до эм. Q2913. На коллекторе ноль. Схему основной платы ещё конкретно не изучил, но полагаю, что на базу этого транзистора должен поступать сигнал на включение с проца. В результате светодиод дежурки на лицевой панели не горит со всеми вытекающими. Копать основную плату, или что-то упустил в питателе?

  001.jpg  145.38 КБ  Скачано: 1283 раз(а)
  002.jpg  95.46 КБ  Скачано: 1011 раз(а)
Сибиряк 
Завсегдатай
Сообщения: 410
Сибиряк
 
Сообщение #2 От 16/12/2016 17:09 цитата  

Поменял оптопару РС5805.Был слишком маленьким сигнал синхронизации SYNC с коллектора Q5804. Стояла PC123, поставил PC817. Не уверен, что оптопара была неисправна. Слабенький сигнал с неё всё-же был. Возможно просто наобум поставленный транзистор Q5804 не выдавал нужный сигнал. Поёт два часа. Вообще интересный девайс. С отключенной кассетной декой, DVD работает. Пробовал на радио. А вот с отключенным вентилятором выдаёт ошибку F61!

Перейти: 
Следующая тема · Предыдущая тема
Показать/скрыть Ваши права в разделе

Интересное от ESpec


Другие темы раздела Музыкальные центры и усилители



Rambler's Top100 Рейтинг@Mail.ru liveinternet.ru