| Автор | Сообщение |
Dill Kroko
Завсегдатай
Сообщения: 718
|
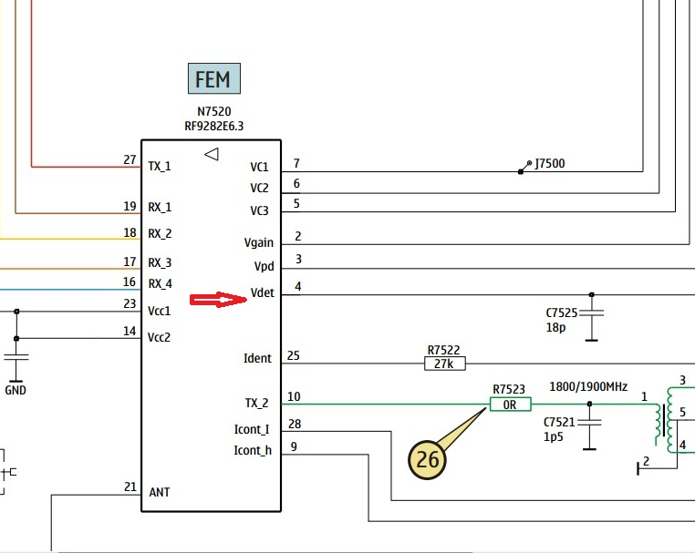
Телефон не запускался, поменял RETU. Не ловит сеть, поменял УМ. Теперь антенна полная, но при связи на другом телефоне кроме искаженного голоса слышно какое-то жужжание. Еще раз осмотрел плату, заметил отсутствие С7525 на УМ.
Что такое Vdet и может ли влиять этот кондер на помехи? Диктофон работает нормально.
Безымянный.png 165.17 КБ Скачано: 306 раз(а)
|
|
n max
Модератор
Сообщения: 17441
|
| Детектор вых мощности передатчика,на помехи больше влияет связь с антеной и качество микрофона при хреновом микрофоне приходится увеличивать усиление что и приводит к ловле помех.И экраны надо на место поставить |
|
Dill Kroko
Завсегдатай
Сообщения: 718
|
| 'экраны всегда ставлю. Микрофон пробовал ставить. Все решилось заменой УМ на другую. Не хнаю в чем дело, на досуге разберусь, но как только сменил, помех не стало. Не помню какая раньше стояла, может 495,,,,,,, 6,3, я поставил 495,,,,,, 6,5 |
|
Dill Kroko
Завсегдатай
Сообщения: 718
|
извините, что поднимаю старую тему, Замена УМ дала результат только на 2-3 звонка. Потом опять такая же шняга. Поставил другой УМ и к нему беленький трансформатор (на схеме как Z7....) обозначен. Полет нормальный, все до сих пор пашет.
Вдруг кому понадобится, потому и отписался. |
|

|