| Автор | Сообщение |
СЕРГЕЙ-МАСТЕР
Завсегдатай
Сообщения: 402
|
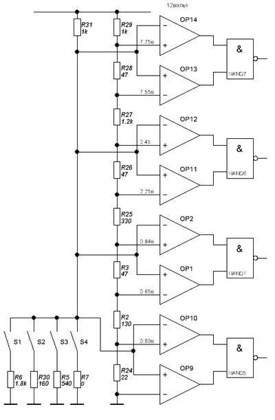
Делаю одну "нетленку", понадобился галетник на 4 положения. Маленького не нашёл, большой на переднюю панель не влезает, только под переменник место осталось. Вот и состряпал на LM339 . Не претендую на "шедевр", наверняка, кто-то что-то похожее делал.
 |
|
goga_tv
Фанат форума
Сообщения: 4857
|
СЕРГЕЙ-МАСТЕР, я вот извращался , делая нечто подобное на подъемник стекол в автомобиле...
qq.JPG 35.58 КБ Скачано: 1708 раз(а)
|
|
|
Анатолий66
|
|
goga_tv
Фанат форума
Сообщения: 4857
|
|
Немцов
Завсегдатай
Сообщения: 401
|
| СЕРГЕЙ-МАСТЕР писал: | | Делаю одну "нетленку", понадобился галетник на 4 положения. | Последний транзистор все время открыт? |
|
СЕРГЕЙ-МАСТЕР
Завсегдатай
Сообщения: 402
|
| Немцов писал: | | СЕРГЕЙ-МАСТЕР писал: | | Делаю одну "нетленку", понадобился галетник на 4 положения. | Последний транзистор все время открыт? | Нет. Почему такие предположения? |
|
|
ut1wpr
|
| СЕРГЕЙ-МАСТЕР писал: | Делаю одну "нетленку", понадобился галетник на 4 положения. Маленького не нашёл, большой на переднюю панель не влезает, только под переменник место осталось. Вот и состряпал на LM339 . Не претендую на "шедевр", наверняка, кто-то что-то похожее делал.
 |
Один потенциометр.
Один МК ATTINY13.
Четыре выходных ключа с обвязками.
Один вечер моей работы над программой.
Контроллер прошьете сами.
Устроит? |
|
NE51S
Завсегдатай
Сообщения: 810
|
ut1wpr, Давай, посмотрим  |
|
СЕРГЕЙ-МАСТЕР
Завсегдатай
Сообщения: 402
|
| ut1wpr писал: | | СЕРГЕЙ-МАСТЕР писал: | Делаю одну "нетленку", понадобился галетник на 4 положения. Маленького не нашёл, большой на переднюю панель не влезает, только под переменник место осталось. Вот и состряпал на LM339 . Не претендую на "шедевр", наверняка, кто-то что-то похожее делал.
 |
Один потенциометр.
Один МК ATTINY13.
Четыре выходных ключа с обвязками.
Один вечер моей работы над программой.
Контроллер прошьете сами.
Устроит? | Меня - нет, не устроит, потому как уже всё собрано.  |
|
-20 dB
Фанат форума
Сообщения: 7674
|
ut1wpr, СЕРГЕЮ-МАСТЕРУ уже без надобности, а кому-то может и пригодиться, так что выкладывай.
Я, вообще-то, в таких случаях предпочитаю механическое решение - тупо переделку переменного резистора под переключатель заменой "подковки" (из отечественных СП прекрасно переделываются). Единственная схема, где я изобретал когда-то АДП-переключатель, подобный девайсу СЕРГЕЙ-МАСТЕР - блок фиксированных настроек для замены ПТК в "Электронике ВЛ-100", "Электронике Ф1-01" (позже им же заменялись кнопочно-настроечные органы в китайских "карманных" телевизорах с переключением диапазонов переключателем и плавной настройкой на канал единственной ручкой настройки. Но там вынуждали габариты - СК-М-24 и СК-Д-24 (впоследствии - СКВ-401 вместо обоих) в ту же "ВЛ-100" впихнуть на место ПТК можно было, а вот СВП (и даже тупо стандартный блок переменных резисторов с переключателями поддиапазонов) туда ну никак не влезал, а посему устройство представляло собой подобие СВП на тиристорах (восьмифазный триггер на КУ103), блок настроек каналов на 8 резисторах СП5-1ВА (50 оборотов)... А вот переключение поддиапазонов осуществлялось примерно так, как показано у СЕРГЕЙ-МАСТЕР - 50 оборотов для настройки 8 каналов это шибко дохрена (да в моих палестинах тогда всего 4 программы было), и весь диапазон изменения сопротивления был разбит на 3 поддиапазона с автоматическим переключением по ходу регулирования (МВ1, МВ2, ДМВ). Если бы надо было ПРОСТО переключать поддиапазоны - тоже тупо переделал бы переменники под переключатели, но применение подобной схемы было продиктовано необходимостью не только переключать поддиапазоны, но и на каждом поддиапазоне РЕГУЛИРОВАТЬ напряжение на аналоговом выходе от 0 до 30 В (настройка в пределах поддиапазона). При этом переход с поддиапазона на поддиапазон осуществлялся автоматически по уровню напряжения с переменного резистора - срабатывал очередной компаратор, который не только включал соответствующий диапазон, но и переключал цепи коррекции и смещения нормирующего ОУ, который в свою очередь преобразовывал изменение следующего "отрезка" изменения напряжения с переменного резистора в выходной диапазон 0...30 В, т.е при изменении сопротивления резистора от 0 до максимума, напряжение на аналоговом выходе имело вид "пилы" из 3-х "зубьев" разной ширины (разница в ширине была связана с необходимостью обеспечения повышенной "остроты" настройки на МВ-2 относительно МВ-1, и на ДМВ относительно обоих предыдущих) с диапазоном каждого 0...30 В, при одновременном переключении трёх дискретных выходов, "обозначающих" номер "зуба". В результате вся конструкция (блок из 8 СП5-1ВА с "триггером" из 8 КУ103, и платка АДП в размер этого блока, закреплённая над ним) прекрасно умещалась в "подкинескопном" пространстве ВЛ-100 на месте удалённого шильдика с маркой телевизора. К сожалению, схема сейчас утеряна (попросту выкинута по причине исчезновения актуальности с фактическим исчезновением подобных "пациентов"), но восстановить по памяти (пожалуй, кроме геморройного расчёта резисторов смещения и ОС переключаемых цепочек нормирующего усилителя) не проблема и сейчас, если оно кому-то ещё надо.
Хотя, если кому-то оно ещё таки надо - как раз с МК оно сейчас было бы намного разумнее, только для этого ut1wpr ещё вечер просидеть придётся, чтобы аналоговый (или с изменяемой скважностью) выход прикрутить (не обязательно 0...30 В - это можно сделать впоследствии внешним усилителем, достаточно будет 0...4 В на каждый поддиапазон). В то время, когда были живы ВЛ-100 и я лепил свой блок настроек, из МК разве что КР1816ВЕхх (СССР) доступны были, да и сейчас программирование МК для меня - тёмный лес.
 |
|
Немцов
Завсегдатай
Сообщения: 401
|
Разобрался в работе. Все верно.
___
ut1wpr, не пропадай. Такие, как ты, на вес золота. |
|

|