| Автор | Сообщение |
|
RedOx
|
Проблема такова. КА переходит в положение для сушки и останавливается. Вкючается ТЭН и вентилятор сушки, барабан крутит - в общем, сушка идет в штатном режиме. Через 5-10 минут сушки, независимо от положения таймера сушки, сушка прерывается, КА проворачивается на одно деление, в положение "стоп".
В каких случаях таймер сушки может разрывать контакты, если время еще не закончилось? Может, термопредохранитель какой есть? |
|
|
RedOx
|
У меня самого такая версия - срабатывает термопредохранитель (который на 115 градусов) и размыкается цепь ТЭНа (контакты b-b1 по схеме)... означает ли это что они размыкаются в связке с контактами a-a1? Если так, то КА перейдет в положение стоп и сушка прекратится. Может ли такое происходить из-за неисправного клапана подачи воды при сушке (EV/A)?
Проверить на практике смогу только завтра, пока в теории бы понять, что происходит  |
|
|
regiss
|
| RedOx писал: | | срабатывает термопредохранитель (который на 115 градусов) и размыкается цепь ТЭНа (контакты b-b1 по схеме)... означает ли это что они размыкаются в связке с контактами a-a1? |
Такую машину я в последний раз щупал не менее 6-7 лет назад, но насколько помню, все термодатчики сушки находяться в воздуховоде рядом с ТЭНами. В самом таймере сушки имеються только одна или две пары контактов, которые включаються в положение подачи питания на комплекс сушки (ТЭНы, клапан, вентилятор, моторчик таймера сушки) когда заданно время сушки, и переключаються в исходное положение, когда таймер стоновиться в положение 0.
Т.е. таймер являеться простым механичесским устройсвом, тупо комутирующим данные контакты, в зависимости от заданного времени. Соотвественно, никакой "синхронизации" с датчиками, находящимися в воздуховоде и РЕАГИРУЮЩИМИ на температуру, и речи быть не может.
| RedOx писал: | | Может ли такое происходить из-за неисправного клапана подачи воды при сушке (EV/A)? |
Встречный вопрос, что бы ты понял абсурдость заданного вопроса:
-Какой элемент в данной машине и каким боком заметит, что данный клапан не исправен ?
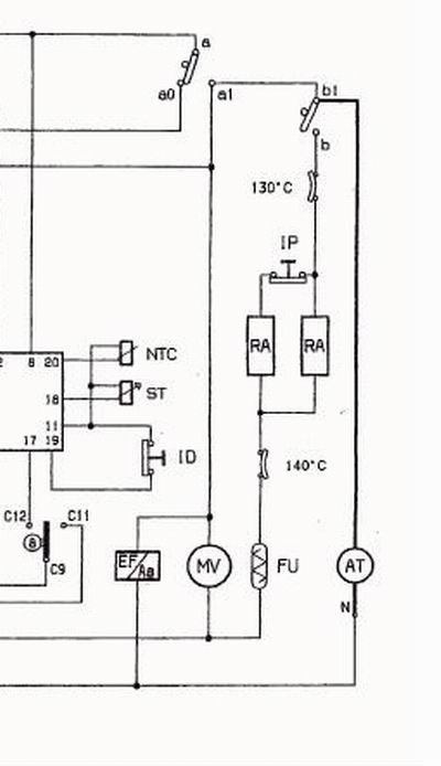
Вот схема комплекса сушки прородителя данной машинки. Как известно, данные машинки собирались на заводах PHILCO.

untitled1.jpg 25.53 КБ Скачано: 406 раз(а)
|
|
|
RedOx
|
Доберусь завтра до машинки, возьму в руки тестер и буду разбираться. Схемка этой машинки у меня есть. Вопрос в том, что заставляет таймер сушки до истечения времени переключать контакты?
Кстати, может кто подскажет номерок таймера сушки для этой модели? Потому как если дело в нем, придется искать, где купить... |
|
Мелиор
Старший модератор
Сообщения: 35490
|
| RedOx писал: | | Доберусь завтра до машинки, возьму в руки тестер и буду разбираться. Схемка этой машинки у меня есть. Вопрос в том, что заставляет таймер сушки до истечения времени переключать контакты? |
А до тебя ее никто не ковырял? Провода не могли попутать? (правда я не представляю каким образом, но все же)
| RedOx писал: | | Кстати, может кто подскажет номерок таймера сушки для этой модели? Потому как если дело в нем, придется искать, где купить... | C00050597 |
|
TDA72
Завсегдатай
Сообщения: 601
|
| RedOx, на стирке барабан крутит в обе стороны ? Я бы смотрел в сторону эл. модуля. |
|
|
edyapd
|
В отличии от "уважаемого" regiss, в глаза никогда не видел этого аппарата. Но позволю себе немного порасуждать.
Таймер КА должен останавливаться на время работы сушки. И снова запускаться когда контакты таймера сушки замкнутся и подадут на него питание. Получается, что либо у вас замкнуты контакты на таймере сушки, либо питание на таймер КА приходит с другого места. |
|
|
RedOx
|
На стирке барабан крутит в обе стороны. Была до этого проблема - сливала воду в процессе стирки, одновременно открывая клапан на залив... Снял модуль, оказалось, надломан один из контактов на ротор двигателя - перепаял - глюк исчез, стала стирать нормально. Но с сушкой вот такой косяк остался. До этого как работала не знаю брал уже б/у, уверяли, что все работает.
| edyapd писал: | | Таймер КА должен останавливаться на время работы сушки. И снова запускаться когда контакты таймера сушки замкнутся и подадут на него питание. Получается, что либо у вас замкнуты контакты на таймере сушки, либо питание на таймер КА приходит с другого места. |
Да, что-то подает напругу на двигатель КА, осталось понять - это делает таймер сушки или модуль управления... Завтра прозвоню цепи, постараюсь выяснить.
ДОБАВЛЕНО 10/11/2012 22:15
[quote="Мелиор"]| RedOx писал: | А до тебя ее никто не ковырял? Провода не могли попутать? (правда я не представляю каким образом, но все же)
|
Могли конечно ковырять, буду проверять что и куда... Пока тоже не понимаю как что можно попутать. И спасибо за номерок ))
as1047ctxex_14462.pdf 555.06 КБ Скачано: 1016 раз(а)
|
|
Мелиор
Старший модератор
Сообщения: 35490
|
| RedOx, если у тебя мануал есть, чего номерок спрашивал? |
|
|
RedOx
|
Мануал я нашел только что в просторах нета, поэтому и номерка не было. Потому и спасибо, без сарказма
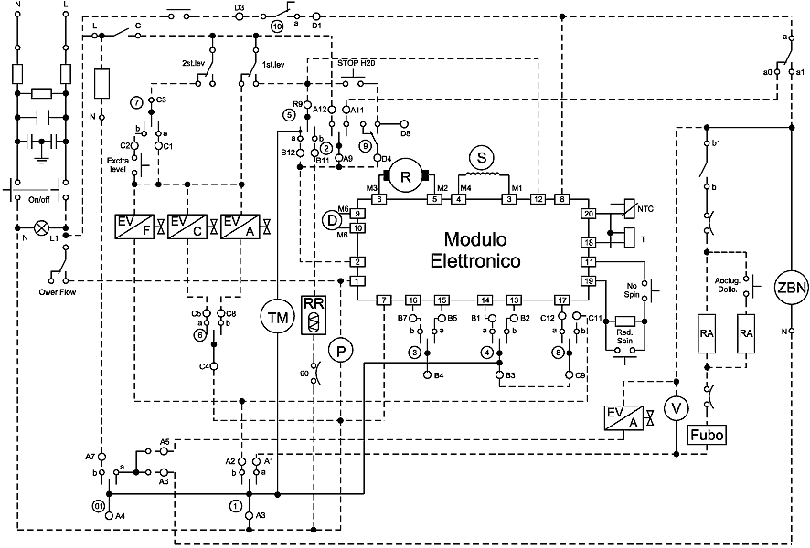
Вот еще схемку более качественную нарыл, правда пока от этого мало толку...
Схема итал.gif 26.88 КБ Скачано: 527 раз(а)
|
|
master.m
Терминатор
Сообщения: 1330
|
| Есть две такие сма в разборе!Профиль заполни! |
|
|
RedOx
|
master.m, есть возможность в Минск переправить запчасти?
Снял и проверил таймер сушки - на самом деле простое механическое устройство, и работает как часики, без проблем.
Собрал на место, полез заново в модуль управления. Заметил, что провода от модуля, питающие ротор двигателя, обмотаны изолентой. Размотал, а там две скрутки, уже немного окисленные, одна немного надорванная. Обрезал, зачистил, перепаял. Включил машину, два цикла стирки прошла без сбоев. На третьей сушке глюканула - пару раз сушку отключила. Теперь опять работает и не сбоит. Все-таки надо бы еще разок все контакты на ротор пересмотреть, да на модуле пайку перепроверить.
Вобщем, вроде как дело в питании двигателя оказалось, мозг поэтому начинал воду сливать и стирку останавливать. Может такое быть? |
|
|
RedOx
|
Купил новый модуль, Remco 5151.D
Возник вопрос, на новом модуле контакты ротора и статора расположены наоборот - 3,4 статор, 5,6 ротор. А в старом были 3 и 4 ротор... И фаза с нейтралью тоже местами поменялись. Как быть?
Посмотрел по дорожкам, разводка такая же, как на старом модуле, подписаны только контакты по-другому. Поставил на место старого модуля. Обломал ушко с надписью "А", чтобы обороты были 900-1000, а не 800. На проверку времени было минут 15, поэтому толком весь цикл не проверил, но отдельные режимы работали без сбоев. Смутило только то, что отжим врубился на 1000 оборотов и крутил минут 5, устал ждать пока закончит - остановил машину и стал другие режимы проверять... |
|
TDA72
Завсегдатай
Сообщения: 601
|
| RedOx писал: | Купил новый модуль, Remco 5151.D
Возник вопрос, на новом модуле контакты ротора и статора расположены наоборот - 3,4 статор, 5,6 ротор. А в старом были 3 и 4 ротор... И фаза с нейтралью тоже местами поменялись. Как быть?
|
Отмечать тему решено. |
|
|
RedOx
|
Насчет сути темы - в итоге все-таки починил старый модуль (PROCOND ELETTRONICA Cod. 116190209, дата выпуска 07/97). Проблема оказалась в непропае ног реле двигателя. Пропаял все 8 точек. До этого соответственно был пропаян один из контактов ротора на плате и соединены пайкой провода питания двигателя в местах, где до этого были соединены кем-то вскрутку. Все глюки пропали. Перестала сливать и заливать воду одновременно, перестала отключаться в режиме сушки...
А теперь пару слов о REMCO 5151.D При его установке возникло сразу несколько проблем. Во-первых, температура стирки реально сдвинулась - при установке переключателя на 30 градусов начала греть воду сильнее, по ощущениям при сливе более 60 градусов. Перестала переключать КА между режимами, в частности после отжима останавливалась и стояла, не крутила барабан и продолжала сушку, начавшуюся в конце отжима. Не было переключения между 3 и 4 режимом... Это то, что успел заметить. Поэтому либо модуль не подходит, либо еще в чем проблема, понять не могу... |
|
mas-ter
Фанат форума
Сообщения: 3987
|
| RedOx, Если ручки селекторов снимал, то мог не так одеть - они разные. Лет 10-ть назад с этим столкнулся, запомнил.... люди их сняли, помыли, а поставили не так, и селектор таймера не так стал программы выполнять. |
|
|
RedOx
|
mas-ter, да, на ручки я уже внимание обратил - можно местами поменять ручку КА и ручку выбора температуры, тогда все будет на 180 градусов смещено. Но с этим проблем нет - все стоит правильно. Дело не в ручках. Дело в модуле, видимо.
ДОБАВЛЕНО 30/11/2012 18:09
Кстати, если кому нужен 5151.D - продам за ненадобностью, т.к. старый починил ))) |
|

|