| Автор | Сообщение |
|
andrey1212
|
добрый час форумчане!машинка набирает воду и всё,стоит не крутит,при этом ничего не мигает,при режиме отжима,сливает воду,барабан делает два оборота и опять тишина,двигатель проверял,подключал напрямую,думаю дело в модуле,модуль e122808 ewm1000plus,проверил литы в полном порядке,так как схемы нет,не нашёл, может подскажите что отвечает за двигатель...
ДОБАВЛЕНО 25/05/2020 13:58
и ещё,не по теме,как тут найти свою тему? |
|
yura14
Фанат форума
Сообщения: 3035
|
| andrey1212, сливай прошивку с ПЗУ, и сюда ! |
|
|
Glow
|
...задал ты ему задачку...  |
|
xarl
Модератор
Сообщения: 21874
|
|
шайтан
Виртуоз болгарки
Сообщения: 5915
|
|
|
andrey1212
|
|
|
andrey1212
|
|
yura14
Фанат форума
Сообщения: 3035
|
andrey1212, в прошивке Е - 52.  |
|
Антонов007
Передовик
Сообщения: 1884
|
[quote="andrey1212"]шайтан, что не так то?[/quote
Сылку дали ..шрифт должен быть по цвету
ДОБАВЛЕНО 26/05/2020 13:56
е52 - видав на реле ножки шатаются  |
|
|
andrey1212
|
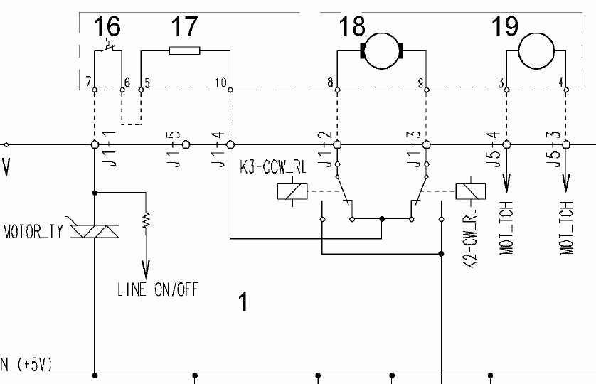
| не подскажите какое из трёх реле менять? |
|
|
Glow
|
Выбирай:
E_Lux.jpg 55.96 КБ Скачано: 288 раз(а)
|
|
|
andrey1212
|
| да,спасибо!благо реле такие есть....завтра отпишусь что получилось... |
|
Антонов007
Передовик
Сообщения: 1884
|
| реверс есть ?..., если точнее Е52 Неисправность тахогенератора , словом всё что связано с мотором |
|
|
andrey1212
|
|
Антонов007
Передовик
Сообщения: 1884
|
| скорее не успевает реверснуть уходит в ошибку |
|
yura14
Фанат форума
Сообщения: 3035
|
| andrey1212 писал: | | да,спасибо!благо реле такие есть....завтра отпишусь что получилось... | Дык наперёд известно - ничего не изменится.  |
|
Антонов007
Передовик
Сообщения: 1884
|
если идти к цели фанатично 24 часа в сутки ....изменится  |
|
тю
Фанат форума
Сообщения: 6076
|
сдалса ЭТОТ клиент ВАМ ?!
берете отгулы и туда....  |
|
Антонов007
Передовик
Сообщения: 1884
|
А что так мОжно ..?  |
|
yura14
Фанат форума
Сообщения: 3035
|
| andrey1212 писал: | | ....завтра отпишусь что получилось... | Кхе - кхе ... andrey1212, когда уже стирать будем ?  |
|