| Автор | Сообщение |
Рифат
Обыкновенный человек
Сообщения: 17778
|
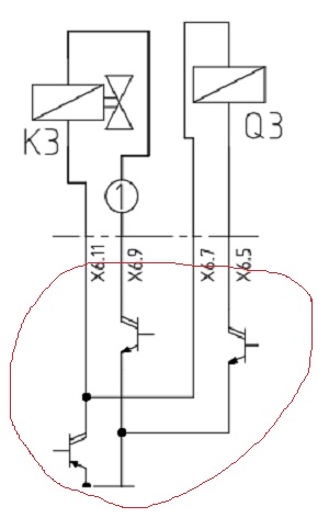
Всем добрый день. Нужнна фотография в хорошем качестве модуля либо ыото участка модуля цепи управления эл. Клапаном с обменника, возле реле,два транзистора . У клиента мыши наделали делов.Он заказал модуль с авито, при подключении выдает ошибку, кранчик мигает. Подозрительно выглядят транзисторы, стоящие в управлении клараном. Один читается L kw..., второй вообще нечитаем.
Фото с телефона прикрепить не получается. Заранее спасибо. |
|
|
regiss
|
| Рифат писал: | Один читается L kw..., второй вообще нечитаем.
|
LKW - NPN PMBTA45
нечитаемый:
LLW - PNP - PBHV9050T
| 123.jpg |
| Описание: |
|
| Размер файла: |
222.99 КБ |
| Просмотрено: |
78 раз(а) |

|
|
|
Рифат
Обыкновенный человек
Сообщения: 17778
|
|
mas-ter
Фанат форума
Сообщения: 3987
|
| Ради интереса, эти транзисторы аж на 500 Вольт 150мА, они что непосредственно коммутируют нагрузку? |
|
|
regiss
|
| mas-ter писал: | | Ради интереса, эти транзисторы аж на 500 Вольт 150мА, они что непосредственно коммутируют нагрузку? |
Естественно. Никогда не сталкивался???
Это даже отображено в заводской документации.

|
|
mas-ter
Фанат форума
Сообщения: 3987
|
Я посудомойками не занимаюсь, и на базе этих транзисторов ранее не встречал такое исполнение, стало интересно.
regiss, Спасибо. |
|