| Автор | Сообщение |
|
quake2
|
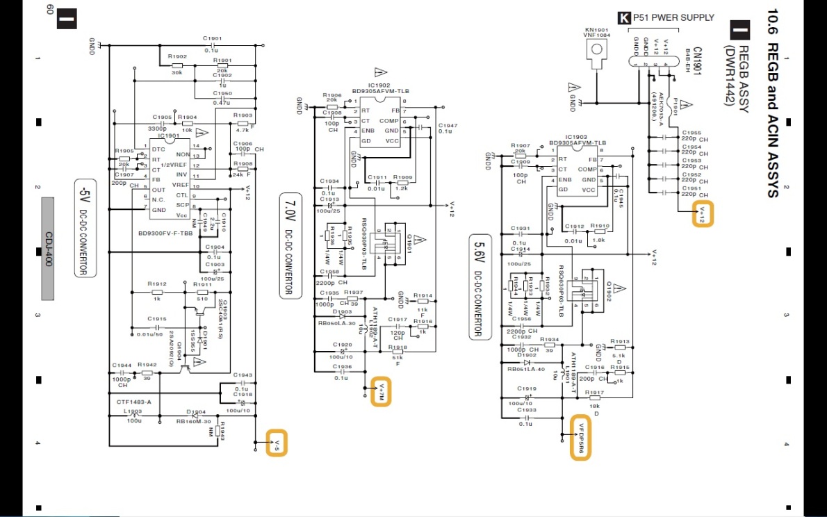
При включении, не подаёт признаков жизни. Начал мерить по питанию в итоге плата DWR1442 (первый скрин) на входе получает 12 Вольт,а на выходах(по схеме) +5, -5, 3, 5.6, 7 вольт - напряжение отсутствует.
Вопрос - данная схема, получая на вход 12 вольт, должна автоматически выдавать на выходе выше перечисленные напряжения? т.к. судя по схеме, эта плата (DWR1442) не получает доп сигнала(импульса) для включения.
Если так, то подскажите куда копать и что мерить, т.к. я не очень силён в схемотехнике..
Схемы прилагаются.
Заранее спасибо.
| schematic.jpg |
| Описание: |
|
| Размер файла: |
214.09 КБ |
| Просмотрено: |
362 раз(а) |

|
schem_elements.jpg 172.56 КБ Скачано: 332 раз(а)
logic.jpg 179.66 КБ Скачано: 307 раз(а)
|
|
mehanik93
Завсегдатай
Сообщения: 531
|
| По любому, команда вкл должна быть! На этой стр.и структурной схеме- не обозначаются! |
|
|
quake2
|
Микшер после падения, включался, но писал ошибку. После разборки, и экран не включается. Прилагаю ссылку на сервис мануал. Подскажите где искать?
http://myfolder.ru/files/42779787
Спасибо.
ДОБАВЛЕНО 19/01/2015 13:20
Вот прилагаю схему - последовательность сигналов при включении, может по ней подскажете что и где замерять?
power_on.jpg 148.78 КБ Скачано: 350 раз(а)
|
|
djclyde
Завсегдатай
Сообщения: 732
|
| фото платы и блока питания |
|
|
quake2
|
| Выше прикреплён сервис мануал. Внешних повреждний на элементах нет. |
|
djclyde
Завсегдатай
Сообщения: 732
|
|
|
quake2
|
| Нет возможности оперативно это сделать..... что мерить? |
|
KRAB
Распугиватель клиентов
Сообщения: 21704
|
| - толщину стопки денег на Мастера, ты - Клиент! |
|