ESpec - мир электроники для профессионалов


Помогите подобрать аналог реле

  Список форумов » Другая аппаратура

Следующая тема · Предыдущая тема
АвторСообщение
Станиславчик 
Заглянувший
Сообщения: 6
 
Сообщение #1 От 27/09/2021 13:21 цитата  

Добрый день!
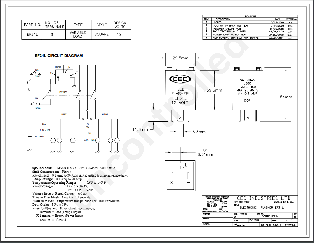
Помогите пожалуйста найти в интернете аналог реле CEC INDUSTRIES EF31L LED FLASHER.
Фото характеристик прилагаю.

  ~b310977.gif  77.65 КБ  Скачано: 199 раз(а)
Morf.113 
Участник
Сообщения: 176
Morf.113
 
Сообщение #2 От 03/10/2021 15:25 цитата  

Судя по приложенной схеме подойдет простейшее жигулевское реле
Snas 
Бывалый
Сообщения: 86
 
Сообщение #3 От 04/10/2021 06:53 цитата  

Часто мигать будет.
REKKA 
Фанат форума
Сообщения: 3722
REKKA
 
Сообщение #4 От 04/10/2021 15:16 цитата  

разобрать, контакты почистить ,тестером прозвонить ,и обратно собрать , и поставить Религия не позволяет ? На ютюбе даже видео есть

Перейти: 
Следующая тема · Предыдущая тема
Показать/скрыть Ваши права в разделе

Интересное от ESpec


Другие темы раздела Другая аппаратура



Rambler's Top100 Рейтинг@Mail.ru liveinternet.ru