| Автор | Сообщение |
|
almaz6666
|
| Ищу схему PLCD 190P1 (PHILIPS 32PF5321/12) |
|
eduard2
Модератор
Сообщения: 4783
|
|
|
almaz6666
|
К сожалению там другой блок
ДОБАВЛЕНО 15/07/2011 22:17
Попробую поискать по другим шасси |
|
eduard2
Модератор
Сообщения: 4783
|
| almaz6666,chassis LC4.5E AA |
|
|
almaz6666
|
К сожалению тоже нет  |
|
pabel
Фанат форума
Сообщения: 5471
|
|
|
almaz6666
|
Ссылка не доступна,проблема в сети
ДОБАВЛЕНО 16/07/2011 08:57
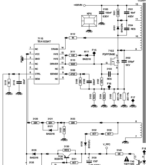
Может кто посмотрит на плате номиналы двух сгоревших сопротивлений(в дежурке на транзисторе F3NK80Z два параллельных на массу).Даже не могу назвать позиции,нет маркировки на плате!
ДОБАВЛЕНО 16/07/2011 09:02
транзистор F3NK80Z на плате Т102 |
|
|
almaz6666
|
| при сравнении других блоков питания на TEA1533AT это должны быть 2R7. Но нашёл ещё один погоревший в цепи между трансом и 14 ножкой TEA1533AT. Буду безумно благадарен за помощь!!!!!!!!!!!!!!!!!! |
|
pabel
Фанат форума
Сообщения: 5471
|
Доступна и ссылка ,и все остальное.
ДОБАВЛЕНО 16/07/2011 10:40
almaz6666, | Цитата: | | ещё один погоревший в цепи между трансом и 14 ножкой TEA1533AT |
Значение возьми из паспорта на микросхему. |
|
georgi d
Передовик
Сообщения: 1160
|
| Цитата: | | Доступна и ссылка ,и все остальное |
она и у нас доступна.насчет татьяны .
Схемы на телевизоров Philips у нас больше чем у них. так что almaz6666, зря к нам в отдел схем не заходишь.просто блок питание на этот шасси там нет что там что здесь. так что зря не ищи
схемы здесь http://archive.espec.ws/section22/ если поищешь ее найдешь.
| Цитата: | | К сожалению тоже нет | не там искал
а это что бы тебе в будущем легче било схемы искать
http://archive.espec.ws/sch/ здесь просто вбей номер шасси и если схема там есть то ее получишь
ДОБАВЛЕНО 16/07/2011 11:06
pabel, ты что на меня обиделся?я уже 2 раза тебе ответил.
зайди ко мне в профиль там найдешь мой ответ. на твои вопроси |
|
|
almaz6666
|
| Спасибо конечно! Только ни в одной схеме шасси я не нашёл БП,остальное всё есть! |
|
pabel
Фанат форума
Сообщения: 5471
|
georgi d, Все нормально,будет повод типо( ) -поговорим.  |
|
|
almaz6666
|
| almaz6666 писал: | | Ищу схему PLCD 190P1 (PHILIPS 32PF5321/12) | РЕШЕНО |
|
RAMMER
Передовик
Сообщения: 1027
|
| almaz6666 писал: | | при сравнении других блоков питания на TEA1533AT это должны быть 2R7. Но нашёл ещё один погоревший в цепи между трансом и 14 ножкой TEA1533AT. Буду безумно благадарен за помощь!!!!!!!!!!!!!!!!!! | Аналогичный участок в БП PLCD150P1

TEA1533AT 2R7.jpg 75.83 КБ Скачано: 944 раз(а)
|
|