| Автор | Сообщение |
|
генадичь
|
Всем доброго здравия!
СВЧ печь на работе перестала включаться. Путем некоторых манипуляций было выяснено , что на плате, где дисплей, сгорела какая-то маленькая штучка под номером R-107. На самой плате написаны следующие маркировки:
MD2004L JD-D 94V-O
и ещё AMXEEZG-03-K
Люди добрые! Не дайте помереть с голоду! Поможите, кто может, где найти её схему или подскажите данные этой R107
Заранее благодарствую!
 |
|
loony
Завсегдатай
Сообщения: 346
|
| генадичь --------резистор 26 ОМ маркировка---------26Е |
|
|
генадичь
|
loony
Спасибо тебе, мил человек!  |
|
eduard2
Модератор
Сообщения: 4783
|
| Цитата: | | Спасибо тебе, мил человек! | тему кто закрывать будет как [Решено] Пушкин : |
|
|
генадичь
|
| eduard2 писал: | | Цитата: | | Спасибо тебе, мил человек! | тему кто закрывать будет как [Решено] Пушкин : |
Ну звиняйте, не знал... К тому же я решил не торопиться, поскольку окончательно проблему с СВЧ считаю не решенной до пробного пуска . Так же там еще микросхема 7-ми ножная LNK 364 PN OA232G сгорела, а заказанная мной в магазине имеет 8 ног  |
|
eduard2
Модератор
Сообщения: 4783
|
| Цитата: | | Ну звиняйте, не знал... К тому же я решил не торопиться, поскольку окончательно проблему с СВЧ считаю не решенной | ну раз так открою тему тогда  |
|
semvictor
Фанат форума
Сообщения: 3099
|
| генадичь, Ну откуда ты такой взялся,в профиле замаскированный? |
|
semvictor
Фанат форума
Сообщения: 3099
|
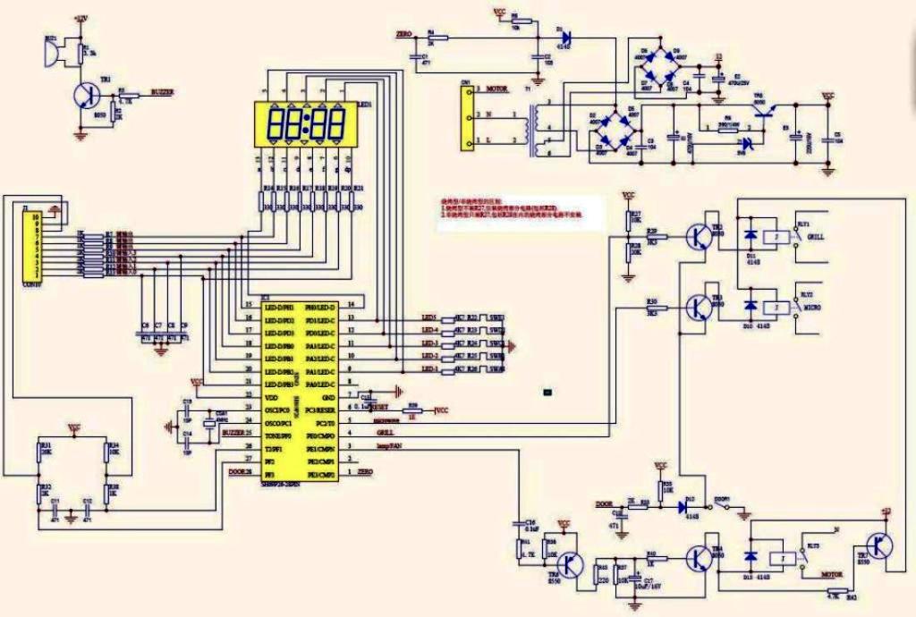
генадичь, Вот тебе схема.
MWS-1723.jpg 92.15 КБ Скачано: 1348 раз(а)
|
|
|
генадичь
|
| semvictor писал: | | генадичь, Ну откуда ты такой взялся,в профиле замаскированный? |
А если серьезно, то Ярославские мы...
А за схемку благодарствую, сударь!  |
|
eduard2
Модератор
Сообщения: 4783
|
| Цитата: | А если серьезно, то Ярославские мы...
А за схемку благодарствую, сударь! | так профиль свой заполни и тему закрой как [Решено] ( нажми кнопку "изменить" в первом посту потом где искал накрылась....голодаем напиши [Решено] ).. |
|