| Автор | Сообщение |
iyzef
Хитрый лис
Сообщения: 7860
|
линейки -8шт по 5 led 3v ,включены по 4шт .Проверены изначально всеми злодейскими токами!
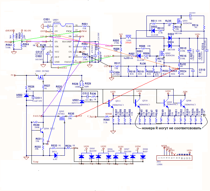
Пришел с дефектом-отключается подсветка.Успевает показать логотип,загрузку и......Думал делов-то! Линейки сменить...Чтоб совсем голову не сломать с K-PL-L 03 ,сразу перерисовал схему в более понятный вид,читая про него все и вся .Домерял что с майна нет U-adgust ..что то около 0.6v на 15 ноге P3041.
Пустым щупом коснулся 15 ноги - светануло чуток с плавающей яркостью. В нете кроме шасси ничего не нашел...ХЗ может там тупо стаб по 3,3v дохнет или транзюк какой P.S. если в "моей" схеме найдете ошибки-исправте, рисовал для себя

.png 91.92 КБ Скачано: 222 раз(а)
|
|
pion
Передовик
Сообщения: 1602
|
| iyzef писал: |
Пришел с дефектом-отключается подсветка.Успевает показать логотип,загрузку и...... |
И что дальше? Может у него проблема с ПО...
Для того, чтобы вызвонить проблему с сигналом яркости схема не нужна. Достаточно тестера и часа времени. |
|
iyzef
Хитрый лис
Сообщения: 7860
|
| pion писал: |
И что дальше? ... |
....все поет и переключается.Не думаю что б - вот так ПО слетало. Чей то в этом чуде по монтажу вообще голову сломаешь
ДОБАВЛЕНО 14/11/2021 16:31
| pion писал: | .
Для того, чтобы вызвонить проблему с сигналом яркости схема не нужна. Достаточно тестера и часа времени. | ...для танцев с бубнами и тестер не нужен. Умного нечего сказать - не засоряй эфир.

|
|
pion
Передовик
Сообщения: 1602
|
Умного сказать нечего. Слишком простая плата для умного человека.  |
|
REKKA
Фанат форума
Сообщения: 3722
|
|
iyzef
Хитрый лис
Сообщения: 7860
|
| REKKA, В каком месте? На разъеме Б/П все как в схеме |
|
REKKA
Фанат форума
Сообщения: 3722
|
|
iyzef
Хитрый лис
Сообщения: 7860
|
Конечно есть
ДОБАВЛЕНО 14/11/2021 19:12
Три штуки по 3,3 -норм одна 117В_ ХЗ кто это -на ней 1,2v
ДОБАВЛЕНО 14/11/2021 19:14
Вроде 1,8 где то должно быть, мож ЭТА -дохлая? |
|
Feuerbard
Завсегдатай
Сообщения: 597
|
| А что есть такая модель Филипс 43у7750 ? |
|
Некто Никто
Фанат форума
Сообщения: 4956
|
| Feuerbard, мы говорим Philips - подразумеваем Toshiba. Мы говорим Toshiba - подразумеваем Philips. Патамушта враг не дремлет!!! |
|
iyzef
Хитрый лис
Сообщения: 7860
|
Некто Никто, Враг только бирки меняет!...Видел уж - полные близнюки.Feuerbard, ...Ну в конце еще пара "буквов" EVили EU . Чет опять засел около шимки - не нравятся мне ее режимы , как в даташите все...вроде как рядом...Может кто подскажет КАК оно там все должно быть?
ДОБАВЛЕНО 15/11/2021 00:44
| pion писал: | ...... Слишком простая плата для умного человека.  | Дык снизойди до меня , убогого, укажи пальцем. |
|
pion
Передовик
Сообщения: 1602
|
| iyzef писал: | | pion писал: |
И что дальше? ... | ....все поет и переключается.Не думаю что б - вот так ПО слетало. |
Подай 3в на 15 ногу и убедись, что ТВ нормально работает и проблема только с регулировкой яркости подсветки. На этом ремонт можно и закончить. Или разбирайся, может битый пин процессора, может транзистор потёк по управлению, а может и ПО заглючило и нужно чистить память. |
|
iyzef
Хитрый лис
Сообщения: 7860
|
| pion, ТАК - оно работает. Но ведь не будет динамической регулировки подсветки или и так пойдет"? Ведь не везде она есть. ИМХО так и светики должны жить дольше - ведь их не будет дергать прыгающим током. ...А с майном , х.з. - толи мозги чудят либо рвется там чёй то, инфы ноль по майну тем более прошивки. |
|
pion
Передовик
Сообщения: 1602
|
Больше похоже на программное, потому что подсветка работает при старте, а вот после загрузки процессор её отключает. Я бы поискал инфу и сделал бы ресет плате, а потом бы уже тестером проверял прохождение сигнала до процессора.
зы. в меню есть регулировка подсветки? Может она в 0. |
|
iyzef
Хитрый лис
Сообщения: 7860
|
| У меня только потроха с линейками-тело разобранное у клиента. Но чего ж показывал,хоть и с минуту. |
|
iyzef
Хитрый лис
Сообщения: 7860
|
| pion, Звиняй что ввел всех в заблуждение. Просто реально меня убила эта подсветка! ОНО ведь изначально ВАЩЕ не запускалось!Не мыргало вообще никак. Чуть ли не бульдозером нашел резюк -R503-270к-полный обрыв! Пока искал его -тему замутил, думал мож импульсы какие надо туда.Потом уж до убитых мозгов дошло что без Т-CONа така хрень запросто может быть ....Сейчас всё работает норм. |
|