| Автор | Сообщение |
key-s
Специальный агент
Сообщения: 1470
|
Тема шик-блеск.. Две страницы выясняете - сколько в дежурке у схемы, которой оптрон ничем кроме компаратора не подсвечивается. Труднее всего чинить исправный телевизор  |
|
Vasilovich
Завсегдатай
Сообщения: 351
|
| Yuritsh, Вы не гоноритесь, пожалуйста. БП не мой а START 2136Q.И подскажите с сылкой на проц, а я разберусь чем и как он управляет. А так Всем спасибо ! И что это секрктная разработка китаёзов? Все Дертаньяны один я схемы не нашёл?Завтра скину фотки. |
|
makeym
Фанат форума
Сообщения: 9737
|
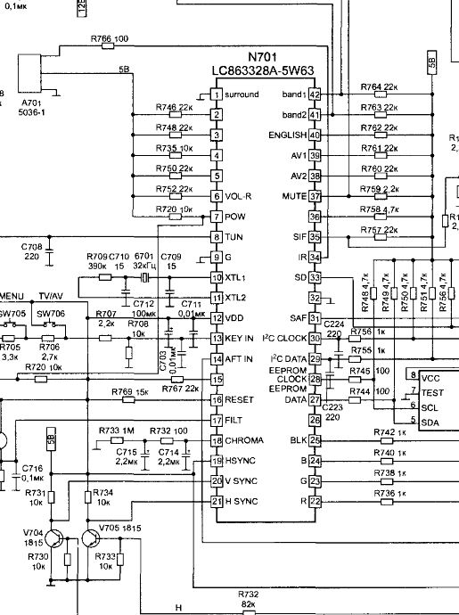
Vasilovich вот твой проц!
тттттт.JPG 91.23 КБ Скачано: 805 раз(а)
|
|
Yuritsh
Фанат форума
Сообщения: 18498
|
makeym, достаточно было этого. А еще проще посмотреть на базе того транзистора, который автор менял.
Вот упрощенная схема твоего ТВ . Транзистор V551 показан в виде выключателя. Неужели после этого еще будут вопросы? Вот скажи, зачем схему искать?
Кстати фото ждёмс.


|
|
makeym
Фанат форума
Сообщения: 9737
|
Yuritsh, ну вот не знал он что вот это тот - же самый вкл-выкл(ниже) и управляет этим вкл-выкл - 7 нога проца! 

|
|
zarah
Не фанат форума
Сообщения: 9825
|
|
key-s
Специальный агент
Сообщения: 1470
|
Схема слишком упрощенная.. Коммутируется не только ключ для кадровой, но ещё ещё и V554, а с ним кренка 7812 и кренка 7805  |
|