| Автор | Сообщение |
|
Sergey777088
|
UOC - TDA12120H/N300 (KSCA 1003.0(BC34))
Memory - ST24C16W
SMPS - 5Q12656
TR Chopper - AA26-00286A
SAW - MIF389A & AF389A19M
Vertical - LA78141
Sound - даташит на LA42102
Tuner - TDQ-6L/125S AA40-10007A
Tube - A51QGV991X301
FBT - BSC25-5207 AA26-00304A LTC-S07
HOT - T2222
RGB Amp. - TDA6107AJF/N1
Пульт: - AA59-00421А
Пришёл с проблемой: ИМС в БП 5Q12656 разлетевшийся корпус. После проверки всех деталей в её обвязке были найдены убитые стабилитроны. После установки новой ИМС и деталей телевизор запустился в пределах нормы. БП в рабочем режиме выдаёт 120В. Но в ДР напряжения подскакивают до 155 В. И что характерно, при изменении напряжения в сети оно меняется в пределах 135 - 155В. Всю обвязку и в первичной и вторичной цепях проверил тщательным образом, впаивая заведомо рабочие детали. Ни к чему это не привело. Подскажите, пожалуйста, какое напряжение должно быть в ДР и можно ли эту проблему устранить? Схема указанная на сайте отличается от той, что имею. Отсутствуют детали в обвязке, хотя по схеме должны быть. |
|
Nik_Al
Старый таёжник
Сообщения: 34074
|
| Чудес не бывает - значит плохо проверял. Смотри цепь обратной связи по оптопаре. Ну и... схему стабилизации ШИМки |
|
|
Sergey777088
|
Оптопару менял, резисторы проверял, даже напряжение ещё увеличилось до 170 В
... |
|
iv-9
Фанат форума
Сообщения: 6351
|
| Ключи перевода в др-рр, коммутирующие включение оптопары, нормально отрабатывают? |
|
JYRIJJ
Спец-агент
Сообщения: 4741
|
| Sergey777088, Озвуч мне напряжения 12в в ДР и РР какое? |
|
Nik_Al
Старый таёжник
Сообщения: 34074
|
Шасси у тебя, а не у нас. Мы тут при всем желании не сможем за тебя сделать необходимые измерения. Там деталей то.... кот наплакал.
Чем именно отличается схема? Возьми, зарисуй её и в студию! Ты думаешь мы за тебя это будем делать?
И ты уверен что шимка у тебя исправная на все 100? |
|
|
Sergey777088
|
Померяю, чуть позже дам ответ. Ключи менял. Там только один, второго нет. В моём случае есть только Q806 (C1815).
ДОБАВЛЕНО 15/12/2012 00:52
Вот в шимке то я как раз и не уверен ... Только второй нет |
|
|
Sergey777088
|
| Промерял источник 12в-в ДР-8в,а раб.-10.5в,похоже,что что идет какая то "засада".Какие напряжения должны бить в ДР.у моем сллучае,при переводе в дежурку источник 8в становиться 6,5в.Все детали проверял ничего подозрительного не нашел.Хотя понимаю ,что от этого у Др "гуляет"135-155в. |
|
|
SLAVA-VAK
|
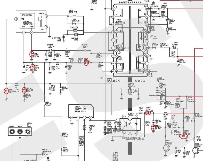
D803 меняй сразу был подобный дефект после не продолжительной работы вылетала STR.
Поменяй также DZ801, DZ802,DZ803,DZ805 в первчке а вовторчке DZ804, DZ806 и DZ811 если он установлен.
SAMSUNG chassis KSCA_01.jpg 80.25 КБ Скачано: 983 раз(а)
|
|
JYRIJJ
Спец-агент
Сообщения: 4741
|
Sergey777088, | Цитата: | | Промерял источник 12в-в ДР-8в,а раб.-10.5в | Чем меньше напряжения в точке 12в, Тем больше +В  |
|
LordLostr
Модератор
Сообщения: 8673
|
| Sergey777088 писал: | | Всю обвязку и в первичной и вторичной цепях проверил тщательным образом, |
Смотри схему и думай.РР -Q805 открыт,Q806-закрыт,регулировка осуществляется DZ806 TL431. ДР -Q805 закрыт,при этом Q806 открыт и через диод оптопары больший ток -БП в дежурке! Проверяй !  |
|