| Автор | Сообщение |
mileshca
Передовик
Сообщения: 2513
|
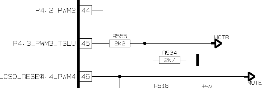
Состав ST92195C3B1/0BC -проц, STV2248C -видео , STV9306 -кадры ,TDA7269A -УНЧ, проблема нет OSD, Проделанная работа, проц заменен на ST92195C3B1/MMS. на 40 и 41 ногах проца вижу импульсы 3в размахом, проверен и даже заменен транзистор Q603 , проверена цепь от 45 ноги проца к R555 R534 (HCTR) идет на диоды D505 D506(FB-OSD) и на видеопроц вывод 37 (FBOSD-HC)что я еще пропустил? интересует , что должно быть на выводе проца 45(главного) там он обозначен (HCTR) , скрины прилогаю
ДОБАВЛЕНО 21/04/2013 12:57
Перед заменой проца я подкидывал как чистую память так и прошитую, изменений не последовало

2013-04-21_114433.png 7.88 КБ Скачано: 600 раз(а)
2013-04-21_114940.png 11.66 КБ Скачано: 506 раз(а)
|
|
aze1959
Распугиватель "гениев"
Сообщения: 6574
|
mileshca, огласи размах на 47 пине видеопроца,
и на 16 17 18 пинах системного-это выход графики с системного
и напряжение на 39 пине системного |
|
mileshca
Передовик
Сообщения: 2513
|
aze1959, сама картинка есть, звук есть, графики нет, на 15 16 17 (импульс вроде как появляется если нажимать на пульт, кртковремено), на 39 пине проца 5в
ДОБАВЛЕНО 21/04/2013 14:16
aze1959, я знаю с каких ног идет графика это 16 , 17, 15 , 18пин это окно
ДОБАВЛЕНО 21/04/2013 14:23
на 47 пине видеопроа размах 3в
повторюсь на 40 и 41 пин главного приходят импульсы размахом 3в, этого должно быть достаточно для графики |
|
aze1959
Распугиватель "гениев"
Сообщения: 6574
|
| Цитата: | | импульс вроде как появляеться если нажимать на пульт |
это как??? импульс как беременность-или есть или нет или 9 месяцев или несколько секунд |
|
mileshca
Передовик
Сообщения: 2513
|
| aze1959 нет вообще импульсо с ног 15-18 ногу, вообще ничего, вот и думаю что окно не работает |
|
aze1959
Распугиватель "гениев"
Сообщения: 6574
|
| mileshca писал: | | aze1959, появляеть пока нажимаеш на кнопку канала или меню, потом проподает |
так и должно быть-графика же высвечивается несколько секунд затем исчезает
приблизительно сколько секунд есть импульс? если не менее 2-3 секунд-не там ищешь
ДОБАВЛЕНО 21/04/2013 07:38
| mileshca писал: | | aze1959 нет вообще импульсо с ног 15-18 ногу, вообще ничего, вот и думаю что окно не работает |
??? |
|
mileshca
Передовик
Сообщения: 2513
|
| aze1959, я отредоктировал сообщение, перепроверил, я знаю как выводиться графа, ну нет ее на экране, прочти первый пост мне интересно вот это, (HCTR) он меня интересует, смотри скрины, все работает на данный момент кроме графики, даже если войти в сервис, то!! ее нет, знаю что в сервисе потому как кнопка выкл телевизора не работает, тоесть нужно еще раз нажать МЕНЮ на пульте, что выйти из него |
|
aze1959
Распугиватель "гениев"
Сообщения: 6574
|
| mileshca, системный проц через "окно" даёт разрешение видеопроцу на высветку графики. |
|
mileshca
Передовик
Сообщения: 2513
|
осцыл стоит на время деление 1 напруга на 1, может в другом режиме, даже если бы я видел импульсы на ногах с 15-17 то графика на экране была бы, (HCTR) это то что подаеться на диоды D505 D506 идет на FB-OSD c анода D505 на 18 пин главного, а сам FB-OSD идет на видеопроц 37 пин, вот я и спросил, какой формы импульс, или что должно быть на на выводе проца 45(главного) там он обозначен (HCTR) ?
ДОБАВЛЕНО 21/04/2013 14:51
aze1959, да я знаю что дает, ты мой вопрос понял или нет? ведь должен бытьимпулься тот что приходит на диоды 505 , 506, кк я устал повторять одно и тоже
ДОБАВЛЕНО 21/04/2013 14:53
Повторю еще раз,какой импульс должен быть на 45 пине главного?, смотрите скрин и саму схему
2013-04-21_135214.png 11.32 КБ Скачано: 499 раз(а)
|
|
aze1959
Распугиватель "гениев"
Сообщения: 6574
|
| mileshca, открой схему TV2KS там вообще 45 пин не задействован, а окно открывается с 18 пина системного на 37 пин видеопроца |
|
мастер-ломастер
Модератор
Сообщения: 9972
|
| mileshca, может у нового проца OSD идёт на другие выводы. |
|
aze1959
Распугиватель "гениев"
Сообщения: 6574
|
|
mileshca
Передовик
Сообщения: 2513
|
да подставлял я проц с 11AK30, оже самое, либо все 3 проца не рабочие( это врятли) либо нет какого-то импульса, поэтому я спросил то что выше, ответа нет, значит никто ответ не знает, этот импульс выходит с проца, значит он формируется в нем
ДОБАВЛЕНО 21/04/2013 19:24
aze1959, да я сразу нашел эту ссылку, и нашел у знакомого проц
ДОБАВЛЕНО 21/04/2013 19:38
aze1959, ты мою схему видел? даже если глянуть твою схему, что ты указал то!! на 37 вывод проца приходит FB-osd даже если бы R449был оборван или замкнут на корпус то импульса не было бы вообще, и срабатывала бы защита Q603, или я ошибаюсь?
[u]ДОБАВЛЕНО 21/04/2013 19:45[aze1959,
, ты писал (приблизительно сколько секунд есть импульс? если не менее 2-3 секунд-не там ищешь )что ты имел ввиду? пологике там номер канала гореть должен, тоесть импульс врезки зеленого должен идти постоянно
,

2013-04-21_183257.png 10.23 КБ Скачано: 453 раз(а)
|
|
aze1959
Распугиватель "гениев"
Сообщения: 6574
|
| Цитата: | | даже если глянуть твою схему, что ты указал то!! на 37 вывод проца приходит FB-osd даже если бы R449был оборван или замкнут на корпус то импульса не было бы вообще, и срабатывала бы защита Q603, или я ошибаюсь? |
я рискну предположить что при выходе из строя кадровой развёртки защита запирает катоды кина
| Цитата: | | ты писал (приблизительно сколько секунд есть импульс? если не менее 2-3 секунд-не там ищешь )что ты имел ввиду? пологике там номер канала гореть должен, тоесть импульс врезки зеленого должен идти постоянно |
сколько высвечивается графика-столько и по времени есть импульсы. при переключении программ и меню-несколько секунд, в сервисном режиме-не исчезает графика |
|
mileshca
Передовик
Сообщения: 2513
|
| aze1959, не уверен, тогда по логике не было бы картинки вообще, графика накладываеться на изо |
|
aze1959
Распугиватель "гениев"
Сообщения: 6574
|
| mileshca писал: | | aze1959, не уверен, тогда по логике не было бы картинки вообще, графика накладываеться на изо |
давай подумаем логически. Зачем нужна защита по кадру? отключать графику?
нет
или отрубать строчный импульс
или гасить катоды |
|
mileshca
Передовик
Сообщения: 2513
|
aze1959, защита отключает кадровую и телик вырубиться скорее всего, но если ты намекаеш на Q603 то на базе и эмитере там одинаковый импульс, на коллекторе нет напруги, я думаю она появиться если сработает защита и на коллекторе будет 5в
ДОБАВЛЕНО 21/04/2013 20:02
и вообще если разобраться то ткните меня на форму импульса на 40 и 41 пине главного проца, может что с ними ? может форма неправельна? |
|
aze1959
Распугиватель "гениев"
Сообщения: 6574
|
| Цитата: | | и вообще если разобраться то ткните меня на форму импульса на 40 и 41 пине главного проца, может что с ними ? может форма неправельна? |
если только размах. в практике ни разу не было что бы из за формы не было графики
да блин даташит есть но там нет архитектуры проца, есть вероятность что имеется ещё один пин генератора графики-на нём может быть висит "сопля" или отпаена деталь |
|
mileshca
Передовик
Сообщения: 2513
|
aze1959, у меня просто мысли кончились
ДОБАВЛЕНО 21/04/2013 20:24
aze1959, может и отпаяна, так что сам много работы пределал по востаноавлению,, гляну еще раз обвязку проца, но устал уже глаза болят высматривать, даташит с обозночением и расшифровкой ее просто не нашел |
|
aze1959
Распугиватель "гениев"
Сообщения: 6574
|
|