| Автор | Сообщение |
moroz-1963
Завсегдатай
Сообщения: 642
|
| mileshca, Ты так и не ответил на вопрос aze1959, в сервисном режиме-не исчезает графика? И почему бы и не это aze1959, писал . Зачем нужна защита по кадру? отключать графику? |
|
ut3eo
Завсегдатай
Сообщения: 928
|
| aze1959 писал: |
я так думаю с HCTR- не импульс а смещение |
Согласен. |
|
|
Alexasha
|
| moroz-1963 писал: | | в сервисном режиме-не исчезает графика? |
А была информация о том, что графика есть хоть в каком-то режиме? |
|
KRAB
Распугиватель клиентов
Сообщения: 21704
|
Нет у него OSD ни в каком виде.  |
|
mileshca
Передовик
Сообщения: 2513
|
KRAB, у меня с изо все в порядке, изо чистое без дефекта, напряжение на 18 пине проца 0в , хочу разобраться почему чистая память не идет(может не пишеться) далее хочу проверить вот это Одной из причин отсутствия изображения и OSD является нарушение режима Vref IF STV22xx. пока поверю это, а будить тебя смысла нет, ты тоже человек , а не машина
ДОБАВЛЕНО 22/04/2013 09:20
графики нет,ни в сервисе не на канале, и не по видео входу
ДОБАВЛЕНО 22/04/2013 09:22
когда вхожу в сервис, то определяю что в сервисе путем нажатия на пульте кнопки выкл телика, если не выкл то я в сервисе, затем нажимю кнопку меню на пульте, и уж после этого могу выкл телик
ДОБАВЛЕНО 22/04/2013 09:24
| moroz-1963 писал: | | mileshca, Ты так и не ответил на вопрос aze1959, в сервисном режиме-не исчезает графика? И почему бы и не это aze1959, писал . Зачем нужна защита по кадру? отключать графику? | даже если это защита по кадру, то он бы вырубался в дежурку, тоесть на коллектре Q603 появлялись 5в и транзистор давал каманду на выкл, а так там транзистор работает за щет смещения на базе из за самих импульсов(он эмитерный повторитель, то что на базе то и на эмитаре), смысл отключать ему графику? |
|
KRAB
Распугиватель клиентов
Сообщения: 21704
|
| mileshca писал: | | хочу разобраться почему чистая память не идет | - а зачем решать проблему через задницу? Есть дамп - залил и не парься. |
|
mileshca
Передовик
Сообщения: 2513
|
| KRAB, он чистую не пишет, забил FF и он даже не прописал и сам не включился, |
|
mileshca
Передовик
Сообщения: 2513
|
короче, поменял я емкость C409 без результата, затем вернулся опять к 18 выводу проца, там есть импульс 0.1в , такой же импульс идет с диодов 505 506 , естественно другой формы, и он не меняется от действий как клавы так и пульта, он там постоянно
| 2013-04-22_123013.png |
| Описание: |
|
| Размер файла: |
553.76 КБ |
| Просмотрено: |
283 раз(а) |

|
|
|
mileshca
Передовик
Сообщения: 2513
|
вот что на 41 ноге проца ( средний снимок 1 вольт на клетку)
ДОБАВЛЕНО 22/04/2013 13:45
и на 40 ноге главного, на 41 приходиться 1 в на клетку также как и на 41пине главного если выставить больще время на деление то на 40 пине в низу будут точки
| 2013-04-22_123013.png |
| Описание: |
| то, что на 18 ноге проца главного, не меняеться при крманде с пульта и клавы, постоянно такой импульс | |
| Размер файла: |
553.76 КБ |
| Просмотрено: |
308 раз(а) |

|
| 2013-04-22_174520.png |
| Описание: |
|
| Размер файла: |
472.05 КБ |
| Просмотрено: |
316 раз(а) |

|
| 2013-04-22_125750.png |
| Описание: |
|
| Размер файла: |
632.85 КБ |
| Просмотрено: |
315 раз(а) |

|
|
|
KRAB
Распугиватель клиентов
Сообщения: 21704
|
Ты бы научился осцилом работать и выкладывать полтора-два импульса на фото.  |
|
mileshca
Передовик
Сообщения: 2513
|
| KRAB, не могу кадровую лучше сделать 40 ногу |
|
aze1959
Распугиватель "гениев"
Сообщения: 6574
|
mileshca, огласи все питающие напряжения на системном проце.
Генератор графики не работает.
Прошифка не причём.
Кадровый есть.
Строчный есть.
Или питание генератора нет или ещё раз повторяю есть ещё один внешний контакт генератора-пин и на нём нет детали или вышла из строя. |
|
mileshca
Передовик
Сообщения: 2513
|
aze1959, вотнапруги проца при работе 26, 25и31(UPA)-5в 5 -7 пин напруги нет(я так понял это AV вход) 21,3, 39 пин 5в (UPD) SAW-SW 9пин нет напруги | aze1959 писал: | | mileshca, повторяю есть ещё один внешний контакт генератора-пин и на нём нет детали или вышла из строя. | О каком пине ведеш речь? ну если знаеш ткни |
|
ut3eo
Завсегдатай
Сообщения: 928
|
| mileshca писал: | | вернулся опять к 18 выводу проца, там есть импульс 0.1в |
0,1в.!!! Какой это импульс? Наводка на щуп. И откуда ему там взяться, если у тебя СИОХ отрицательной полярности (если верить твоим осциллограмам,кстати на таком классном аппарате,как С1-65 и такие хреновые картинки).
Оба ИОХа должны быть положительной полярности. |
|
mileshca
Передовик
Сообщения: 2513
|
| ut3eo, отуда ты взял что они отрицательны? если верить тебе то источник должен быть общим, если мне не изменяет склироз, то отрицательный импульс идет в низ а не вверх, замеры делал впеременке на осцыле |
|
aze1959
Распугиватель "гениев"
Сообщения: 6574
|
| Цитата: | | О каком пине ведеш речь? ну если знаеш ткни |
mileshca, если он только есть. какой-не знаю, (архитектуры проца не нашел) может быть даже два.
с осцилограммами уточни-у меня тоже сложилось впечатление что на последней осциллограмме-импульсы отрицательной полярности. |
|
ut3eo
Завсегдатай
Сообщения: 928
|
mileshca, Это, что? положительный?

|
|
mileshca
Передовик
Сообщения: 2513
|
aze1959, по последней это кадровая, там измерялась когда на ослике вход стоит переменный, тоесть вверх это черточки низ точки, не не могу я сделать и увидеть импульс лучше, 40 пин
ДОБАВЛЕНО 22/04/2013 20:28
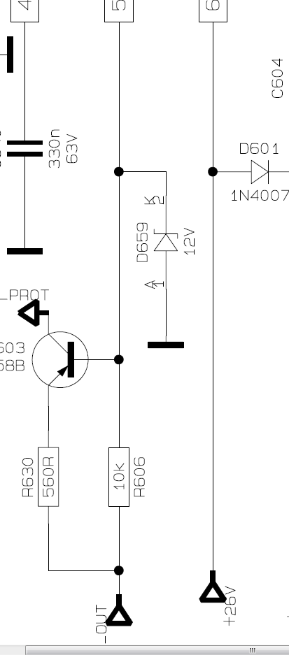
ut3eo, это нет, а ты говорил что все отрицательные, лады, но этот импульс такойже формы идет с 5 пина к Q603 на базу, с эмитера идет на 40 пин проца, тогда не понимаю как он может быть отрицательным? там кроме пары сопротов стабика на 12в и Q603нет ничего, тока цепь к 603транзистору, обьясни
2013-04-22_192709.png 22.5 КБ Скачано: 315 раз(а)
|
|
aze1959
Распугиватель "гениев"
Сообщения: 6574
|
| mileshca, чудес не бывает. в предыдущей теиме по этому же телевизору ты писал что ТДКС пришлось ставить другой. Не может в этом зарыта собака? картинка и по кадру и по строке в норме? нет заворотов? |
|
mileshca
Передовик
Сообщения: 2513
|
aze1959, если ты знаеш ВАНО то должен знать, фуфла нет, картинка вот на фото, за качество сори на мобилу делаю
ДОБАВЛЕНО 22/04/2013 20:44
родной должен стоять FBT 1342.0049В / Вано прислал JF 0501.2515 напруги с него 14в и 26 в идут нормальные, косяков с этим человеком у меня нет вообще, просто1342.0049В дороже на 40 гривен или5 баксов
ДОБАВЛЕНО 22/04/2013 20:46
нехватает по кадрам 3 милиметра потянуть и все, звук и изо без проблем, почему с графой так? кадровую заказывал также у него, нет смысла врать или вообще за брак платить, нет надобности
ДОБАВЛЕНО 22/04/2013 20:47
aze1959, Тдкс я менял по причине большого питания на кадровую, тоесть почти 50в, а надо 26в, если кадровая обратная в отрицательном импульсе, то я ваще в шоке почему так? обвязку кадровой проверял досконально, Q603 менял на новый, его сопроты и сам стабик проверял, хотя если бы стабик коротил на корпус то на базе не было бы ваще импульса
ДОБАВЛЕНО 22/04/2013 20:54
ТКНИТЕ МЕНЯ КАК КОТА ! КАК ТАК МОЖЕТ БЫТЬ?
| 2013-04-22_193754.png |
| Описание: |
| вот , искажений полос нет | |
| Размер файла: |
345.87 КБ |
| Просмотрено: |
304 раз(а) |

|
|
|