| Автор | Сообщение |
|
Primorskiy
|
Приветствую мАСтеров!
Состав шасси:
Micom - M37210M4-553SP
Memory - 80021
SMPS - STR-D5095A
TR Chopper - 2216331
SAW - F1036HS
Secam - TDA8395
Delay - TDA4661
Video - TDA8362
Vertical - AN5515
Sound - AN7147N
Tuner - ET-573SN L-4K24-D3
Band - LA7920
Tube - A51KPD12XX
FBT - 2437351
HOT - BU2508DF
Помогите пожалуйста наладить данный тв!
Схему удалось найти от CMT2196 они вроде почти совпадают
В данное время тв частично восстановлен, работает стабильно, но не все его схемы правильно.
Неполадки:
- нет цветности при приёме в SECAM, показывает чёрно белым
- нет данных O.S.D. на экране
- белые Л.О.Х. вверху экрана, примерно на четверть экрана, но не на всех программах
Исправно:
- включается, выключается с пульта и кнопок панели (пульт новый CLE-898 родной в наличии),
с пульта все режимы работают нормально
- с AV входа например от сигнала приставки на ОС Андроид 5.1 есть цвет (но также есть Л.О.Х. сверху на четверть экрана, примерно)
- звук есть, регулируется и с пульта и с кнопок передней панели
Блок питания выдаёт стабильные напряжения согласно схеме тв:
- 95в в работе
- 64в в дежурном режиме
- 25в питание КР
Напряжения некоторые измеренные на ИМС:
- видеопроцессора TDA8362 - 8в на 10 выв.
- микроконтроллера M37210M4-553SP - 5в на 27 выв.
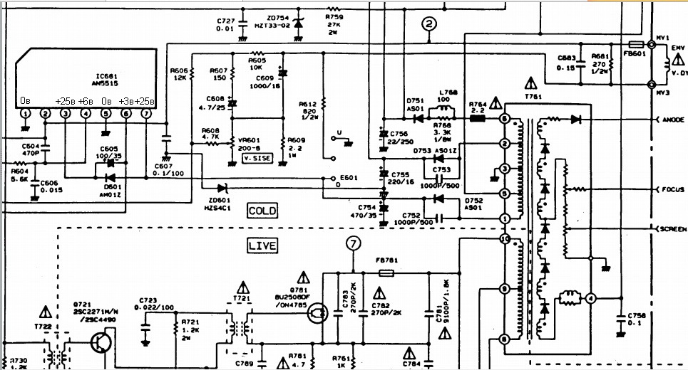
- кадровой развёртки AN5515 - 25в на 7 выв.
(у данной ИМС измерены напряжения на всех выводах: 1/0в; 3/+25в; 4/+6в; 5/0в; 6/+3в; 7/+25в)
Чтобы было более понятно что к чему история тв такова:
Привезли на работу этот тв сотрудники, отдали соседи, стоял года два, привозившие уверяли, что рабочий был, когда привезли.
Понадобился, решили включить, при включении обнаружилось, что развёрток нет ни одной, на экране размытое цветное пятно, размером около пяти сантиметров немного смещённое вправо от центра.
При снятии задней стенки был обнаружен потёкший конденсатор около радиатора кадровой развёртки AN5515, вроде был это С605.
Была и есть с такого тв такая же плата в которой ремонтировали строчный выход да не доделали плату, снял с неё этот же конденсатор С605, проверил, впаял в ремонтируемый данный тв, но развёртки в тв не запустились! Звук появлялся но с какой то задержкой секунд на 10 с нарастающей плавно громкостью, странно как то, возможно было занижено питание, не мерял.
Кадровая микросхема AN5515 в донорской плате имела заводскую, хорошую пайку, решил её поменять в ремонтируемом тв, аккуратно перепаял, не перегревал, заменены были на новые и конденсаторы электролитические, все вокруг кадровой ИМС AN5515, но при включении тв случился "сюрприз"! При включении тв погорели за пару секунд защитные многоватные белые керамические проволочные резисторы в БП и накалилась до бела вставка плавкая в БП, но не сгорела, замкнула и микросхема силовая в БП STR-D5095A.
Как стало ясно кадровая ИМС AN5515 в донорской плате была неисправна, позже обнаружил диод замкнутый D752 по цепи её питания, так, что надо было ставить новую ИМС кадровую, а поторопился, бывает.
Всё было восстановлено акккуратно, проверены диоды, резисторы, стабилитроны на проводимость и отсутствие замыкания стрелочной Ц-шкой, дорожки, пайки в БП, кадровой, строчной схемах.
Резисторы керамические взял с донорской платы, были целые, микросхемы кадровой развёртки AN5515 и силовая в БП STR-D5095A куплены в местном очень известном радиомагазине, заменены, но тв не включился вообще! Дежурный режим был, но при нажатии кнопки включения на пульте или на панеле тв, происходил скачок дежурного напряжения питания строчной развёртки на вольт примерно вверх до 65в и напряжение плавно падало, диод дежурного режима гас, на микроконтроллере M37210M4-553SP напряжение питания падало с 5в до 4.8в и тишина. Долго проверял детали в БП и строчной, и кадровой, отключал нагрузки, всё вроде целое, а запуска БП нет! Возможно неисправна ИМС STR-D5095A, подумалось. Заказана была ИМС STR-D5095A у хорошего поставщика на Али, уверял, что оригинальная, пришла, сравнил для интереса сопротивления в разных направлениях на выводах с нестартующей ИМС STR-D5095A, всё так же, но когда впаял новую, то тв сразу стал включаться и напряжения держать как надо согласно схеме! То есть продали бракованную STR-D5095A! Но на этом, как оказалось не всё, цвета нет SECAM, служебных данных OSD нет, видны белые чуть наклонные линии обратного хода сверху, на четверть экрана, геометрия нормальная, значит что то ещё надо менять!
Заказана была и ИМС AN5515 кадровая на Али у хорошего поставщика, так, как доверять местному магазину не стал, возможно стали возить много брака, техника то старая, особо спроса нет на запчасти к ней, а вдруг в ней причина, подумалось. Пришла ИМС AN5515, впаял аккуратно, работает, но точно так же с Л.О.Х. и снова нет цвета и OSD нет!
Кто подскажет из знающих и опытных где, что конкретно померить, проверить, чтобы не проверять много деталей!?
А то и так потрачено уже на него немало времени из за проданной бракованной ИМС для БП!
Ремонтом когда то занимался часто, даже учился на это дело, сейчас время от времени, что то забыл, чего то не делал, паять умею аккуратно.
Кто что посоветует, с чего начать, что менять?
ТВ сделать надо это уже вопрос принципа и чести! 
HITACHI CMT2187_2196_2198_2199 chassis S2.pdf 1.4 МБ Скачано: 640 раз(а)
AN5515 1.jpg 179.84 КБ Скачано: 815 раз(а)
|
|
n max
Модератор
Сообщения: 17623
|
| Похоже к.г.и. нету т.к. он в секаме используется для опознавания цвета+из за него же нет осд(тут осцил нужен цешкой уморитесь его искать) |
|
|
Primorskiy
|
Да похоже на то, но может, кто подскажет конкретней?
Может видеопроцессор надо менять или микросхему SECAM? |
|
n max
Модератор
Сообщения: 17623
|
|
|
Primorskiy
|
Ясно  |
|
n max
Модератор
Сообщения: 17623
|
| Кандёр с 605 надо проверить и диод иже с ним(хотя при его обрыве(кандёра)вылетает кадровая микросхема)насколько я помню.Точнее сказать уже не смогу лет 15 ремонтом тв не занимаюсь |
|
|
Primorskiy
|
| n max писал: | | Кандёр с 605 надо проверить и диод иже с ним |
Хорошо проверим, просто уже поленился после, как не пошёл нормально, достал! Но очень может быть, что именно они  |
|
n max
Модератор
Сообщения: 17623
|
| Искомый сигнал идёт с 6 ноги кадр.микросхемы и должен доходить до видеопроца так что если нет осцила,то придётся проверять всё на его пути до проца и видеопроца. |
|
|
Primorskiy
|
| n max писал: | | Искомый сигнал идёт с 6 ноги кадр.микросхемы и должен доходить до видеопроца |
Отлично, уже что то! Подождём, может народ ещё чего подскжет  |
|
iv-9
Фанат форума
Сообщения: 6360
|
| Что там подсказывать, поставь для начала нормальный конденсатор в вольтодобавку. |
|
|
Primorskiy
|
| iv-9 писал: | | Что там подсказывать, поставь для начала нормальный конденсатор в вольтодобавку. |
Новый и стоит, все менял! Но может он вылетел, когда было кз? |
|
iv-9
Фанат форума
Сообщения: 6360
|
| Какой он новый, сам пишешь, что снял с другого ТВ. И кадровая к твоему КЗ никакого отношения не имеет. |
|
|
Primorskiy
|
| iv-9 писал: | | Какой он новый, сам пишешь, что снял с другого ТВ. |
это когда сразу, после включения тв, когда он не заработал, пытался на работе сделать из того, что было, а после, когда кадровую бу установил, то и ёмкости все заменил вокруг кадровой, но потом погорел БП, так, как кадровую установил неисправную с бу тв.
ДОБАВЛЕНО 11/12/2016 00:02
| iv-9 писал: | | Какой он новый, сам пишешь, что снял с другого ТВ. И кадровая к твоему КЗ никакого отношения не имеет. |
как же не имеет, если БП не горел и не коротил, пока не поменял с бу платы замкнутую видимо кадровую имс. |
|
iv-9
Фанат форума
Сообщения: 6360
|
Тяжелый случай...Смотрите схему и не лепите горбатого. И не рассказывайте никому о БП, выгоревшем из-за кадровой, засмеют.  |
|
|
Primorskiy
|
| iv-9 писал: | Тяжелый случай...Смотрите схему и не лепите горбатого. И не рассказывайте никому о БП, выгоревшем из-за кадровой, засмеют.  |
уже рассказал! было точно всё так, как описал, при включении тв до замены кадровой бу имс, было просто пятно на экране, накал, чуть позже звук, но ничего не горело! может не всё, знаю, но не идиот  |
|
киев
Прислонившийся
Сообщения: 6953
|
| Может это не AN5515 а AN5521? Во всяком случае картинка в точности такая, как при замене первой на вторую без доработки. 5.н в воздухе? Подключи её цепочкой из резистора 30 кОм и конденсатора 0,1 мкФ или просто через 22-47 нФ ко второй ноге. |
|
|
Primorskiy
|
| киев писал: | | Может это не AN5515 а AN5521? |
AN5515 стояла в обоих платах и на схеме она же |
|
киев
Прислонившийся
Сообщения: 6953
|
| Сделай, как говорю - на заборе может быть написано х..., а лежать совсем другое. |
|
|
Primorskiy
|
| киев писал: | | Сделай, как говорю... |
в смысле? на имс маркировка читаема была и пайка заводская и схема есть, а вы говорите менять на другой номер?
попробовать можно, но тогда получается продают имс с не той маркировкой, хотя от чинайцев всего можно ожидать  |
|
киев
Прислонившийся
Сообщения: 6953
|
| Primorskiy, ну русским по-белому ведь пишу - если 5 н. на земле, отцепи и кинь RC цепочкой на 2 н. - возможен перемаркер, поскольку 5521 дешевле. |
|

|