| Автор | Сообщение |
|
kipia5
|
БП: STR G5653 (N801)
Транз.CP: TT2246
Проц: 8891CSBNG6KF8 (N202)
Память FM24с16
Схема отчасти подходит с ETA-1R (по процу, обозначениям и остальному, только в моей схеме память 24с16 и др. мелкие отличия) ETA-1R здесь http://monitor.net.ru/forum/service-manual-85-30.html
Был сгоревший БП (STR G5653, R803 0.22 Ом; R801 2R2x10W, R804 680 Ом; С810 680p x 2kV, VD806 AK03 заменил на 1N5819; заменил RG2 на UF5408.
Восстановил БП, проверены все электролиты (ёмкость и ESR), менять не было необходимости.
Был пробит ТТ2246 (заменил).
Задача: на колекторе транзистора СР нет нужной амплитуды и формы импульсов и он сильно нагревается втечении 2мин, что к радиатору (где-то градусов 80) нельзя прикоснуться. Соответственно нет высокого. Обвязку проверил. Внешним навесным монтажём подключал другой ТДКС, всё-равно транзистор сильно греется и на коллекторе нет нужной формы и амплитуды сигнала. Ниже прилагаю два скриншота осциоллограмм на базе и на коллекторе данного транзистора.
ТВ включается, слушается кнопок пульта и клавиш. Звук есть. Входит и выходит из деж.режима путём нажатия кн.Power на ПДУ. Отключив цепь подачи напряжения с ТДКС на КР, подавал с внешнего 26В на LA78040 и на кадровых катушках был нормальный 50-ти Гц сигнал (пилы) при включенном ТВ (так убедился что ИМС la78040 (N301) рабочая. Процесор живой.
Отклоняющая не причём, т.к. с отсоединённой оской TT2246 также сильно греется.
С БП напруги есть: 134v;16.8V; 10.9Vl 19.9V; 4.73 (транз.стабилизатор) 5V-2; 4.9v (енка) 5V-1.


развёртки.jpg 82.65 КБ Скачано: 257 раз(а)
|
|
litam
Завсегдатай
Сообщения: 989
|
| kipia5 писал: | | : на колекторе транзистора СР нет нужной амплитуды и формы импульсов и он сильно нагревается втечении 2мин, что к радиатору (где-то градусов 80) нельзя прикоснуться. . |
+В сколько в этот момент? |
|
валентин-сибиряк
Фанат форума
Сообщения: 8851
|
| Питатель вылетел,НОТ завернулся.Ящик грозовой? |
|
|
kipia5
|
Неизвестно грозовой или нет. Напряжения я все написал постом выше и они не меняются (+В=134В), разве что в деж.режиме +В=60В
В коллекторной цепи всего два конденсатора С435 7200р Х 1,6кВ и С436 1000р х 2кВ (их проверил на ёмкость) и подключение к ТДКС и на строчные катушки. Не понятно из-за чего нагревается строчный VT и почему нет с-ла на коллекторе размахом где-то 120В, когда на базе присутствует с-л частотой 16кГц? |
|
litam
Завсегдатай
Сообщения: 989
|
| Раз +В не просаживается,- может HOT фуфловый. |
|
|
kipia5
|
| Покупал новый. При прозвонке как обычный обратный биполярный транзистор (без встроенного диода) звонится. Таких больше нет, только под заказ могу достать. На какой временно можно его заменить, пожалуйста уточните? Завтра вместо него поставлю BU508 |
|
litam
Завсегдатай
Сообщения: 989
|
| kipia5 писал: | | Покупал новый. При прозвонке как обычный обратный биполярный транзистор (без встроенного диода) звонится. |
Так вроде с диодом должен стоять по идее. |
|
|
ether
|
| kipia5 писал: | | почему нет с-ла на коллекторе размахом где-то 120В, ? |
Там должно быть 1100в.
Транзистор должен быть с диодом. Или внешний демпфер поставь.
А вообще, твоя осциллограмма с коллектора НОТа - классика витконутого ТДКСа. Эти затухающие колебания...
С донором ничего не напутал? Для проверки сюда лучше всего идут ТВС-110ПЦ15 с 3УСЦТ. Подключается только коллекторная обмотка.
Когда подпаивал на проводах другой ТДКС, старый выпаивал? |
|
|
kipia5
|
| Старый ТДКС не выпаивал. Я отсоединил цепь идущую с вывода обмотки ТДКС на коллектор ТТ2246, а исправный, выпаяный с рабочей платы ТДКС на него подавал +В а другой вывод обмотки подсоединил на коллектор моего ТТ2246 (все остальные выводы данного ТДКС в воздухе). Осциолограмы те же (нет сигнала нужной формы и амплитуды на коллекторе), транзистор греется. Значит не в ТДКС дело?! |
|
gilan
Модератор
Сообщения: 1748
|
| Транзистор фуфло. Можно поставить любой ходовой строчный, 2sd1555, 2sd2499 или bu508d, например. Место под большой транзистор есть? |
|
kvn51
Завсегдатай
Сообщения: 600
|
| kipia5, а что мешает выпаять TDKC и подключить к исправному шасси и посмотреть форму импульсов и сразу все решиться. |
|
|
kipia5
|
| Доброе утро. Спасибо всем и огромная благодарность litam. Вместо ТТ2246 установил BU508А и всё нормализовалось (появился сигнал нужной формы и амплитуды свыше 1000В), появилось высокое напряжение. ТТ2246 звонится как исправный он без диода, BU508А также без диода и без резистора между база-эмитер. Поставил на прогонку на 3 часа. |
|
litam
Завсегдатай
Сообщения: 989
|
kipia5, если с коллектора HOT диода на землю нету, то транзистор ИМХО должен стоять с диодом.
TT2246 могут быть и с диодом, и без диода внутри. |
|
|
kipia5
|
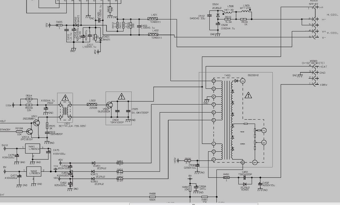
смотрите схему (кусок схемы в первом посте я прикрепи:л строч.транз ТТ2246.jpg ). Проработал отлично, завтра буду отдавать.
Как отметить тему решённой? |
|
SASHATOD
Фанат форума
Сообщения: 9885
|
kipia5, Покажи мене на куске схемы диодный модулятор?  |
|
litam
Завсегдатай
Сообщения: 989
|
| kipia5 писал: | | смотрите схему строч.транз ТТ2246 |
Ты русский язык понимаеш?,- они выпускаются с завода и с диодом внутри, и без диода.
Исходя из схемы твоей,- тут должен стоять транзистор с диодом внутри. |
|
iv-9
Фанат форума
Сообщения: 6347
|
kipia5, оставишь привет следующему мастеру? Хотя бы резистор Б-Э добавь
Кстати, на твоей тупой схеме, где HOT даже не запитан от +B, указан 2SD1651. Любой мастер знает, что в нем есть диод и резистор. |
|
|
kipia5
|
iv-9, Всё прекрасно работает на BU508A. То что я прикрепил не родную схему, на которой нарисован 2SD1651, это из-за того, что родной схемы не нашёл, в которой бы стоял ТТ2246.
Что есть то есть, такова схема данного узла ТВ в этой модели. Он в ремонте до меня не был, я выпаял ТТ2246, заказал новый, прозвонил (он без диода и резистора Б-Э). В паял- не работает. Поставил BU508AF тоже без диода и резистора- всё работает вторые сутки.
В коллекторной цепи только два конденсатора высоковольтных и соединение с обмоткой ТДКС.
развёртки.jpg 82.65 КБ Скачано: 311 раз(а)
|
|
gilan
Модератор
Сообщения: 1748
|
| gilan писал: | | Можно поставить любой ходовой строчный, 2sd1555, 2sd2499 или bu508d, например. |
Написал же- строчный.
| litam писал: |
Ты русский язык понимаеш? |
Нет, не понимает.
| iv-9 писал: | оставишь привет следующему мастеру?  |
Он не видел, как "прекрасно работающий BU508A" вылетает. Опыта нет. Не понимает назначение диода и резистора в строчном транзисторе. |
|
SASHATOD
Фанат форума
Сообщения: 9885
|
|