| Автор | Сообщение |
kulek
Передовик
Сообщения: 1250
|
Изображение сдвинуто вправо, графика в норме, цвет нестабильный и искаженный. Прошивку обновил, СИОХ норма. Что может быть?  |
|
ФАН
Завсегдатай
Сообщения: 331
|
| На 3УСЦТ такая хрень вызывалась неправильной установкой фазы или проблемами в строчной развёртке.Т.к. велосипед(телевизор) по новому не изобрели, то возможно причина в этом. |
|
|
Jurij Portnjagin
|
ФАН, Володе от этого легче не стало. В этом аппарате нет ХА11, да и подстроичников тоже, так что надо по существу.  |
|
kulek
Передовик
Сообщения: 1250
|
Jurij Portnjagin,
Сегодня еще один привезли.
Выгорело:
L4978
SDA5273
MSP3410
VPC3230D
и еще какая то лажа осталась  |
|
|
Jurij Portnjagin
|
kulek, и как же ты это менять собрался?  |
|
Wlad
Завсегдатай
Сообщения: 347
|
| А VPC точно живая? У меня была похожая проблема с полудохлой микросхемой. |
|
kulek
Передовик
Сообщения: 1250
|
Wlad, на подставу исправного блока нет так что утверждать ничего не могу |
|
|
Гость
|
А в AV режиме? А в PALе и Sekamе? И намного сдвинуто? А в сервисе рулится? Страсть как Шарпы люблю...Информа чуть-чуть побольше, пожалуйста.  |
|
|
b
|
| проблема не в железе,а только в NVM |
|
|
b
|
Гость, там можно так нарулить,что потом и на заводе не разрулят  |
|
kulek
Передовик
Сообщения: 1250
|
| Anonymous писал: | ...Страсть как Шарпы люблю...Информа чуть-чуть побольше, пожалуйста.  |
что ж я очень рад твоей любви
Графика на экране (и в сервисном меню клетки) в норме. Сдвинута фаза вправо где то на 20 см. Заворота нет ( т.е. просто отсутствует правая часть, а слева изображение начинается на 20 см позже положенного. В сервисе ничего хорошего связанного с фазой нет.
Прошивка у меня с этого апппарата была сохранена полгода назад и проблема с ней остается ( также я стирал обе памяти - ничего в лучшую сторону не изменилось). Вот такие уточнения... |
|
|
Гость
|
b, Володя не первый раз Шарп видит, так что думаю прошивку пробывал качественнее не куда.
И вообще я не имел ввиду взять и в сервисе "подправить" это дело... А чего так категорически - NVM? Шарпик сам чудно её пустую прописывает, даже завод мона не беспокоить... |
|
|
Гость
|
kulek, а какое чудо попалось - 64S (SDE?), или ещё чего? Имею сейчас с DA100 самые интимные отношения - могу прошивку сбросить. Да и вопросы задаю, не прикола ради, хочется
и тебе помочь - и себе наука... |
|
|
AlexM
|
| Соглашусь с b начинать нужно с NVM. |
|
kulek
Передовик
Сообщения: 1250
|
| AlexM писал: | | Соглашусь с b начинать нужно не с паяльника. |
- с кувалды?
или что то новое придумали?
Ящик называется 81GF-66E.
Прошивки есть оригинал - так что дело не в ней. |
|
|
AlexM
|
| kulek писал: | | AlexM писал: | | начинать нужно не с паяльника. |
- с кувалды?. |
Можно и так, вообще лучше пользоваться тем инструментом, которым хорошо владеешь.
| kulek писал: | | Прошивки есть оригинал - так что дело не в ней. |
Вам виднее. Напрасно Вы удалили тему о EEPROM, самому пригодилось бы . Хотя видимо у модераторов какие то другие цели. Удачи! |
|
|
Гость
|
| Может Wlad, и прав насчет VPC, если с разных входов V, одно и тоже. Фазу помнится мне сдвигало похоже, так кварц у DDP выделывался (нагреваешь его - ещё дальше ползло) но уползало всё сразу, вместе с графикой . Я ж спросил робко: с видео там попробывать, с RGB, али в системе другой...может что и подскажет. Поскольку блока целиком нету, паять "на попробывать" - утомительно...насчет прошивки b, AlexM, просветите что ли, если знаете чего, а то сразу NVM под кувалду... |
|
kulek
Передовик
Сообщения: 1250
|
VPC... заменил - не помогло
Заметил неприятную вещь - строчный транзистор сгорает через полчаса работы телика
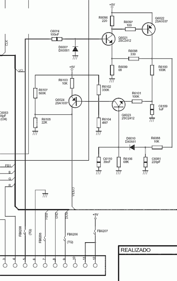
Кто мне скажет - зачем вот эта схемка в этом ящике ( в 100 -герцовом блоке)
da100w.gif 60.75 КБ Скачано: 2587 раз(а)
|
|
|
Гость
|
Ага, мне тоже это приглянулось. Особенно дальше с Q6024 на IC6006, превратилось в DUM и
на IC503...коррекция - стабилизация? Кто знает что такое DUM? |
|
|
AlexM
|
kulek, Пришлите мне Ваши прошивки ,если будет время, посмотрю на выходных.
Добавлено 03-09-2004 10:13
Да, ещё посмотрите нет ли проблем с различными режимами звука, тембр, стерео и т.д. |
|