ESpec - мир электроники для профессионалов


усилитель звука R2A15120FA

  Список форумов » Электроника от А до Я

Следующая тема · Предыдущая тема
АвторСообщение
Efrik 
Бывалый
Сообщения: 38
 
Сообщение #1 От 28/08/2018 12:51 цитата  

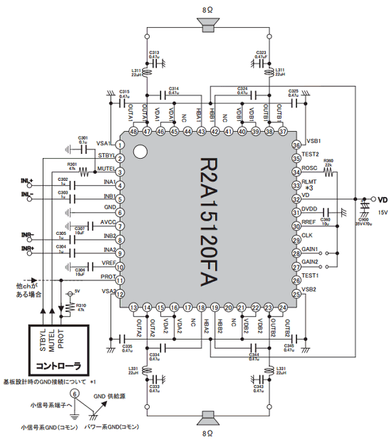
подскажите пожалуйста, на 3 ноге (mute) в зависимости от включения или выключения звука напяжение меняется от 0.1(звук выкл) до 0.7(звук вкл) вольта. Напяжение перед сопротивлением R301 меняется соответственно от 0.1 до 4.8 вольта. если поднять 3 ногу в воздух то она относительно корпуса звонится как прямой переход диода , мультметр показывает падение около 0.9 В
Прав ли я считая что данная микросхема убита?
(звука естественно на аппарате нет)

  882550-DI1.gif  47.8 КБ  Скачано: 1718 раз(а)
Kolupalkin 
Завсегдатай
Сообщения: 914
 
Сообщение #2 От 28/08/2018 16:04 цитата  

Efrik писал:

Прав ли я считая что данная микросхема убита?
(звука естественно на аппарате нет)

Скорее не прав подмигивание
Набери в поисковике свой мелкосхем -
И про клей и про конденсаторы всё давно уже разжевали !
Efrik 
Бывалый
Сообщения: 38
 
Сообщение #3 От 28/08/2018 17:03 цитата  

сопрот через который идет mute клеем залит не был, а вот конденсатор ( на схеме С301) так и не смог вызвонить.
поэтому и написал эту тему
может на конденсатор оборвана дорожка и стоит просто навесить на 3 ногу такой же емкости?
клей убрал
Kolupalkin 
Завсегдатай
Сообщения: 914
 
Сообщение #4 От 28/08/2018 17:54 цитата  

Efrik писал:

клей убрал

А дальше, это для кого?
Kolupalkin писал:

Набери в поисковике свой мелкосхем -
И про клей и про конденсаторы всё давно уже разжевали !
Efrik 
Бывалый
Сообщения: 38
 
Сообщение #5 От 28/08/2018 18:18 цитата  

http://xn----8sbafotoqlagnhme.xn--p1ai/forums/threads/shivaki-stv-19ledg7-chassis-msd308pv7-0-a-%D0%B7%D0%B2%D1%83%D0%BA-%D0%BF%D0%BE%D1%8F%D0%B2%D0%BB%D1%8F%D0%B5%D1%82%D1%81%D1%8F-%D1%87%D0%B5%D1%80%D0%B5%D0%B7-20-30-%D0%BC%D0%B8%D0%BD%D1%83%D1%82.3436/

нашел вот это, но у меня просто убрал клей и все заработало не получается
Kolupalkin 
Завсегдатай
Сообщения: 914
 
Сообщение #6 От 28/08/2018 18:44 цитата  

Efrik, Хреновый из тебя искатель тыц!
Efrik 
Бывалый
Сообщения: 38
 
Сообщение #7 От 28/08/2018 19:14 цитата  

да искатель оказался хреновый
Большое спасибо за ссылку
как добьюсь победы, отпишусь
MIXAH 
Заглянувший
Сообщения: 2
 
Сообщение #8 От 07/09/2019 10:37 цитата  

Спасибо за схемку!у меня оборвался резак (под клеем) между 12в и второй ногой(stby) R2A1520FA

Перейти: 
Следующая тема · Предыдущая тема
Показать/скрыть Ваши права в разделе

Интересное от ESpec


Другие темы раздела Электроника от А до Я

8


Rambler's Top100 Рейтинг@Mail.ru liveinternet.ru