| Автор | Сообщение |
|
wss60
|
Горизонт - 72CTV-698T (схема)
процессор - TDA9563H/N1/3
звук - MSP3410G
БП: MC44608P, 2SK2545
Строч. Разв: ТДКС - TLF158-03B, HOT - BU508B
кадр.р - TDA8359
кинескоп - THOMSON A68ELA011X001
видео усл. - TDA6108JF
Tuner - PHILIPS UV1316
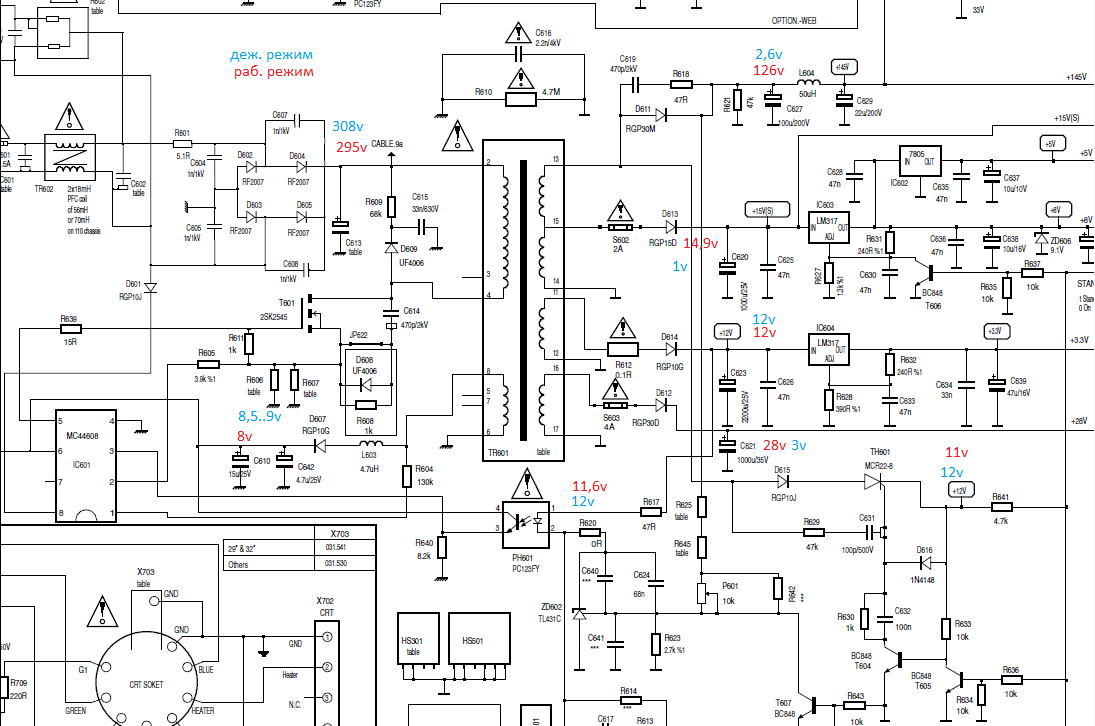
Не включается - перегорел сетевой предохранитель. Диодный мост, транзистор БП (T601), и диоды на выходе целые!
Первый пуск через лампочку (40W) с отключенными вторичными цепями – БП запустился! Пуск на прямую с нагрузкой (лампочка 40W) – запустился. На выходе +B 126V.
В строчной развертке заменены: высохшие конденсаторы (C502, C504), пропаян: (висящий на одной ноге) диод D507 и остальные силовые элементы.
Телевизор запустился - изображение нормальное, +B 125,5V.
Но на ярких моментах растр сужается по горизонтали, при этом падает напряжение +B с 126V до 110V в месте с ним и остальные напряжения БП!
Замена конденсаторов: C627 по +B, C613 на входе и TL431 ничего не дала…
С 75W лампочкой в нагрузке БП (с отключенными вторичными цепями) не запускается!
С 40 ваттной лампочкой в нагрузке БП запускается, при этом, если еще подключить лампочку на 75W БП продолжает работать! На выходе +B 125,5V!
Какую нагрузку должен выдерживать данный БП? Сколько лампочек еще вешать?
Такая неисправность впервые!
Напряжение БП в дежурном и рабочем режимах:
напряжения БП.PNG 173.76 КБ Скачано: 549 раз(а)
|
|
MASTER+
Фанат форума
Сообщения: 3299
|
| wss60, сними лампу, не мучай шасси. |
|
|
wss60
|
|
Бакум
Рождённый в СССР
Сообщения: 12733
|
wss60, Да в прямом, что за бред..... зачем ты ее вешаешь??? | Цитата: | | Телевизор запустился - изображение нормальное, +B 125,5V. |
|
|
|
wss60
|
А как с этим?
| wss60 писал: |
Но на ярких моментах растр сужается по горизонтали, при этом падает напряжение +B с 126V до 110V в месте с ним и остальные напряжения БП!
|
Я пытаюсь определить, где проблема: в БП или в сточной развертке?
Вот и мучаю пока БП
Кстати в схеме указано +B 145V? |
|
JYRIJJ
Спец-агент
Сообщения: 4741
|
wss60, Включяй без лампочки  |
|
answer
Передовик
Сообщения: 1885
|
+В лучше всего определить по питанию накала кинескопа, около 22В в амплитуде.
А про нагрузку тебе расскажет задняя крышка. |
|
MASTER+
Фанат форума
Сообщения: 3299
|
| wss60 писал: |
Вот и мучаю пока БП |
Тупо не знать, что БП на оптопаре нельзя включать на лампу.
С плоской трубой, надпись +В на твоей схеме недействительна. |
|
|
wss60
|
Везде пишут: с лампой, через лампу? А тут оказывается…
И как в таких случаях проверять БП? |
|
aze1959
Распугиватель "гениев"
Сообщения: 6574
|
wss60, а заменить С610 и C642 не догадался? но номинал должен быть точно такой же! R606, R607 проверил заменой?
ДОБАВЛЕНО 15/12/2012 12:59
| wss60 писал: | Везде пишут: с лампой, через лампу? А тут оказывается…
И как в таких случаях проверять БП? |
на "горячую" можно. |
|
iv-9
Фанат форума
Сообщения: 6360
|
| wss60 писал: |
Не включается - перегорел сетевой предохранитель. Диодный мост, транзистор БП (T601), и диоды на выходе целые! |
Ну, а причина сгорания Пр? Позистор, сетевая банка? |
|
aze1959
Распугиватель "гениев"
Сообщения: 6574
|
| методика такая. эмулируешь команду РР с проца на оптопару. Припаиваешь один контакт лампы. 40 ватт. включаешь. припаиваешь второй контакт. замеряешь В+. Затем припаиваешь вторую лампу 40-60 ватт. Замеряешь В+. если напряжение изменилось незначительно-то ИП держит нагрузку. Если нет... сам догадайся |
|
|
wss60
|
| aze1959 писал: | | на "горячую" можно. |
На выходе как проверять?
C642 на плате нету! C610 на 15мкрф. Ставил 2 по 10мкрф – без изменений.
| Цитата: | | методика такая. эмулируешь команду РР с проца на оптопару. Припаиваешь один контакт лампы. 40 ватт. включаешь. припаиваешь второй контакт. замеряешь В+. Затем припаиваешь вторую лампу 40-60 ватт. Замеряешь В+. если напряжение изменилось незначительно-то ИП держит нагрузку. Если нет... сам догадайся |
Все так и делал - см.1 пост!
Банка на входе тоже заменена! |
|
aze1959
Распугиватель "гениев"
Сообщения: 6574
|
| wss60, надо полагать ИП держит нагрузку... |
|
|
wss60
|
Похоже, что так…
Буду “копать” в сторону строчной развертки… |
|
MASTER+
Фанат форума
Сообщения: 3299
|
| wss60 писал: | Похоже, что так…
Буду “копать” в сторону строчной развертки… |
В рабочем аппарате.  |
|
|
мухтар
|
| Оставь в покое БП. Копай ОТЛ |
|
Барон
Завсегдатай
Сообщения: 536
|
| MASTER+ писал: | | Тупо не знать, что БП на оптопаре нельзя включать на лампу. | Это что за новшество?. Толя, обоснуй свое открытие. |
|
MASTER+
Фанат форума
Сообщения: 3299
|
Барон, это не новшество, лампу надо вешать после выхода БП в режим ON. В ДР - не вешают.
Этот БП должен работать на ХХ, без ламп.
ДОБАВЛЕНО 15/12/2012 21:41
Неисправность там, с чем пришёл ТВ. |
|
makeym
Фанат форума
Сообщения: 9737
|
| мухтар писал: | | Оставь в покое БП. Копай ОТЛ |
Уверен? ОТЛ - ТАК НЕ ПАХАЕТ!
(Но на ярких моментах растр сужается по горизонтали, при этом падает напряжение +B с 126V до 110V в месте с ним и остальные напряжения БП!) |
|