| Автор | Сообщение |
|
amir1
|
Вопрос опытным.
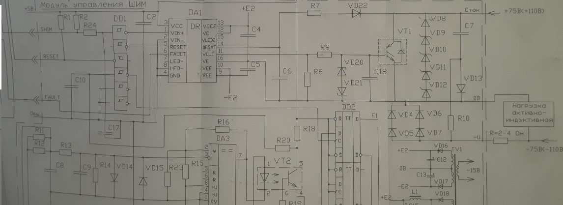
В прикрепленном файле показал часть схемы, ограничение входного сигнала, в данной схеме по уровню плюс минус 15 вольт. Стабилитрон в красном кружке VD20 пробит на коротко, а второй VD21 в обрыве.
По цветовой маркировке по цвету в торце корпуса не понятно, если, серая - КС405А на Uст = 6,2в., или голубая - 2С218Ж на Uст = 18в. Но ограничение в схеме по уровню (+-)15 вольт, то есть и первый и второй не совпадают.
Какой из этих стабилитронов правильный?

|
|
БЕЗЫМЯННЫЙ
Бегущий по граблям
Сообщения: 7608
|
| Не знаю насчет отечественных стабилитронов в затворных цепях, импортные встречал и 15 и 18 в причем оба одинаковые. Возьмите для примера кусок схемы практически любого сварочного инвертора. |
|
toto
Фанат форума
Сообщения: 3288
|
amir1,
какая разница? поставь пару в мет корпусе - они только в кз дохнут |
|
|
amir1
|
toto,
Амплитуда сигнала роли ни будет играть? |
|
toto
Фанат форума
Сообщения: 3288
|
amir1,
откуда я знаю?
я только указал на то, что порвать в разрыв совковые стабилатроны в мет корпусе мне не удалось. они все уходят в кз - отличная защита от перенапряжения.
я ж даже не знаю, откуда кусок этой схемы |
|
|
amir1
|
Ок!
Внизу большая часть схемы от данного модуля управление ШИМ.
VT1 целый.
P20316-092043.jpg 147.04 КБ Скачано: 255 раз(а)
|
|
toto
Фанат форума
Сообщения: 3288
|
amir1,
руки не дошли, завтра гляну |
|
toto
Фанат форума
Сообщения: 3288
|
amir1,
варианта два:
1 - стабилитроны защищают затвор транзистора, надо посмотреть какое максимальное напряжение на затворе.
2 - защита микрухи при пробое транзистора. |
|
|
amir1
|
Ок.
Около 12 вольт на затворе, поставлю два на Uст = 15 Вольт. |
|