| Автор | Сообщение |
|
sfinks010
|
Телевизор LG LM660s, шасси ld22e.
Очень нужен вывод звука аналогового, но не с наушников (большие шумы), для подключения внешнего усилителя.
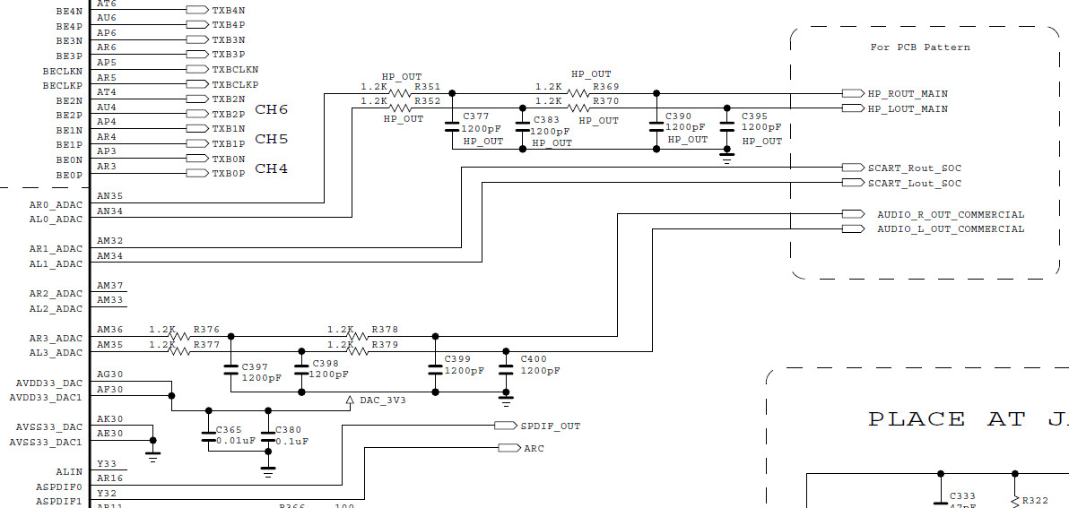
Для вывода аналогового звука, сделал дополнительный выход от Audio_R(L)_Out_Commercial, выходы процессора AR3_ADAC, AL3_ADAC. Третий служебный канал доп. вывода Audio.
Все детали (R376-R379, C397-C400) этой цепи на плате уже были установлены на заводе. Запаял только C7006 и C7007 на выходе.
Может кто знает как поменять параметры в "служебном меню", чтобы вывести звук на выход Out_Commercial.
Схемы -
Audio_Out_Commertial.jpg 144.03 КБ Скачано: 250 раз(а)
Audio_Out_Commertial2.jpg 55.52 КБ Скачано: 250 раз(а)
|
|
|
sfinks010
|
Очень нужен вывод звука аналогового, но не с наушников (большие шумы), для подключения внешнего усилителя.
Вывод через SPDIF,через DAC конвертер не желателен...
Телевизор LG LM660s , 2012 года, шасси ld22e.
Для этого, для вывода аналогового звука (токого же что и по SPDIF) , сделал дополнительный выход.
На плате сделал выход от Audio_R_Out_Commercial:Audio_R_Out_Commercial, (выходы процессора AR3_ADAC, AL3_ADAC).
Как понимаю это третий служебный канал дополнительного вывода Audio.
Все детали (R376-R379, C397-C400) этой цепи на плате уже были установлены на заводе. Запаял только C7006 и C7007 на выходе.
Но звука на выходе нет. Может кто знает как поменять параметры в "служебном меню", чтобы вывести звук на выход Out_Commercial.
Изображения схемы прилагаются...
Audio_Out_Commertial.jpg 144.03 КБ Скачано: 234 раз(а)
Audio_Out_Commertial2.jpg 55.52 КБ Скачано: 252 раз(а)
|
|
|
sfinks010
|
Телевизор LG LM660s , 2012 года, шасси ld22e.
Очень нужен вывод звука аналогового, но не с наушников (большие шумы), для подключения RF наушников.
Вывод через SPDIF,через DAC конвертер не желателен...
Для этого, для вывода аналогового звука (такого же что и по SPDIF) , сделал дополнительный выход.
На плате сделал выход от Audio_R_Out_Commercial:Audio_R_Out_Commercial, (выходы процессора AR3_ADAC, AL3_ADAC).
Как понимаю это третий служебный канал дополнительного вывода Audio.
Все детали (R376-R379, C397-C400) этой цепи на плате уже были установлены на заводе. Запаял только C7006 и C7007 на выходе.
Но звука на выходе нет. Может кто знает как поменять параметры в "служебном меню", чтобы вывести звук на выход Out_Commercial.
Схемы -
Audio_Out_Commertial.jpg 144.03 КБ Скачано: 241 раз(а)
Audio_Out_Commertial2.jpg 55.52 КБ Скачано: 245 раз(а)
|
|
|
toctoctoc
|
Ищу схему на телевизор LG42M660T
Добрый день.Помогите найти схему на телевизор LG 42LM660T-ZA шасси LD22E.Заранее блогадарен. |
|
Yuritsh
Фанат форума
Сообщения: 18498
|
|
|
dasmodell
|
42LM580 - подсветка горит 2е секунды и гаснет.
LG 42LM580S-ZA
ШАССИ: LD22E
Резко перестала работать подсветка. Изображение на солнце видно. Разобрал, на P203 вроде бы были все питания. Полез искать в матрицу диоды, нашел, все битые. 60 штук. Идентифицировать сами кристаллы не смог. Решил менять на очень похожие внешне 5730-05 http://led22.ru/pdf/5730-05.pdf . В ручную все перепаял. Проблема - подсветка горит 2-3 секунды и гаснет. Пропадает 2,1В с затворов (G1-G6) транзисторов Q801-Q806. И вторая Проблема - пока думал как запитать отдельно ключи транзисторы мимо драйвера, умер сам блок питания. Все что смог найти это - область схемы - транзистор Q501. На конденсаторе C504 есть 15В а на C509 меньше 1В. Помогите с обоими проблемами. Если что не так написал, извините. пишу первый раз да и сам инженер холодильного оборудования...
| P_20160105_094905.jpg |
| Описание: |
| плата питания и драйвера LED | |
| Размер файла: |
423.45 КБ |
| Просмотрено: |
287 раз(а) |

|
pldf-l103a__lgp4247l-12lpb___fan7930bmx-g_l6599ad_str_a6059h_uc2843bd1__190.pdf 710.48 КБ Скачано: 457 раз(а)
|
|
REKKA
Фанат форума
Сообщения: 3722
|
| Вы, по току потребления(больше) взяли не те диоды этим и убили ПОКА БП |
|
|
dasmodell
|
| REKKA, как вы это определили? |
|
REKKA
Фанат форума
Сообщения: 3722
|
| Отдайте его пока мастеру что -бы, он его сделал иначе еще больше дров наломаете Еще, неизвестно что, с ИНВЕРТОРОМ .Он тоже может пойти за БП |
|
Sacha29
Передовик
Сообщения: 1045
|
интересно как так все 60 шт не исправны были.Первый раз токое слышу.И лыжа вроде). |
|
Telik
Модератор
Сообщения: 1962
|
| Конечно, не может быть, чтоб все 60 сдохли! Один сдыхает и цепь разрывается.. Проблема явно в питании была изначально... |
|
Sacha29
Передовик
Сообщения: 1045
|
Telik, Да это точно.Автор не зная как проверить.Поменял все.И на более энергоемкие.
Явно не явно,но автор сглупил. |
|
REKKA
Фанат форума
Сообщения: 3722
|
| Sacha29, читай дальше .......автор поигрался еще с ключами. Теперь надо аппарат поднимать от А до Я. От БП до МАТРИЦЫ |
|
Sacha29
Передовик
Сообщения: 1045
|
| Жалко аппарат.Просто надо бы ему в мастерскую унести. |
|
victorx
Передовик
Сообщения: 2116
|
60 шт..я подумал что существуют панели где светодиоды в параллель стоят  |
|
|
dasmodell
|
| Sacha29, Telik, я извиняюсь а если - 60 диодов объеденены в 6ть групп по 10 в каждой. Ни одна группа отдельно и не один диод отдельно не горел, тестором не прозванивался. Плюс визуалтно в КАЖДОМ кристале была чорная точка от усика (от анода к катоду). Я думаю вопрос исчерпан. Кто нибудь, подскажите с транзистором вопрос. |
|
|
kitkaz
|
| Эти диоды тестером не прозваниваются, но в твоем случае можно прозвонить каждый диод отдельно так- если есть лабораторный БП, убираем ток в 0, напряжение 5В, не знаю паспортный ток этих диодов, но 5 мА им хватает. Либо берем зарядник 5В для телефона и ограничиваем ток до 5 мА . Чтобы 60 диодов сгорело не верю. Инвертор в этом ТВ наворочен и с защитами, довольно сложный. На С509 13.7V, на С504 16V |
|