| Автор | Сообщение |
kolya-zerber49
Завсегдатай
Сообщения: 771
|
Ultimat, я не занимаюсь химией - и тебе не советую! Ищи свои 5V на 22 ноге! Взял тестер и пошёл по ней - что сложного-то?  |
|
Santei
Передовик
Сообщения: 2630
|
| Ultimat, Хватит тут пиз....ть. Развод чистой воды..... |
|
|
Ultimat
|
| на резистере который перед ним тоже нет напруги, резистор целый соответствует 10 k как на схеме. может транзистор сгорел который перед резистором, только как бы это проверить |
|
kolya-zerber49
Завсегдатай
Сообщения: 771
|
Какой транзистор стоит? p-n-p, n-p-n, полевой, составной, цифровой? Почему не пишешь сразу? Транзисторы знаешь как проверяют тестером?  |
|
|
Ultimat
|
транзистор согласно схеме KTC3265 биполярный наверное, n-p-n типа и тестер у меня есть на нем значит есть 8 отверстий для транзисторов это только как туда трагзистор пихать это для режим hFE .
ДОБАВЛЕНО 09/11/2010 10:57
я по этому транзистору нашел в интернете Hfe вот это 100MIN, и где у него какие концы показано, дак мне его выпаивать и проводки припаять что бы в прибор засунуть или можно проводки подлинее в тестер воткнуть а потом уже непосредственно на плате проверять не выпаивая транзистара. |
|
kolya-zerber49
Завсегдатай
Сообщения: 771
|
| Проверяй не выпаивая! На базе твоего КТС3265 есть 5 V? |
|
|
Ultimat
|
| на базе 0в а если включить функцию mute то 0.6в перед базой стоит еще один резистор тоже 10k (проверил тестером соответствует)на него подается напряжение 3,8в при включенной функции муте, а при выключено напряжение пропадает. |
|
|
Ultimat
|
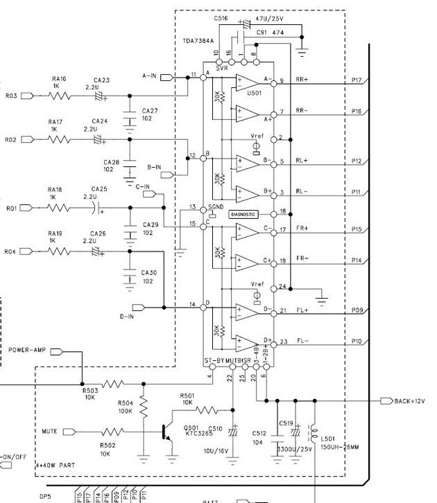
Вот схема для наглядности
схема.jpg 95.85 КБ Скачано: 623 раз(а)
|
|
kolya-zerber49
Завсегдатай
Сообщения: 771
|
| Проверяй Q501 и C510 (заменой). MUTE откуда вываливается? С проца или еще какого транзистора? |
|
|
Ultimat
|
| дак MUTE целое есть же 3,8в на R502 при включенной функции муте, а при выключено напряжение пропадает. Q501 первый как проверить выпаивать или нет? и как кондер проверить C510 ? |
|
pabel
Фанат форума
Сообщения: 5471
|
Ultimat, | Цитата: | | Q501 первый как проверить выпаивать или нет? |
Выпаивай.
| Цитата: | | и как кондер проверить C510 ? |
Другим поменяй.
 |
|
|
Ultimat
|
| C510 на плате находиться СS 4.7 это я понимаю 4.7 мкФ, а на схеме совсем другое 10u это мне какой вместо него припаять на 10 мкФ пойдет? |
|
kolya-zerber49
Завсегдатай
Сообщения: 771
|
10 мкФ х 16 V
Полярность не перепутай мастер.  |
|
|
Ultimat
|
| припаял я C510 10 мкФ теперь даже напряжение до 2.5 в поднялось на выходах на колонки. MUTE я посмотрел оно с транзистора идет. |
|
kolya-zerber49
Завсегдатай
Сообщения: 771
|
Ultimat, есть у меня такое предположение - не зделать тебе этого китайца! Если есть желание ремонтом заняться - накачай книг по ремонту, почитай их. У тебя ведь сейчас никаких знаний нет: транзистор не можешь проверить - ну какой ремонт может быть? Без обид  |
|
|
Ultimat
|
kolya-zerber49, я вот тоже думаю отнести в ремонт пускай они с ним мучаются  |
|
|
Ultimat
|
| отдал в ремонт через неделю звонить сказали, мда... долго ждать придется |
|
kolya-zerber49
Завсегдатай
Сообщения: 771
|
читай книжки

|
|
GruVital
Не фанат форума
Сообщения: 4794
|
| Всё! Хорош разводить базар! В мастерскую надо было нести сразу, а после твоих колупаний, готовь повышенную сумму денег за ремонт! |
|
|
Ultimat
|
GruVital, ну и модеры у вас тут настоящие волки, ладно хоть посетители помогают, большое спасибо за ваш замечательный сайт и помощь |
|