| Автор | Сообщение |
|
2serghill
|
| На шасси ЕТЕ-3 конденсатор С812 выгорел, маркировки не осталось. Чем его заменить. |
|
|
AleksandrKN
|
Здравствуйте. Нужен процессор IXB725WJN1. Наличие, цена?
ТВ "Sharp 21L-FG1SF, шасси GA-6. |
|
|
segral
|
Телевизор Sharp 21L-FG1RU не включается
Шасси DUNTKD746WE
Питание STRW5453
Процессор IXB725WJN1
FBT FA113WJ
NOT TT2140
Тюнер QA022WJZZ
Кадровая LA78040N
Немного предистории. Перестал включаться с пульта с первого раза,после н-ного количества попыток иногда включался и работал без проблем,со временем перестал включаться совсем - на мгновение вспыхивал светодиод (как при работе в рабочем режиме) и тут же уходил в дежурный режим,в данный момент при включении кнопки питания на телевизоре начинает мигать светодиод,включения нет,в дежурный режим не переходит.При визуальном осмотре платы вздутых конденсаторов,выгоревших деталей и некачественных паек не обнаружено.Напряжение на сетевой банке - 260в. Выходные напряжения с БП: питание строки В+ 138 в,остальные - пульсируют в такт мигания светодиода на D393 от 12в до 13в,на D752 от 11в до 15в,на D1081 от 10в до 12в,также прослушиваются лёгкие щелчки в TDKS в такт мигания светодиода. При отключении TDKS и NOT и подключении лампочки 220в на 100вт лампочка горит ровным светом,напряжения: В+ 120в, D393 - 13,7в, D752 - 15в, D1081 - 13,7в.Светодиод не мигает и показывает,что телевизор находится в дежурном режиме (но на пульт,естественно,не реагирует). Подозреваю перегруз БП строчной развёрткой,в частности возможным пробоем TDKS. Проверить его нечем,возможно ли для проверки использовать TDKS с другого телевизора (есть FBT с телевизора JVS)? Я не профессионал телемастер (скорее это хобби,но всю свою аппаратуру ремонтирую сам),поэтому прошу не пинать сильно,а по возможности помочь советом.
Ссылка на схему
http://s019.radikal.ru/i620/1512/86/b0878e2ed5ca.jpg |
|
Бакум
Рождённый в СССР
Сообщения: 12732
|
| Цитата: | | Подозреваю перегруз БП строчной развёрткой |
Ну так раздели БП от СР. |
|
|
segral
|
| Так я же написал - при отключении СР от БП и нагрузке БП лампочкой пульсации напруги исчезают |
|
SOS200
Завсегдатай
Сообщения: 342
|
| А что кондёры уже только на вздутость проверяют???))))) |
|
vadim3008
Мастер Добрых Дел
Сообщения: 5819
|
| segral, мультиметр в руки,и пошёл,СР,КР проверяем, а не,кондёры на вздутость,да и где угля побольше! |
|
киев
Прислонившийся
Сообщения: 6953
|
|
KRAB
Распугиватель клиентов
Сообщения: 21704
|
| segral писал: | | Напряжение на сетевой банке - 260в. | - мало при норме сетевого!
Ничего не услышал про автономную работу ИИП на нагрузку (лампу) ... |
|
kvn51
Завсегдатай
Сообщения: 600
|
| KRAB писал: | | Ничего не услышал про автономную работу ИИП на нагрузку (лампу) ... |
и про исправность НОТ также не слышно. |
|
kvn51
Завсегдатай
Сообщения: 600
|
|
|
segral
|
| kvn51 писал: | | KRAB писал: | | Ничего не услышал про автономную работу ИИП на нагрузку (лампу) ... |
и про исправность НОТ также не слышно. |
Ну почему же не слышно,я же написал,что при нагрузке ИБП на лампу
питание В+ равно 120в,пульсации остальных вторичных напряжений исчезают,светодиод не мигает (если не очень понятно написал - извиняюсь) |
|
валентин-сибиряк
Фанат форума
Сообщения: 9049
|
| segral, kvn51дал ссыль,почитай внимательно,может что полезное узнаешь. |
|
|
segral
|
| валентин-сибиряк, именно этим сейчас и занимаюсь,спасибо kvn51 |
|
kvn51
Завсегдатай
Сообщения: 600
|
| segral, по поводу ИБП это ты KRAB, ответил а я тебя спрашивал про НОТ. |
|
|
segral
|
| Всем спасибо за советы,проблему решил. Не тянул ИИП,заменил электролит С719 в обвязке STRW5453,телевизор включается и работает нормально,тему можно закрывать |
|
LordLostr
Модератор
Сообщения: 8673
|
| segral писал: | | Всем спасибо за советы,проблему решил. Не тянул ИИП,заменил электролит С719 в обвязке STRW5453,телевизор включается и работает нормально,тему можно закрывать |
Ну и темы пошли,слов нет.Чёж ты его сразу не проверил.Правила необходимо читать внимательно. Тему перенесу,кому она тут нужна. |
|
киев
Прислонившийся
Сообщения: 6953
|
| Цитата: | | Чёж ты его сразу не проверил. | Апатамушта параллельно ему стоит керамика 1 мкФ и ESR-метр молчит. Я када первый раз на линии нарвался на эту бяку, чуть с ума не сошел.
ДОБАВЛЕНО 24/12/2015 21:31
Болячка мелкая, но подленькая. Я бы тему вернул - ИМХО может комусь пригодиться. |
|
KRAB
Распугиватель клиентов
Сообщения: 21704
|
| segral писал: | | проблему решил. Не тянул ИИП | + | KRAB писал: | | Ничего не услышал про автономную работу ИИП на нагрузку (лампу) ... | ----- нет слов!!! |
|
|
Tohnotic
|
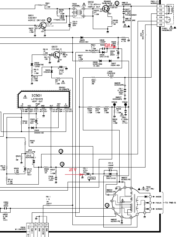
sharp 21L-FG1SA шасси GA-6 Уходит в защиту
Уважаемые Форумчене.
Помогите советом. Аппарат sharp 21L-FG1SA
Дефект такой. Включается, работает несколько секунд. Даже появляется изображение. Потом экран медленно но уверенно заливает красным и уходит в защиту. Из того что сделано.
Померил напряжение. Три - четыре секунды пока не уйдет в защиту хватает для замера. Без оси отклонения (плата снята с телевизора) на кадровую с ТДКС идет 25 вольт как положено, а на видеоусилители платы кинескопа вместо 180 вольт - 110 вольт.
Заменил емкость с604 33мкф 250 вольт. Тоже самое. Отключил питание на плату кинескопа (может думаю транзистор видеоусилителя течет и садит). Тоже самое.
Если бы высокое было слабым тогда и на кадровую напряжение было бы меньше. А так только питание видеоусилителей занижено.
Полная схема здесь http://monitor.espec.ws/section1/topic124705.html
Заранее спасибо за ответ.
| Image 3.jpg |
| Описание: |
|
| Размер файла: |
203.75 КБ |
| Просмотрено: |
475 раз(а) |

|
|
|