БИБЛИОТЕКА
•
ФАЙЛЫ
•
ФОРУМ
•
ССЫЛКИ
•
ЧАТ
Регистрация
•
Вход
Поиск
•
Пользователи
•
Справка
Помогите опознать эелемент
Список форумов
»
Нарушения правил
Следующая тема
·
Предыдущая тема
Автор
Сообщение
Corwin09
Новичок
Сообщения: 24
#1 От 20/03/2012 18:22
цитата
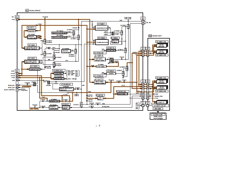
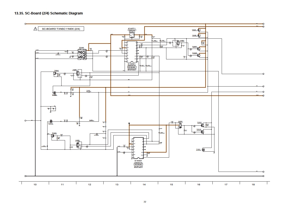
Не могу найти даташит на этот элемент. На схеме обозначается Q16521, на блок-схеме IC16521. Искать оригинал или можно заменить?
ic16521.jpg
95.9 КБ
Скачано: 294 раз(а)
q16521.jpg
124.19 КБ
Скачано: 315 раз(а)
Бакум
Рождённый в СССР
Сообщения: 12732
#2 От 20/03/2012 18:50
цитата
Ты сайтом не ошибся. Тебе сюда
http://www.prisnilos.su/gadanie/gadanie_kofeynaya_gushya.html
ДОБАВЛЕНО 20/03/2012 17:58
ПРАВИЛА СОЗДАНИЯ ТЕМ В РАЗДЕЛЕ
Сообщение Администрации :
ВНИМАНИЕ! В случае игнорирования требований
ПРАВИЛ
раздела - тема будет перемещена в корзину! Просьба ко всем участникам: до исправления темы - от комментариев воздержаться.
Список форумов
»
Нарушения правил
Перейти:
Выберите форум
CRT-телевизоры
LCD-телевизоры и плазменные панели
Проекционные телевизоры
Сервисные меню телевизоров
TFT-мониторы
CRT-мониторы
Настольные компьютеры
Ноутбуки и КПК
Периферийные устройства
DVD-проигрыватели и видеомагнитофоны
Видеокамеры
Фотоаппараты
Стационарные и радиотелефоны
Мобильные телефоны и смартфоны
Стиральные и посудомоечные машины
Холодильники и кондиционеры
Газовые и электроплиты
Микроволновые печи
Газовые котлы
Прочие бытовые приборы
Музыкальные центры и усилители
Автомобильные аудиосистемы
Портативная аудиотехника
Раскодировка
Цифровые приставки, спутниковое оборудование
Измерительные приборы
Медицинская техника
Другая аппаратура
Схемы и сервис-мануалы
Прошивки
Даташиты
Торговые ряды
Стол заказов
Свободное общение
Программаторы
Электроника от А до Я
Мастерская Самоделкина
Программное обеспечение
Новости, обьявления, важные темы
Центр связи и информации
Некомпетентные вопросы
Нарушения правил
Следующая тема
·
Предыдущая тема
Версия для печати
Ваши права в разделе
Вы
не можете
начинать темы
Вы
не можете
отвечать на сообщения
Вы
не можете
редактировать свои сообщения
Вы
не можете
удалять свои сообщения
Вы
не можете
голосовать в опросах
Вы
не можете
добавлять файлы
Вы
можете
скачивать файлы
Интересное от ESpec
Другие темы раздела
Нарушения правил
138941
Chaffoteaux & Maury Mira 24FF Нет розжига
JVC C-210HM нет синхронизации по кадрам.
samsung syns master t220 не запускается
SHARP 21LF90RU шасси 11АК44 нет пуска щелчки высокого тона.
TV DIGITAL PF2125 нет изображения
tv. шасси tr21s09
zzz
zzz
zzz
вега 50у-122с
Видеокамера DCR-DVD106E отключается
ёёёёё
Навоз оптом
Пропала подсветка на мониторе ViewSonic VX2240w
СМА BEKO 25100T нужна прошивка
Треск или хрип или скрежет даже не знаю как назвать
усилок fusion PP-AM9002 по левому каналу пробивает постоянка
ФОРД5000РДС ПОМОГИТЕ С КОДОМ 1
Х-ник Whirlpool ARC 4190/21x неработает вентилятор РЕШЕНО