| Автор | Сообщение |
|
sib5555
|
| Машинка не включается, напряжение 25в постоянки после моста, микросхема стабилизатор выдает 5в. Замеры вроде правильно сделал по отношению 5 ноги микросхемы стаб. (масса кондера С1). Поставил другой трансформер, результат такой же, непойму в чем суть! |
|
Рифат
Обыкновенный человек
Сообщения: 17778
|
| sib5555, откуда ты именно, из Башкортостана? |
|
|
sib5555
|
Сибай
ДОБАВЛЕНО 03/04/2013 12:49
Че-то не пойму, пробывал отдельно трансформер в сеть включать - на выходе 20В переменки.
Естественно при выпрямлении увеличивается.
Вот и получается что 25В после моста.
Смотрю принципиальную схему, там написано 12В - откуда он берется!!!  |
|
|
sergey-swp
|
Диодный мост + конденсатор большой ёмкости и отсутствие нагрузки по линии 12в - а сколько там должно быть? Нагрузи по 12в (на С1) хотя бы той же релюшкой и померь  |
|
mas-ter
Фанат форума
Сообщения: 3987
|
| sib5555 писал: | Вот и получается что 25В после моста.
Смотрю принципиальную схему, там написано 12В - откуда он берется!!! |
Зарисуй схему, может и поймешь, подобное не раз ещё увидешь
.
P.S. Ты правила зачем игнорируешь? |
|
|
Rainfue
|
| sib5555 писал: | | Машинка не включается, напряжение 25в постоянки после моста, микросхема стабилизатор выдает 5в. Замеры вроде правильно сделал по отношению 5 ноги микросхемы стаб. (масса кондера С1). Поставил другой трансформер, результат такой же, непойму в чем суть! |
В мастере 100%. |
|
|
sib5555
|
|
|
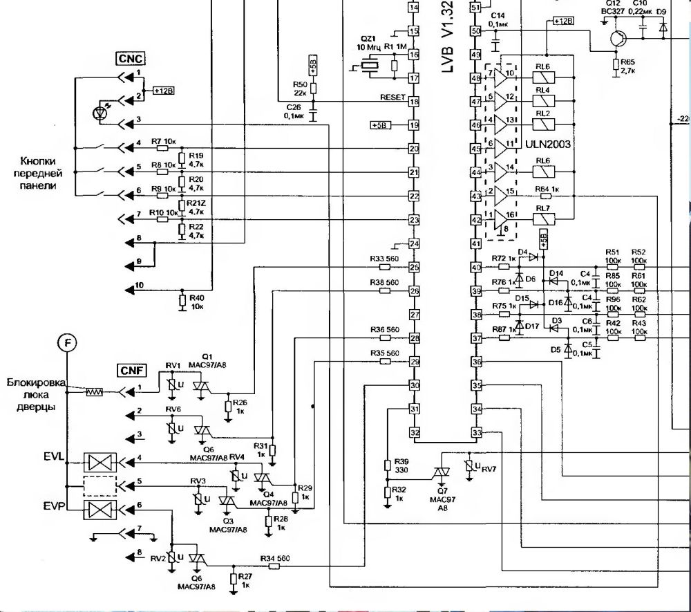
sib5555
|
С индикатором подскажите, куда соединяется, здесь вроде неправильно!
модуль.JPG 141.75 КБ Скачано: 272 раз(а)
|
|
|
sib5555
|
|
Рифат
Обыкновенный человек
Сообщения: 17778
|
капец  |
|
|
kenwilliam
|
Естественно при выпрямлении увеличивается.  |
|