ESpec - мир электроники для профессионалов


LG flatron w1943c опознать микросхему

  Список форумов » Нарушения правил

Следующая тема · Предыдущая тема
АвторСообщение
Jeday 
Участник
Сообщения: 198
Jeday
 
Сообщение #1 От 26/02/2014 13:04 цитата  

Вышел из строя внешний блок питания, клиент подключил первый попавшийся и убил стабилизатор 5 вольт корпус so8 позиционый номер IC303. Схемы нет иначе не спрашивал.
KRAB 
Распугиватель клиентов
Сообщения: 21704
KRAB
 
Сообщение #2 От 26/02/2014 16:16 цитата  

Это CRT монитор? Это раздел поиска схем?

К окулисту сходи ...
Jeday 
Участник
Сообщения: 198
Jeday
 
Сообщение #3 От 26/02/2014 16:38 цитата  

Вышел из строя внешний блок питания, клиент подключил первый попавшийся и убил стабилизатор 5 вольт корпус so8 позиционый номер IC303. Схемы нет иначе не спрашивал
Lenchik 
Фанат форума
Сообщения: 7937
Lenchik
 
Сообщение #4 От 26/02/2014 16:47 цитата  

Ну вот. Где ты раньше был? Я сегодня стабилизатор отпили ножовкой от платы и приделал к китайскому светодиодному фонарику. Теперь он работает от кислотного 12 вольтного аккумулятора. Делители в обратной связи подкорректировал. Фонарик уже отдал.
Jeday 
Участник
Сообщения: 198
Jeday
 
Сообщение #5 От 26/02/2014 16:58 цитата  

А так всегда бывает
Jeday 
Участник
Сообщения: 198
Jeday
 
Сообщение #6 От 26/02/2014 17:07 цитата  

Модератор удалите тему в связи с ухудшением моего зрения! Пойду к окулисту...
viktor_ramb 
Сам себе начальник
Сообщения: 23833
viktor_ramb
 
Сообщение #7 От 26/02/2014 18:00 цитата  

Jeday,
Цитата:
стабилизатор 5 вольт корпус so8

ШИМ или линейный?
Lenchik 
Фанат форума
Сообщения: 7937
Lenchik
 
Сообщение #8 От 26/02/2014 18:13 цитата  

Там ШИМ, работает без ключей, все в одном корпусе. По памяти, название длинное. В первой строчке что то типа MPC.
viktor_ramb 
Сам себе начальник
Сообщения: 23833
viktor_ramb
 
Сообщение #9 От 26/02/2014 18:38 цитата  

Lenchik,
Цитата:
Я сегодня стабилизатор отпили ножовкой от платы и приделал к китайскому светодиодному фонарику. Теперь он работает от кислотного 12 вольтного аккумулятора. Делители в обратной связи подкорректировал.

Lenchik, а с матери такой выпилять ножовка слабая? подмигивание
Здесь на форуме Yuritsh выкладывал кое что по DC-DC преобразователям - может хоть серию по этой инфе определить можно.
мимо проходил 
Завсегдатай
Сообщения: 408
 
Сообщение #10 От 26/02/2014 18:58 цитата  

Lenchik, Дерьмо там от анпека стоит.
II3II 
Передовик
Сообщения: 1052
II3II
 
Сообщение #11 От 26/02/2014 19:05 цитата  

А в мануале схема не подходит?

  LG W1943C.png  31.2 КБ  Скачано: 1089 раз(а)
Lenchik 
Фанат форума
Сообщения: 7937
Lenchik
 
Сообщение #12 От 26/02/2014 19:06 цитата  

viktor_ramb, На матери пилить много надо. Я сначала от видеокарты отпилил, но оно не завелось, там сигнал включения нужен. Разбираться было лень и я от монитора с разбитой матрицей отпилил.
мимо проходил 
Завсегдатай
Сообщения: 408
 
Сообщение #13 От 26/02/2014 19:11 цитата  

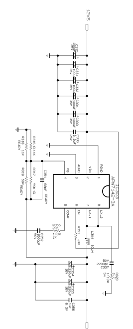
II3II, Вот именно она и стоит APW 7142 http://pdf1.alldatasheet.com/datasheet-pdf/view/316999/ANPEC/APW7142.html




мимо проходил 
Завсегдатай
Сообщения: 408
 
Сообщение #14 От 26/02/2014 20:21 цитата  

Jeday, Ответь только на один вопрос. Ты пишешь схемы нет, однако и здесь http://archive.espec.ws/section675/file29334.html и в интернете их до дури. Это лень, тупость или наглость?
TE 
Старший модератор
<B>Старший модератор</B>
Сообщения: 10199
 
Сообщение #15 От 27/02/2014 00:07 цитата  

После посещения окулиста, купите ещё лупу, сможете маркировку прочитать на корпусе детали.
Jeday 
Участник
Сообщения: 198
Jeday
 
Сообщение #16 От 27/02/2014 08:05 цитата  

Я искал w1943c, а не w1943s и схему поиск не находил. У меня на сгоревшей микросхеме первая буква просматривается M.
мимо проходил 
Завсегдатай
Сообщения: 408
 
Сообщение #17 От 27/02/2014 18:43 цитата  

Jeday писал:
Я искал w1943c, а не w1943s и схему поиск не находил.

На электротане в формате дежавю, к примеру. Именно C хотя шасси и у того и у другого LM92C.

Перейти: 
Следующая тема · Предыдущая тема
Показать/скрыть Ваши права в разделе

Интересное от ESpec


Другие темы раздела Нарушения правил

00
000
123
412
888
zzz


Rambler's Top100 Рейтинг@Mail.ru liveinternet.ru