ESpec - мир электроники для профессионалов


Для обсуждений аппаратных проблем lazerius

  Список форумов » Нарушения правил

Следующая тема · Предыдущая тема
АвторСообщение
lazerius 
Участник
Сообщения: 113
lazerius
 
Сообщение #1 От 04/05/2016 12:16 цитата  

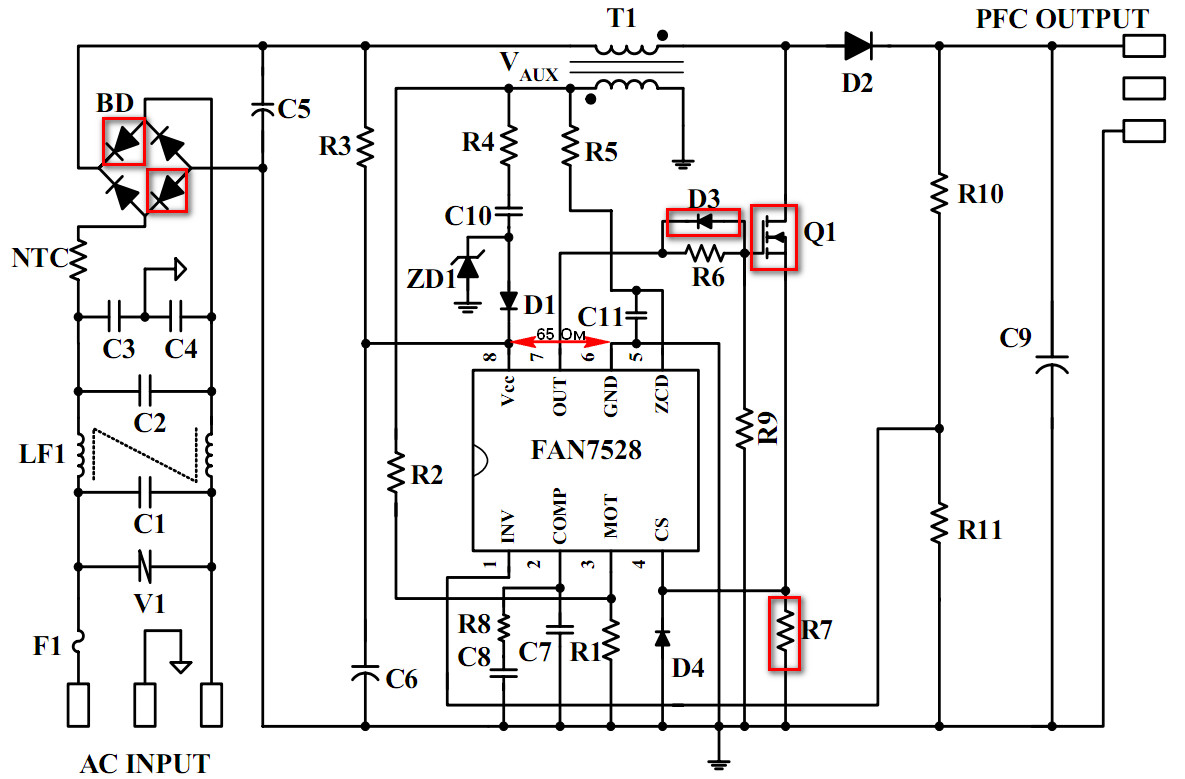
Добрый день ув. Коллеги. Пришел на ремонт такой же Адаптер PA-1900-24. Вскрытие и прозвонка показали, что пробит в короткую 2 диода в диодовом мосту(D050), малоомные резистоты R014 (0,18Ом); R051 (0,1 Ом) у истоков силовых полевиков, сам полевик в цепи PFC Q001 (2SK3561) диод шоттки (1N5819), идущий с затвора на 7 ногу (OUT) ШИМ-ки (FAN7528) и наконец сама ШИМ-ка эта FAN7528 выпаянная, как то подозрительно звонится между собой 7-ой(OUT) и 6-ой(GND) ногой в режиме Омметра 65 Ом в обе стороны. Схема из даташит FAN7528, на фото обвел красным детальки, что погорели, чтоб было понятно о чем идет (позиционные номера не соответствуют с моими естественно). Все погоревшие детали нашел кроме FAN7528, могу поставить, но боюсь сгоревшая ШИМ-ка опять вынесет полевик или транзистор от которого сама питается.
Вопрос:
1. Можно ли проверить саму ШИМ-ку, еще не ставя полевики, а поставить (два встречно-параллельно соединенных) светодиода на точки "затвор" и "исток" снятого полевика?
2. Как еще проверить работоспособность FAN7528 не имея осциллографа, чтоб не спалить остальное?
Сообщение Администрации :
Внимание!Правила: http://monitor.espec.ws/section34/topic116734.html - игнор и будее свою проблему в мусорке обсуждать, срок 2 дня!


   меня погорели.jpg  146.98 КБ  Скачано: 200 раз(а)
  FAN7528.pdf  806.91 КБ  Скачано: 218 раз(а)
lazerius 
Участник
Сообщения: 113
lazerius
 
Сообщение #2 От 04/05/2016 21:08 цитата  

Грубо конечно меня тыкать носом в правила, не объяснив что конкретно я нарушил и игнорировать я не в коем случае не собираюсь. Так что именно я нарушил?
JohnK 
Комповед
Комповед
Сообщения: 7835
JohnK
 
Сообщение #3 От 04/05/2016 21:12 цитата  

lazerius писал:
Грубо конечно меня тыкать носом в правила, не объяснив что конкретно я нарушил
Невежественно с вашей стороны не прочитав правила говорить о какой то грубости и выпрашивать пункты которые вы нарушили. Читайте, там все написано.
lazerius 
Участник
Сообщения: 113
lazerius
 
Сообщение #4 От 04/05/2016 21:47 цитата  

JohnK писал:
Читайте, там все написано.

Я прочитал еще в первый когда Вы меня туда направили.
Я пользовался поиском и похожей темы не нашел, поэтому написал здесь. Модель БП указанна, проделанные действия и результат тоже.
Может вы имеете в виду сленг, уже даже и не знаю что гадать...

Перейти: 
Следующая тема · Предыдущая тема
Показать/скрыть Ваши права в разделе

Интересное от ESpec


Другие темы раздела Нарушения правил

000
000
111
111
123
13
13
33
zzz


Rambler's Top100 Рейтинг@Mail.ru liveinternet.ru