| Автор | Сообщение |
|
footballer.85
|
Добрый день! Попала в руки данная акустика! Сначала при её включении и подачи аудио сигнала ни чего не происходило (хотя трансформатор выдавал заявленные напряжения двухполярное по 11 Вольт). При осмотре выяснилось. что не замыкаются контакты в реле 2JZX1 ("защита от щелчка"). Причиной оказались пробитый транзистор 2Q8 и конденсатор 2СD7. После замены появился шум в динамиках, хотя к входу AUX ни чего не подключено. После замеров оказалось, что на вход микросхем усилителей уже приходит откуда-то около 2 Вольт постоянного напряжения! Также есть постоянное напряжение на входе и на выходе предусилителя UTC4558 и на выходе микросхемы 1IC2 (SC7313S), которая управляется микроконтроллером SyncMOS89C51. Как определить какой из контроллеров не рабочий или может вообще дело не в них? Любой помощи буду рад! Схемы есть!
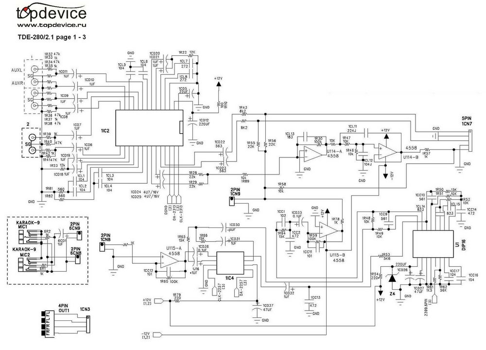
TDE-280 page1.1.jpg 108.75 КБ Скачано: 1267 раз(а)
TDE-280 page2.2.jpg 133.31 КБ Скачано: 1096 раз(а)
TDE-280 page3.3.jpg 100.45 КБ Скачано: 1102 раз(а)
|
|
Rom-Zecs
Передовик
Сообщения: 2900
|
| Возбуд или кирдык тда'шкам, на выходе что? |
|
serega-64
Старший модератор
Сообщения: 10180
|
footballer.85, Этт чё за "опус"? Где адекватные замеры, анализ? На основании выше сказанного мы должны в угадайку поиграть?
ПРАВИЛА РАЗДЕЛА!
Осилишь, поговорим, завтра будет на той же стадии - тема уедет по адресу.
= После замеров оказалось, что на вход микросхем усилителей уже приходит откуда-то около 2 Вольт постоянного напряжения! Также есть постоянное напряжение на входе и на выходе предусилителя UTC4558 и на выходе микросхемы 1IC2 (SC7313S)=
Какая же "каша" у тебя в голове, иди в инет и изучай, что такое постоянное и переменное напряжение и как работает аудиоаппаратура, тут ни кто в учителя не нанимался.
Хочешь ремонтировать, обзаведись приборами, носом тыкать в неисправные детали никто не будет. |
|
vadim3008
Мастер Добрых Дел
Сообщения: 5819
|
| serega-64 писал: | | Хочешь ремонтировать, обзаведись приборами, . |
serega-64, не поможет! |
|
serega-64
Старший модератор
Сообщения: 10180
|
vadim3008, =не поможет! =
Та, уже примерно прикинул, "ремОнтер" ысчо тот, типа ткнут рылом, да пойду.  |
|

|