ESpec - мир электроники для профессионалов


LCD SHARP LC-52XD1E мертвый

  Список форумов » Нарушения правил

Следующая тема · Предыдущая тема
АвторСообщение
Igor535 
Заглянувший
Сообщения: 9
 
Сообщение #1 От 14/07/2018 14:03 цитата  

Приветствую. Зараннее прошу не пинать - панели только время от времени делаю.
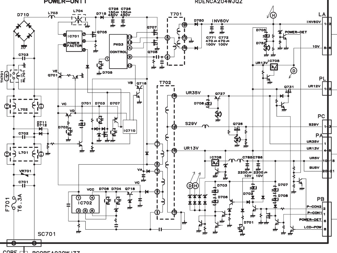
Телек LCD TV SHARP LC-52XD1E, никаких признаков жизни - ничего не светится, ни на что не реагирует. БП выдает пониженные на 30% UR13v, S29v, UR35v (после транса. После ключей 0в). UR5v, BU5v в норме. INV60, 10v, UR12v также нет. Помимо этого слышен небольшей свист основного транса. Шим ис702 выдает сигнал пачками. Прозвон дефектов не выявил.
В Main Unit на плисине все питания есть но реакции на включение нет.
Вопрос где копать.

  psu.jpg  188.7 КБ  Скачано: 173 раз(а)
Igor535 
Заглянувший
Сообщения: 9
 
Сообщение #2 От 14/07/2018 19:48 цитата  

В чем нарушение правил?

Перейти: 
Следующая тема · Предыдущая тема
Показать/скрыть Ваши права в разделе

Интересное от ESpec


Другие темы раздела Нарушения правил

000
000
000
111
13
13
13


Rambler's Top100 Рейтинг@Mail.ru liveinternet.ru