| Автор | Сообщение |
|
dersp
|
Всем вошедшим в тему - доброго здоровья.
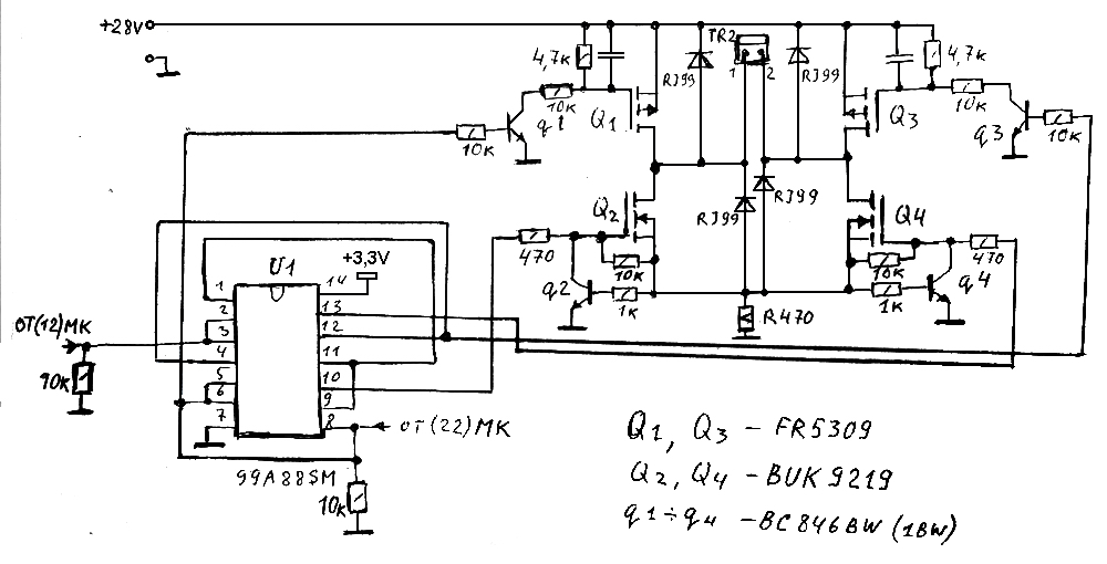
Товарищ притащил "мёртвый" блок приводов от робота для чистки бассейнов ZODIAC Vortex-3. Оказалось, что вовнутрь попала вода, с плачевными для электроники последствиями. Плата драйверов питается напряжением 12V DC, а с модулем управления обменивается данными по интерфейсу VIN через один провод, с помощью МС TJA1021T20. Плата управляет тремя двигателями - помпы, и колёс (отдельно правым и левым). Двигатель помпы управляется напрямую от МК (PIC18F26K22), через MOSFET (BUK9219), а каждый из двигателей колёс - сигналами от МК, подающимися на МС драйвера (99A88SM), которая, в свою очередь, управляет полным мостом, построенным на комплементарных парах MOSFET-ов (BUK9219 и FR5305) При этом, MOSFET-тами верхнего плеча (FR5305) она управляет через транзисторы (BC846BW), а нижнего - напрямую, через резисторы в 470 Ом.
Из-за намокания платы (или двигателя), пробило один из MOSFET-ов нижнего плеча моста (BUK9219), а под транзистором его защиты от превышения тока в нагрузке (также BC846BW), в текстолите платы образовалась приличная каверна. Выгорел конечно и резистор, идущий от МС драйвера на затвор пробитого MOSFET-та, а также датчик тока (номинал - R470), общего для всего моста. Все остальные элементы схемы на плате драйверов, вроде бы целы.
Вот я теперь и думаю, не пострадала ли МС драйвера из-за сгоревшего ключа. Проверил - сопротивление вывода МС, питавшего сгоревший ключ, относительно шины +12V - оно более мегаома, а относительно "земли" вывод звонится как диод, что является нормальным.
Чтобы удостовериться в целостности этой МС, хотел посмотреть её даташит, да не тут-то было. Перерыл весь И-нет - никакой информации по тем надписям, что имеются на её корпусе
Сверху, после непонятного значка производителя (в виде двух липестков) написано: 99A88SM, причём каждая из девяток, имеют вид большой буквы Р, только повёрнутой назад.
Внизу корпуса, слева, надпись: НС02, а справа внизу - G4. МС имеет 14 выводов. "Земля" у неё на 7 ноге, а на какой Vcc, пока не определился - там 3 источника напряжения, и с выхода каждого нужно просматривать цепи. По этим цепям куча переходов на другую сторону, а снизу платы большой массив "земли", да и времени не хватает - друзья достали со своими гаджетами.
Прошу знатоков, сталкивавшихся с подобной платой, подсказать, что же это за МС.
Набросал вручную схему силовой части, если кому-то будет нужно, выложу здесь. Так подробно описал плату именно потому, что никако информации о ней нет (совсем).


|
|
Евгений373
Фанат форума
Сообщения: 3908
|
| Фото маркировки дай, а так 74HC02 предположительно. |
|
|
dersp
|
| Фото самой МС добавил в первый пост. |
|
n max
Модератор
Сообщения: 17614
|
| Евгений373 писал: | | Фото маркировки дай, а так 74HC02 предположительно. |
тогда питание будет на 14 ноге 5 вольт значит есть шансы что это она |
|
|
dersp
|
| Нет, это не она. Тут логика, а моя МС - драйвер с ШИМ, для управления реверсивным двигателем посредством выходного каскада в виде моста. Когда робот упирается в стенку, правое, или левое колесо (в зависимости от установленнрй программы) начинает вращаться в другую сторону, пока робот не повернёт приблизительно на 180º. Дальше, направление вращения этого колеса опять меняется на противоположное и робот едет к другой стенке бассейна.А ШИМ в этой МС скорее всего присутствует потому, что робот начинает движение очень плавно. |
|
n max
Модератор
Сообщения: 17614
|
Мож какой чип перемаркированный производителем.Раз нога звониться нормально(можно сравнить с другими)то скорее всего чип выжил.
А если искать что за он то вам придётся обвязку разрисовывать-если есть желание тогда шансы есть что помогут. |
|
|
dersp
|
| Я сегодня собрал плату, а пока её восстанавливал, дал задание товарищу разобрать, высушить, вычистить и собрать моторы. Также ему следовало промыть подшипники этих моторов и заменить в них смазку, или заменить сами подшипники и все сальники. Я планировал подключить моторы к плате и попробовать включить её в автономном режиме. Однако товарищ поленился делать все эти операции и принёс мне моторы, ничего с ними не делая, а мне соврал, что всё выполнил. В итоге моя попытка сорвалась, завтра сам обслужу моторы и попробую запустить плату, замкнув управляющую шину на землю - у некоторых подобных аппаратов есть такая тестовая функция. |
|
Евгений373
Фанат форума
Сообщения: 3908
|
| dersp писал: | | Фото самой МС добавил в первый пост. | жаль не видно логотипа производителя
Если лого как на моём фото, даю в качестве примера, то это именно SN74HC02D производитель Texas Instruments. https://dosya.motorobit.com/pdf/74HC02.pdf в противном случае я ишпанский лётчик.

|
|
|
dersp
|
Логотип именно такой, но как быть с присутствием на выходе драйвера плавного запуска? А ещё с выводом (6) МС? У SN74HC02D он является одним из входов, а по схеме это управляющий вывод для верхнего ключа левого плеча моста.
Задаю в поиске вопрос: "Микросхемы для драйверов реверсивных двигателей постоянного тока". Все поисковики выдают микросхемы - полные драйверы, т.е. имеющие входы для управления включения и выключения и выходы непосредственно на двигатель. Я отремонтировал кучу модулей для управления двигателями самой разной техники, в том числе и СБТ, но там все микросхемы не менее чем с 24 выводами, и управляют они силовой МС, питающей двигатель.
Схему силы, и фрагмент платы с обсуждаемой МС прилагаю.
| .jpg |
| Описание: |
|
| Размер файла: |
382 КБ |
| Просмотрено: |
161 раз(а) |

|
99A88SM.jpg 174.89 КБ Скачано: 134 раз(а)
|
|
n max
Модератор
Сообщения: 17614
|
| Тут обвязка искомой микры надо,а схема вых каскада это и так понятно что там есть. |
|
|
Алексей.Л
|
|
|
dersp
|
| n max писал: | | Тут обвязка искомой микры надо.... |
Я же выложил фото, где чётко видно, что 6 вывод МС соединён с базой q1 (см. схему силы), ежу понятно, что это один из выходов. А для HC02 это вход. |
|
n max
Модератор
Сообщения: 17614
|
| ко входу который соединён с базой может быть ещё какая цепь подключена.Далее дело ваше рисовать иои нет. |
|
|
dersp
|
| Отдал плату хозяину для проверки, однако устройство не запустилось. Теперь жду назад этот драйвер вместе с управляющим модулем, как приедет, ещё раз проверю всю обвязку этой МС. |
|
|
dersp
|
Вчера наконец-то принесли всё устройство всборе. Сдул все микросхемы кроме МК, под ними - ил. У всех МС выводы окислены, такое впечатление, что в бассейне была не совсем пресная вода. Не мудрено, что у МС LIN интерфейса (TJA1021T20), после её выпаивания, на плате осталась одна нога - она просто отгнила. Именно из-за неё драйвер двигателей не запускался, просто не было обмена данными между модулем управления и самим драйвером.
Хозяин не захотел ждать когда придут запчасти и решил покупать новую плату драйверов (Цена: US $113,03). Я ему посоветовал также заказывать сальник и подшипники для двигателя насоса, ведь именно из-за износа сальника на валу этого двигателя, в корпус двигателей попала вода.
Что касается обсуждаемой МС, то после отпайки этой микросхемы и тщательной проработки её обвязки, предположение уважаемого Евгения373, данное им в первом же ответе, полностью подтвердилось. Эта МС (4 элемента ИЛИ-НЕ) обрабатывает 2 сигнала, приходящие на неё от МК (движение вперёд и реверс), позволяя открываться "нужным" транзисторам моста и блокируя "ненужные". Остаётся вопрос о назначении в этой схеме (прилагается) транзисторов q2 и q4. Предполагаю, что это не только защита от превышения тока в нагрузке, но и схема плавного пуска ходовых двигателей.
Не смог загрузить картинку соединений на плате под схемой, хотя и размер картинки в пикселях и общий размер файла гораздо меньше чем у картинки со схемой, которая загрузилась без проблем.
Вот ссылка на страницу с картинкой со сторннего сайта: https://ibb.co/r27ybP2
TR2.jpg 190.53 КБ Скачано: 141 раз(а)
|
|
n max
Модератор
Сообщения: 17614
|
| Защита от превышения тока потребляемого двигателем.Они базами подкл к токовому датчику,как ток превысил они открываются и закрывают полевики. |
|
|
dersp
|
| Не забывайте, что эти транзисторы могут в этой схеме работать не только в ключевом режиме, но и в линейном. Ведь при запуске двигателя его ток не обязательно превышает допустимый, который полностью открывает транзистор, шунтирующий затвор ключа на землю. |
|
n max
Модератор
Сообщения: 17614
|
| В линейном они греться будут причём сильно.А плавный пуск если надо проще средствами м.к. сделать тем же шимом.Благо у современных м.к. шим контроллер уже встроенный-просто циферки в регистр шима бросай он будет давать нужную скважность. |
|
|
dersp
|
Согласен, только время запуска очень короткое, не более 1-2 сек, за это время транзистор не успеет нагреться..
Самое главное, благодаря знатокам форума, ответ на заданный в теме вопрос получен. Может кому-то пригодятся и выложеннеые здесь схемы основных элементов драйвера.
Всем ответившим - большое спасибо.
Прошу модератора закрыть тему, как решенную. |
|
n max
Модератор
Сообщения: 17614
|
Такие же схемные решения используются в схемах дежурного питания китайских блоков от компьютеров.(АТХ)
Там транзистор ключа если залетает в линейный режим то достаточно сотой доли секунды что б он сгорел.
Очень даже успевает нагреться ещё и разоваться на куски  |
|