ESpec - мир электроники для профессионалов


Стиральная машина Samsung sensor compact S803J 800 не видит

  Список форумов » Нарушения правил

Следующая тема · Предыдущая тема
АвторСообщение
Konec 
Заглянувший
Сообщения: 5
 
Сообщение #1 От 03/03/2025 16:34 цитата  

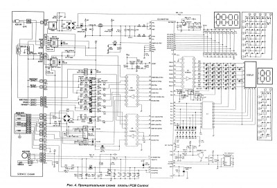
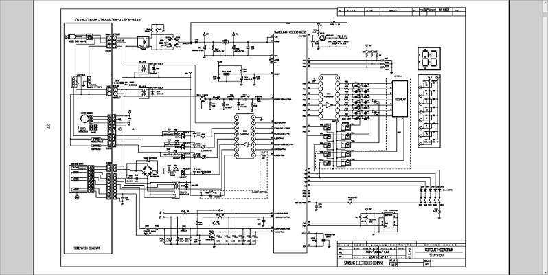
Протекла стиральная машина Samsung sensor compact S803J 800...один из шлангов просто был не закреплён хомутом по-умолчанию там почему-то - тот,что идёт от отдела со стиральным порошком и кондиционером и водой из него залило часть основной платы - выбило симистр на 800V - SM2LZ47,кандёр плёночный на 0.01мкф и 630V - 103K,2J и сопротивление на 620ом...всё это заменил - свистопляска на главной панели пропала (все лампочки моргали),но почему-то теперь стиралка жалуется на отсутствие замка и соответственно - не запускает стирку - уже купил другой замок,правда прислали совсем не тот и буду его возвращать...в итоге наткнулся на видео - как проверять такие замки,проверил - оба оказались рабочими и теперь даже не знаю,что ещё проверить - симистры остальные,вроде тоже проверил и кандёры...заменённый симистр немного отличается от остальных,конечно при прозвонке,но не думаю,что это критично и как и сказал уже выше - даже мыслей больше нету,что ещё проверить - почти всю плату прозвонил,релюшки проверил - все остальные симистры,кандёры плёночные,сопративления,диоды...единственное,что не проверил - S1P2655A03-D0,ибо даже описание того,что это и за что отвечает - не нашёл - ни в инэте,ни в сервис мануале...

Есть какие-нибудь мысли ? в какую сторону ещё копать и в чём всё-таки дело ?

  Samsung sensor compact S803J 800 service manual.pdf  1.4 МБ  Скачано: 100 раз(а)
  S1P2655A01 - datasheet.PDF  90.69 КБ  Скачано: 81 раз(а)
  OMIH-SS-112LM-300-OMIH-OEG.pdf  1.14 МБ  Скачано: 90 раз(а)
Konec 
Заглянувший
Сообщения: 5
 
Сообщение #2 От 12/03/2025 22:19 цитата  

а почему моя тема улетела в нарушение правил ? что за бред ?!




Samsung sensor compact S803J 800 (уменьшенное 2).jpg
 Описание:
 Размер файла:  343.01 КБ
 Просмотрено:  53 раз(а)

Samsung sensor compact S803J 800 (уменьшенное 2).jpg


Konec 
Заглянувший
Сообщения: 5
 
Сообщение #3 От 08/04/2025 15:00 цитата  

Распиновка S1P2655A01

  S1P2655A01 (уменьшенное).jpg  70.25 КБ  Скачано: 49 раз(а)

Перейти: 
Следующая тема · Предыдущая тема
Показать/скрыть Ваши права в разделе

Интересное от ESpec


Другие темы раздела Нарушения правил

000
000
000
1
1
13
67
67
v


Rambler's Top100 Рейтинг@Mail.ru liveinternet.ru