ESpec - мир электроники для профессионалов


DVD LG DK577XB мутное изображение (подергивание его) РЕШЕНО

  Список форумов » DVD-проигрыватели и видеомагнитофоны

Следующая тема · Предыдущая тема
АвторСообщение
mileshca 
Передовик
Сообщения: 2513
mileshca
 
Сообщение #1 От 23/11/2015 12:02 цитата  

Состав MT1389FE-проц, 26LV160TTC-70G , MC4580 , MM1623 M12L64164A , драйвер-IP9005L, заставка есть , но такое чувство что не хватает яркости, напряжение с БП 3,3в, 5в,12в есть, на проце есть 1.8в и 3,3в , команды с пульта есть и с панели тоже,диск видит определяет, но при опозновании списка на диске файлов изо черно-белое и идет срыв его, проверил все емкости на ЕСР-метре , заменил кварц, читал тему http://monitor.espec.ws/section2/topic153340.html что еще упустил? может есть полный сброс на установки по молчанию?
vadim3008 
Мастер Добрых Дел
Мастер Добрых Дел
Сообщения: 5819
vadim3008
 
Сообщение #2 От 23/11/2015 12:10 цитата  

mileshca, пройдись по цепи video aut может что-то упустил!
mileshca 
Передовик
Сообщения: 2513
mileshca
 
Сообщение #3 От 23/11/2015 12:23 цитата  

vadim3008, мне интересно знать как парень по той теме делал сброс? на морде еть только вкл аппарата , плей и вброс диска, я пробовал но у меня не вышло, и в др режиме и вкл апарат с зажимом плея ничего не дали
vadim3008 
Мастер Добрых Дел
Мастер Добрых Дел
Сообщения: 5819
vadim3008
 
Сообщение #4 От 23/11/2015 12:39 цитата  

mileshca,без диска нажать и удерживать на аппарате кнопку "пауза" -у Lg переключение PAL NTSC[/quote]

и это пробовал?
mileshca 
Передовик
Сообщения: 2513
mileshca
 
Сообщение #5 От 23/11/2015 12:41 цитата  

vadim3008, пробовал, у меня нет на морде кнопки пауза, только воспроизведение , выброс диска и выключение, пауза нет кнопки, пробовал как с вкл аппаратом так и выключенным, счас смотрю схему http://archive.espec.ws/files/LG%20%20DK577XB,DK578XB,DK589XB.pdf
mileshca 
Передовик
Сообщения: 2513
mileshca
 
Сообщение #6 От 23/11/2015 13:31 цитата  

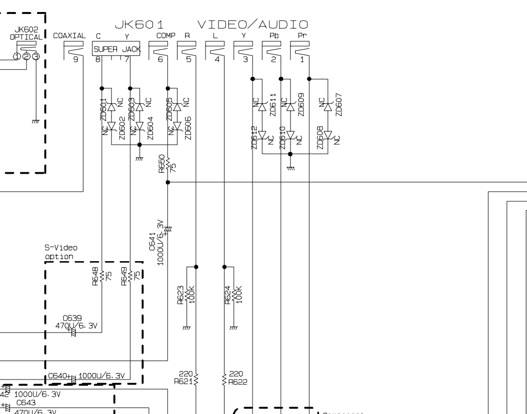
R650 в обыве (75 0м)

  2015-11-23_123057.png  75.66 КБ  Скачано: 328 раз(а)
vadim3008 
Мастер Добрых Дел
Мастер Добрых Дел
Сообщения: 5819
vadim3008
 
Сообщение #7 От 23/11/2015 14:35 цитата  

mileshca, после замены, классно! или нет?
mileshca 
Передовик
Сообщения: 2513
mileshca
 
Сообщение #8 От 23/11/2015 14:38 цитата  

vadim3008 писал:
mileshca, после замены, классно! или нет?
н я просто по схеме прошел осликом и вычислил сопрот, сброс делать не пробовал, сопрот был в обрыве, подозреваю выход его из строя был по вине убитого шнурка на телик (тюльпаны)

Перейти: 
Следующая тема · Предыдущая тема
Показать/скрыть Ваши права в разделе

Интересное от ESpec


Другие темы раздела DVD-проигрыватели и видеомагнитофоны



Rambler's Top100 Рейтинг@Mail.ru liveinternet.ru