ESpec - мир электроники для профессионалов


Pioneer XV DV590 ошибка региона (РЕШЕНО)

  Список форумов » DVD-проигрыватели и видеомагнитофоны

Следующая тема · Предыдущая тема
АвторСообщение
JTlex 
Заглянувший
Сообщения: 6
 
Сообщение #1 От 27/11/2014 11:11 цитата  

Друг принес зверя Pioneer XV DV590 с ошибкой региона - просит выбрать регион.

Я как инженер программист электроник понимаю в схемотехнике и ремонтом занимался, но с таким не сталкивался.
Чем можно вылечить - может у кого есть опыт - подскажите, если не жалко.
Из оборудования у меня 3 программатора для разных контроллеров и паяльная станция с феном, по этому если надо что-то прошить или слить - это без проблем.

Заранее всем откликнувшимся спасибо
mehanik93 
Завсегдатай
Сообщения: 531
mehanik93
 
Сообщение #2 От 27/11/2014 11:35 цитата  

Сервисный пульт" Pioneer", самое простое решение . На мониторе, полно тем с более сложным решением -поиск рулит .
JTlex 
Заглянувший
Сообщения: 6
 
Сообщение #3 От 28/11/2014 14:43 цитата  

Нашел инфу:

With RS232 cable:
1. Connect cable to the player and PC.
2. Power up your player, wait until region selection menu will appear.
3. Run MtkTool on PC.
2. In MtkTool click toolbar button with compact disc icon (R/W Register).
3. Select "8032 XDATA"
4. In "Addr" field enter FB00 (F, B and two zeros)
5. In "Data" field enter 9C if your player`s original region is 2, 9E if your player`s original region is 4 or 9F if your player`s original region is 5.
6. Click "Write". Region selection menu should disappear.

Но воспользоваться не могу - не указано куда коннектить

Может кто подскажет куда подключить

Можно по схеме http://archive.espec.ws/files/pioneer_xv-dv180_dv180_dv282ap_dv585k_dv590k_[ET].pdf

Заранее спасибо

PS пробовал коннектить к uDownload - без результатно недовольство, огорчение
JTlex 
Заглянувший
Сообщения: 6
 
Сообщение #4 От 28/11/2014 17:15 цитата  

Нашел сайт http://pioneerfaq.narod.ru/firmwares.html На нем есть прошивка для 585 с мультирегионом - можно ли ей проишить и поможет ли это?
JTlex 
Заглянувший
Сообщения: 6
 
Сообщение #5 От 03/12/2014 12:30 цитата  

Попробовал прошить, сделал все как написано на вышеуказанном сайте, но плеер не захотел прошиваться Написал No load disk - сделал 2 копию безрезультатно. Хотел прошить именно с этого сайта так как там есть мультирегион - думал поможет. Подскажите в чем может быть проблема?
iga 
Заместитель Администратора
<b>Заместитель Администратора</b>
Сообщения: 12523
iga
 
Сообщение #6 От 03/12/2014 21:00 цитата  

JTlex писал:
Нашел сайт http://pioneerfaq.narod.ru/firmwares.html На нем есть прошивка для 585 с мультирегионом - можно ли ей проишить и поможет ли это?

Не поможет. Алгоритм "прошивки" с диска проблемный. С ним только два варианта, или безрезультатный или полная лоботомия апарата сразбором на винтики.

- - - - - - - - -
На форуме ESpec 2 414 237 сообщений в 228 126 темах.
JTlex 
Заглянувший
Сообщения: 6
 
Сообщение #7 От 04/12/2014 08:48 цитата  

Может я что не так делаю MTKTool? или не туда цепляю?
Я цеплял к uCOM Download или это не то?

ДОБАВЛЕНО 04/12/2014 09:50

Кстати может помочь если войти в сервисное меню с перемычек на материнке? или все равно дальше нужно сервисный пульт?

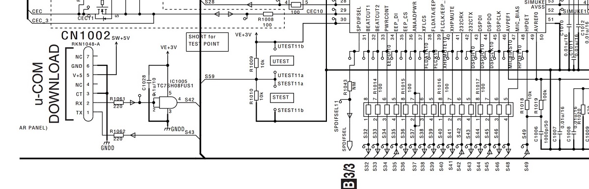
  uCom Download.jpg  160.93 КБ  Скачано: 315 раз(а)
JTlex 
Заглянувший
Сообщения: 6
 
Сообщение #8 От 04/12/2014 14:32 цитата  

Проблему решил. Как обещал отписываюсь:
1 Нам нужен RS232, с выходом 3.3В RX TX GND
2.Качаем MTKTool 1.29
3.Открываем верхнюю крышку XV-DC590K
4. Откручиваем на задней панели 2 винта крепления блока FM/AM tuner и отключаем его от платы, убираем в сторону
5. Откручиваем саморезы крепления DVDM ASSY платы
6. Отключаем от нее шлейф на DVD
7. Переворачиваем ее
8. Находим место под пайку разъема CN204
9. Подпаиваем провода и подключаем к RS232
10. Кладем плату аккуратно, чтоб не коротнуть
11. Подключаем RS232 к ПК
12. Запускаем MTKTool
13. Выбираем порт который у Вас RS232
14. Подключаем плеер к сети 220В
15. Включаем его кнопкой и ждем пока не появится надпись REGION
16. В MTKTool нажимаем на CD Disk
17. Вводим в поле ADDR значение FB00
18. Выбираем 8032XDATA
19. В поле DATA вводим 9С
20. Жмем Write
Радуемся жизни.

Схема подключения.jpg
 Описание:
 Размер файла:  521.52 КБ
 Просмотрено:  360 раз(а)

Схема подключения.jpg



Перейти: 
Следующая тема · Предыдущая тема
Показать/скрыть Ваши права в разделе

Интересное от ESpec


Другие темы раздела DVD-проигрыватели и видеомагнитофоны



Rambler's Top100 Рейтинг@Mail.ru liveinternet.ru