| Автор | Сообщение |
|
docent80
|
фирма Philips
модель LX3700D
проц : ES6028F
FLASH : AM29F080B
EEPROM : 24C02A
Драйвер PT6311
IC S-CPU EM78P156ELP
Принесли домашний кинотеатр Philips LX3700D со словами не выезжает лоток. После проверки выяснилось, что не только не выезжает лоток но и не реагирует ни но одну кнопку(кроме кнопки включения), а на табло висит надпись "OPEN" . С пульта управление есть и табло показывает соответствующие команды. После вскрытия увидел немного коррозии на панели управления, почистил не помогло, та же надпись "OPEN" и не реагирует ни но одну кнопку. Далее прозвонил все кнопки, залипших нет. Все напруги приходят нормальные. Решил заменить PT6311 результат , также висяк "OPEN" и не работают кнопки. в панели стоит еще одна микросхема EM78P156ELP, и она тоже связана с управлением. Зашел в тупик или эта микросхема или прошивка. Кто нибудь сталкивался с таким дефектом? прошу помощи! |
|
cyberbob
Передовик
Сообщения: 1325
|
| Может имеет смысл начать с проверки питающих напряжений? |
|
|
docent80
|
| Питающие напряжения в норме! |
|
cyberbob
Передовик
Сообщения: 1325
|
Ну раз "нормометр"показывает,что в норме.,тогда меняй всё подряд или "прошивай"....  |
|
vadim3008
Мастер Добрых Дел
Сообщения: 5819
|
| docent80 писал: | | Питающие напряжения в норме! |
это как?Что на плате управления? |
|
|
docent80
|
| на плату управления приходят -24в и 5в |
|
Yuritsh
Фанат форума
Сообщения: 18498
|
docent80, а извилины включить? Задумайся ПОЧЕМУ горит надпись "OPEN".
| docent80 писал: | | Не верите то что я пишу? | Верим, только мы не знаем сколько у тебя считается нормой. У некоторых это значение доходит до нескольких литров. А нам бы узнать в Вольтах.
| docent80 писал: | | Зашел в тупик или эта микросхема или прошивка! | Ты даже элементарного не проверил, а уже тупик. Почитай, как устроен DVD хотя-бы в общих чертах. |
|
cyberbob
Передовик
Сообщения: 1325
|
docent80, Нууу,вера это нравственное понятие,не будем об этом.А напряжения на форум принято выкладывать в вольтах,также проверять пульсации осциллографом и не только с БП,но и со вторичных стабилизаторов блока управления,в противном случае...-  |
|
|
docent80
|
Yuritsh ок, я снова сделаю все измерения напруг и отпишусь
ДОБАВЛЕНО 16/03/2015 13:55
cyberbob осциллографа к сожелению нет  |
|
igorasrex
Завсегдатай
Сообщения: 635
|
| Yuritsh писал: | | docent80, а извилины включить? Задумайся ПОЧЕМУ горит надпись "OPEN". |
а на это ,почему не обратил внимание? |
|
|
docent80
|
igorasrex.да обратил я на это внимание, я же писал.
ДОБАВЛЕНО 17/03/2015 00:02
выходные напряжения в блоке питания, разъем RB904: должны быть 1 - 6.8В; 2 - GND; 3 - 12В; 4 - GND; 5 - 24В; 6 - GND: 7 - АС1; 8- АС2.
мой измерения 1 - 5.8В; 2 - GND; 3 - 11В; 4 - GND; 5 - 20В; 6 - GND: 7 - АС1; 8- АС2.
на разъем RB905 - 31В вместо 27В. На RB906 - 12В. |
|
|
docent80
|
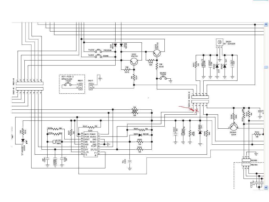
В общем решил я проблему с надписью "OPEN" на дисплее и неработающими кнопками! После того как я выдернул разъём CN212-B
функционирование кнопок восстановилось, но естественно перестал управляться от пульта. Включив свой извилины, долго не думая я разорвал цепь(показал на рисунке) и соединив разъём обратно, аппарат заработал полноценно, так же и с пульта! Думаю микросхема ic201 (EM78P156ELP) постоянно подавал команду OPEN и не работали кнопки. После 2-ух дневного прогона и тестирования аппарата, отдан клиенту.
Безымянный 2.JPG 91.19 КБ Скачано: 584 раз(а)
|
|