| Автор | Сообщение |
Икар
Передовик
Сообщения: 1335
|
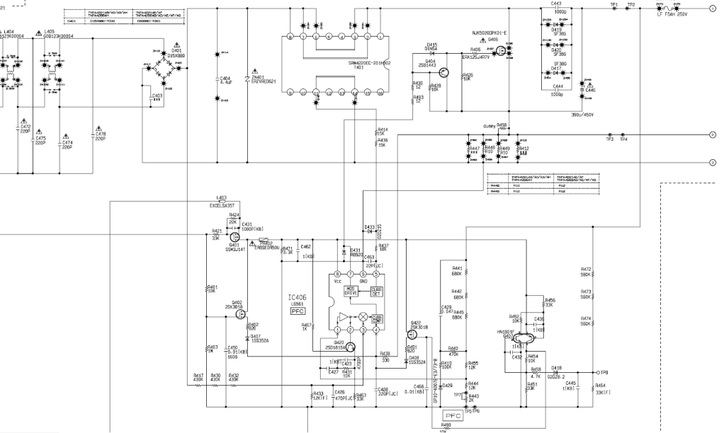
После грозы сгорел БП: выгорела l6561, полевик (RJK5010DPK), баластные резисторы R 12 5W,SF38G-2шт и еще 10 деталей TV Panasonic TH-R42PV7KH (TNPA4221(1)) DPK-SU2AV-0.Можно ли заменить PJK5010DPK на SD20N60 ну и супер быстрые SF38Gдиоды на UF5408?Хочу починить.Работаю по этим схемам.Поделитесь опытом плиз БП: TNPA4221
Майн: TNPA4414
Флэш: S29GL128N90TFIR2
Епромка: 24c16 (позиционка IC8601)
Тюнер: ENGF7701GF
ADAV4422
MN2WS0039A
ADV7439B
MNZSFD7G
Панель:MC106H30F10.

panasonic_gdh11de_38_479.pdf 220.1 КБ Скачано: 1923 раз(а)
tnpa4221.png 114.64 КБ Скачано: 1523 раз(а)
|
|
Икар
Передовик
Сообщения: 1335
|
Меня пока интересует можно ли ставить диоды UF5408 вместо SF38G по даташиту они 35NS.А мои 75NS.Сравнил похожую схему тоже транзистор PJK5020 так там стоят по схеме S3K60(по даташиту 100NS)У меня родной стоял PJK5010 .Нашел у себя SD20N60 от БП плазмы LG.Вроде аналог моему  |
|
Икар
Передовик
Сообщения: 1335
|
Замкнул 3 реле.Подал 220 вольт Подал с отдельного бп 13.5 вольт на 4863G 8 pin Не запускается предкондей.На нем 320 вольт.А долхно быть 395 вольт. PR501 на 5А250V выпаял.PR402(F);Не могу найти как его запустить отдельно на столе  |
|
Икар
Передовик
Сообщения: 1335
|
| Телевизор запустил.Пока без предкондея.Разбираюсь почему срабатывает зашита |
|
Wassaby
Завсегдатай
Сообщения: 783
|
Поменяй белые фигуры на черные, или не путай причину со следствием а еще точнее - сделай прекондий и  |
|
Икар
Передовик
Сообщения: 1335
|
| Решено.Итог замена 18 деталей |
|
serg63
Передовик
Сообщения: 2691
|
| Икар писал: | | Решено.Итог замена 18 деталей |
Ну и кому твоя "суперинформативная" тема здесь нужна? |
|