| Автор | Сообщение |
|
mishan4uk
|
Доброго времени суток.
Телевизор филипс 21PT1542/58
шасси L6.1 AA
процесор SAA5290PS/126
память K6272K
Возникла следующая проблема:
Включается нормально но когда поработает пару минут пропадает звук и изображение и на кнопки не реагурует. Поменял транзистор 7505, начал работать стабильно, но когда отключить с помощью пульта то включить обратно уже не получается(хотя с кнопок на панели включается).
Сервисное меню показало информация как на фото.
В чем может быть проблема?
Зарание спасибо за помощь.
100_1499.JPG 137.67 КБ Скачано: 310 раз(а)
|
|
валентин-сибиряк
Фанат форума
Сообщения: 9037
|
mishan4uk, а напряжения где?  |
|
|
mishan4uk
|
|
A-SERVICE
Завсегдатай
Сообщения: 957
|
| mishan4uk писал: | | Зараз етим занимаюсь |
Так проблема либо в памяти - K6272K (только какая то она странная ), либо в транзисторе 7505 ... Попробуй в магазине купить их по 10 штук, среди них часто брак попадается ... и меняй их одна за другой, авось повезет ... |
|
|
mishan4uk
|
| валентин-сибиряк писал: | mishan4uk, а напряжения где?  |
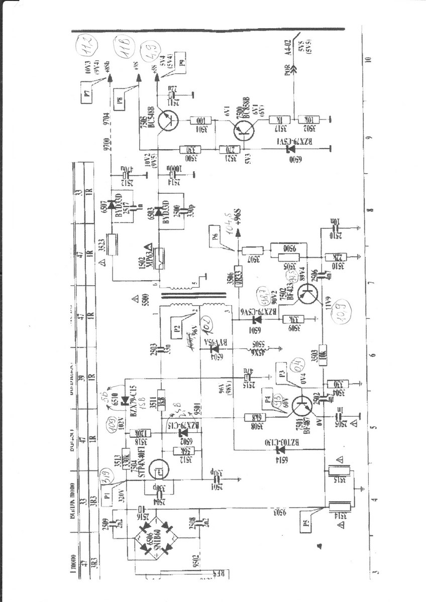
Напряжения такие как на схема(обведенние)
.jpg 136.09 КБ Скачано: 370 раз(а)
|
|
киев
Прислонившийся
Сообщения: 6953
|
| Цитата: | | Попробуй в магазине купить их по 10 штук, среди них часто брак попадается ... и меняй их одна за другой, авось повезет ... | Фальстарт - до 1 еще 3 недели!  |
|
непоседа
Передовик
Сообщения: 1939
|
| Так работай от пульта до окна,питание, цепь управления и т.д. А у 7505 поменяй С3514. Что то мало твоих действий ? |
|
VStar47
Завсегдатай
Сообщения: 829
|
| Поменять: - не С3514, а - С2514 и С2511. Если не поможет, тогда еще можно подумать,как приоткрыть 7505,чтобы на его эмиттере было 5V4 (согласно схемы),а не 4,9V(измеренное значение). |
|
|
mishan4uk
|
| VStar47 писал: | | Поменять: - не С3514, а - С2514 и С2511. Если не поможет, тогда еще можно подумать,как приоткрыть 7505,чтобы на его эмиттере было 5V4 (согласно схемы),а не 4,9V(измеренное значение). |
А как насчет остальных повишеных напряжений? |
|
VStar47
Завсегдатай
Сообщения: 829
|
| Да,завышены, - это упущение с моей стороны. В этом случае, сначала, попробуйте поменять 2515. |
|
|
mishan4uk
|
| VStar47 писал: | | Да,завышены, - это упущение с моей стороны. В этом случае, сначала, попробуйте поменять 2515. |
Перепаял 2515, все без изменений(но напряжение на Р9 повисилось до 5,1В)((
Подскажите так должно быть, что спад напряжение на 6510 5В? Ведь ето стабилитрон на 15В. |
|
VStar47
Завсегдатай
Сообщения: 829
|
Если есть сомнение в исправности стабилитрона 6510, достаточно отпаять один его вывод и проверить тестером.
Возможно изменился номинал одного резистора - 3507,3505 или 3510 - и поэтому имеете 104,5V вместо 96V ? |
|
|
mishan4uk
|
| VStar47 писал: | Если есть сомнение в исправности стабилитрона 6510, достаточно отпаять один его вывод и проверить тестером.
Возможно изменился номинал одного резистора - 3507,3505 или 3510 - и поэтому имеете 104,5V вместо 96V ? |
Проверил номиналы резисторов3507, 3505(оба в районе 1 Ома), 3510(22,1кОм) и они оказались нормальнымы. Но 3511 пры замере показал 2,6к, а 3518 100к. После замены ничего не поменялось. Но заметил что сильно грелся радиатор транзистора 7504, после отпайки конденсатора 2501 телевизор запустился и радиатор ощутимо стал меньше греться и напряжение в Р2 стало 96В. Но остальные напряжение(низкие) не поменялись. Прыйдется ити в магазин за конденсатором и проверять дальше. Но почемуто вместо 2501 на 330р там стоял 152К 1kV. |
|
|
mishan4uk
|
Доброго времени суток.
Подскажите номиналы резисторов 3505, 3507.
Зарание спасибо.
ДОБАВЛЕНО 18/03/2017 23:05
уже нашол)))Плохо прочитал схему
3505 150Ом
3507 1200Ом |
|
|
mishan4uk
|
Доброго времени суток.
Обясните мне пожалуйста как организировано слежения за виходнымы напряжениями в блоке питания шаси l6.1.
Зарание спасибо. |
|
|
mishan4uk
|
Доброго времени суток.
Подскажите правильно ли я понимаю, что силовым ключом в етом блоке питания есть транзистор 7504, а управляет его работой транзистор 7501. А 7502 должен следить за уровнем напряжение 96В?
Если предположения верны то напряжение в Р4 93В вместо 60В можна обяснить то что транзистор 7501 недооткривается ы следовательно падение напряжения на 3508 недостаточное для обеспечение его на колекторе 7501 на уровне 60В..
Зарание спасибо за подсказку. |
|