ESpec - мир электроники для профессионалов


Эл. плита Darina EC331 , короткое замыкание... Нужна помощ .

  Список форумов » Некомпетентные вопросы

Следующая тема · Предыдущая тема
АвторСообщение
goknmb 
Заглянувший
Сообщения: 1
 
Сообщение #1 От 02/12/2020 12:19 цитата  

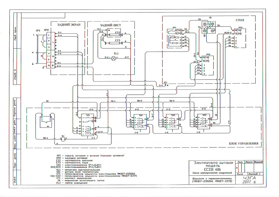
При разборе плиты DARINA EC331 606 обнаружил контакт заземления на одном из контактов переключателя, как он там оказался неизвестно.
Плита стояла на месте после приобретения 5 лет и не двигалась...
Не могу найти разъем для подключения этого выпавшего заземления. Прислали схемы с завода, но легче не стало...
Может быть кто-то сталкивался с этой плитой? Вообще эта "земля" нужна, либо ее можно убрать?

Scan00023.JPG
 Описание:
 Размер файла:  513.73 КБ
 Просмотрено:  190 раз(а)

Scan00023.JPG


WhatsApp Image 2020-12-02 at 13.03.50 (1).jpeg
 Описание:
 Размер файла:  469.56 КБ
 Просмотрено:  176 раз(а)

WhatsApp Image 2020-12-02 at 13.03.50 (1).jpeg


WhatsApp Image 2020-12-02 at 13.03.51.jpeg
 Описание:
 Размер файла:  345.53 КБ
 Просмотрено:  154 раз(а)

WhatsApp Image 2020-12-02 at 13.03.51.jpeg


xarl 
Модератор
<B>Модератор</B>
Сообщения: 21874
xarl
 
Сообщение #2 От 02/12/2020 17:48 цитата  

goknmb, сумашествие
alex x 
Завсегдатай
Сообщения: 498
 
Сообщение #3 От 02/12/2020 23:19 цитата  

можешь обрезать....там и так заземлено!

Перейти: 
Следующая тема · Предыдущая тема
Показать/скрыть Ваши права в разделе

Интересное от ESpec


Другие темы раздела Некомпетентные вопросы

1


Rambler's Top100 Рейтинг@Mail.ru liveinternet.ru