| Автор | Сообщение |
KRAB
Распугиватель клиентов
Сообщения: 21704
|
| mileshca писал: | | имел ввиду размах около1в привыходе импульса запуска с проца!! до пред выходного раскачивающего транзистора | - тем более ХЕР ТАМ - там, например при питании проца 8 вольт - 8 вольт и будет ... что-то ты опять "сказки" пишешь ...
ЗЫ: картинки даже и вставлять не буду - сам смотри!
| vladgor писал: | | что скажете о форме и размахе импульсов на входе и выходе ТМС ? | - скажу, что ИДИ и читай КНИГИ по ремонту - все ДАВНО описано! |
|
mileshca
Передовик
Сообщения: 2513
|
| неужели D2527 не нашел?? брака их не встречал!! у тебя косяк в транзисторе строчном!! если его выпаять какой импульс на его базе при запуске?? форма размах?? |
|
KRAB
Распугиватель клиентов
Сообщения: 21704
|
| mileshca писал: | | если его выпаять какой импульс на его базе при запуске?? форма размах?? | - повторяю - ты САМ это представляешь? А как он изменится если ВЫПАЯТЬ переход БЭ НОТ, как ты советуешь, или просто отпаять вывод К НОТ?!  |
|
mileshca
Передовик
Сообщения: 2513
|
| KRAB, Руслан , я сам делал 100грц!! если выпаять сам транзистор НОТ, то на базе при запуске импульс будет, или ты будеш отрицать?, я лопухнулся в том что размах да!! я имел ввиду вольт деление |
|
|
vladgor
|
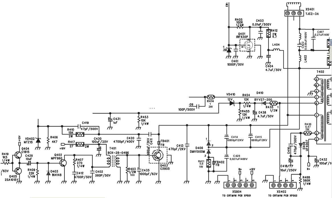
Притащил С1-67 посмотрел на входе и выходе ТМС-а . Остроканечные импульсы .Не поверил Осцилу Сегодня вторым С1-67 на работе просматривал на четверке вход , выход ТМСа , накал . Все показывал как на схеме прямоугольные импульсы с параболическими завалами . А на этом телевизоре опять остроканечные .Размахом 60 v входе ТМС и 12 v на выходе . И привезли НОТ SC5905 . Но левак - надпись нанесена не лазером а штампована краской . На входе предоконечного транзистора еще раньше заменил подозрительный сондер 10х25v с плохим ESR . Рис импульсов и фото HОТа (поскудненькое - мобилкой) вставляю .Все кондеры в обвязке НОТа поверил мегометром и RLC .Плохих не нашел .
ДОБАВЛЕНО 14/02/2012 20:18
еще
ДОБАВЛЕНО 14/02/2012 20:21
Рисунок
ДОБАВЛЕНО 14/02/2012 20:25
Такой НОТ с надписью краской работать не будет ?
Фото006.jpg 32.86 КБ Скачано: 3 раз(а)
ДОБАВЛЕНО 14/02/2012 23:52
Накосячил
ДОБАВЛЕНО 14/02/2012 23:53
и второй
ДОБАВЛЕНО 14/02/2012 23:54
.А НОТы с лазерной гравировкой надписи поддельные попадались ?
А что скажете о форме и размахе импульсов на входе и выходе ТМС ?

Фото006.jpg 32.86 КБ Скачано: 289 раз(а)
|
|
mileshca
Передовик
Сообщения: 2513
|
| vladgor, выпаяй сам транзистор и нагрузи лампочку 60ватт по+ В , не должно быть острых концов |
|
|
vladgor
|
| mileshca, Такая форма импульсов при выпаяном НОТе на выводах ТМС (коллектор предоконечного 60 в ,база оконечного 12 в ) . |
|
mileshca
Передовик
Сообщения: 2513
|
| vladgor, ну вот, у тебя не правельная форма импульса!! значит уже определились где копать, должно быть прямоугольная , схема на сей девайс есть? |
|
|
vladgor
|
Вот вырезал кусок -
29KF 1.jpg 60.91 КБ Скачано: 314 раз(а)
|
|
KRAB
Распугиватель клиентов
Сообщения: 21704
|
| mileshca писал: | | если выпаять сам транзистор НОТ, то на базе при запуске импульс будет | - конечно будет, вопрос о ФОРМЕ! Ладно, ты все равно ничего не понял ...  |
|
mileshca
Передовик
Сообщения: 2513
|
KRAB, все норм, понял , невнимательно прочитал  |
|
NikolaiMalaxov
Передовик
Сообщения: 1059
|
| vladgor, ВВ кондеры проверил? |
|
KRAB
Распугиватель клиентов
Сообщения: 21704
|
| mileshca писал: | | у тебя не правельная форма импульса!! | +| vladgor писал: | | при выпаяном НОТе на выводах ТМС | ---- "оторвали таракану все лапки - он оглох" - так и у ВАС ...
| mileshca писал: | | невнимательно прочитал | - а чего тогда опять херню пишешь?! Впаяйте БЭ любого НОТ ...
| NikolaiMalaxov писал: | | ВВ кондеры проверил? | - мне опять повторить пост выше? При этом МОМЕНТАЛЬНЫЙ пробой, а не перегрев и "токовый"
Кто вас электронике и ремонту учит?! |
|
|
vladgor
|
| NikolaiMalaxov, И меете ввиду в коллекторе НОТа -проверил .Правда я включаю его без НОТа . И импульсы мерил без НОТа . |
|
mileshca
Передовик
Сообщения: 2513
|
KRAB, Руся я уже понял, что невнимательно прочел, мучитель тараканов  |
|
NikolaiMalaxov
Передовик
Сообщения: 1059
|
D400?
ДОБАВЛЕНО 15/02/2012 00:34
FB401 у тебя сгорел?а FB402 цел? |
|
KRAB
Распугиватель клиентов
Сообщения: 21704
|
| 99% НОТ и 1% - межвитковка ОС ... развели тему на три страницы ... и ВЫШЕ перечитайте! |
|
|
vladgor
|
До ближайшей точки где продают тараканов левых, в основном , и за нормальные деньги в один конец 150 Км .Пока другие прикуплю пройдет время . Было бы ближе ...
ДОБАВЛЕНО 15/02/2012 00:44
FB401 и FB402 целы и D400 тоже . |
|
KRAB
Распугиватель клиентов
Сообщения: 21704
|
А в интернетмагазинах и Купи-Продай форума ты забанен?  |
|
|
vladgor
|
KRAB, межвитковка ОС - А как же тогда растр был .я с минуту - две видел картинку .
ДОБАВЛЕНО 15/02/2012 00:49
KRAB, Это как . Они по почте могут бандеролью отправить ? |
|