| Автор | Сообщение |
|
yaotzin2
|
матрица
T315XW02VD - код матрицы 091
------------------------
MAIN: 3139 123 62613 WK713.5
Процессор M30300SAGP
HDMI - Si I9025CTU
eeprom - 24c64wp
-----------------------
блок питания
PLCD190P3
U115 TEA1533AT - по 5 вольтам
U500 TEA1601T - по 12 вольтам
UO50 L6562D
для проверки БП если подключать отдельно подаём GND на pson либо замкнуть эмиттер и коллектор смд транзитора на который идёт pson
-----------------------
был неисправен блок питания - не было 12 вольт
сделал заработала подсветка экрана, появился звук.
все напряжения выдаёт.
------------------
Изображения нет - пробовал ввести код матрицы
06598 menu 091
вводится, индикатор с включенного состояния телевизора переходит в красное - реж ожидания.
все равно нет изображения,
можно ли по разьёму который идёт на матрицу понять что он всё выдает? и неисправна матрица?
---------------
(SDA и SCL) шина данных
подключатся и смотреть что там ????
----------
VDISP напряжение питания
питание есть 12 вольт
---------------
-------
добавил все что нашел по этой модели - может кому пригодится
ДОБАВЛЕНО 03/06/2014 19:55
мануал по ремонту со схемами http://slil.ru/a5Q3d но без схемы блока питания.
выход на матрицу.jpg 197.23 КБ Скачано: 722 раз(а)
слил прошивку.zip 4.75 КБ Скачано: 610 раз(а)
инструкция жк телевизора Philips 32PFL5322.pdf 2.78 МБ Скачано: 16240 раз(а)
схема бп немного отличается от plcd190p3.pdf 245.53 КБ Скачано: 1061 раз(а)
датащит_на_детали.zip 3.22 МБ Скачано: 690 раз(а)
|
|
|
yaotzin2
|
с блока питания еще выходят на основную плату
BL-DIM
PG
BL-ON
зачем эти выводы? подсветка светится, может что то не идёт от них на основную? что нет самого изображения на экране.
на основной плате все выходы со всех преобразователей напряжения проверил - все напряжения есть.
ДОБАВЛЕНО 03/06/2014 20:13
хм...
BL-DIM
PG
BL-ON
наверное это выход на управление инвертором с основной платы... |
|
|
ALBERT002
|
А повнимательней?Может Sil9025(Si l9025),U050(UO50),PD(PG)?
Для информации BL-BackLight. Займись самообразованием.В инете можно всё найти.
Не пойму,почему "цитировать" у меня не работает?Может и мне помогут?  |
|
Иван Зенин
Модератор
Сообщения: 6784
|
ALBERT002, цитирование работает при использовании браузера IE.
yaotzin2, почему обходишь вниманием T-con? |
|
|
ALBERT002
|
Иван Зенин, Я им и пользуюсь.Пробовал и хромом-никак.Цитата полностью работает,а выделение не хочет.На зеркале проблем нет.  |
|
|
yaotzin2
|
| PG- Power Good ? =) выход с БП? на основную плату? |
|
|
B.B.
|
| Иван Зенин писал: | | почему обходишь вниманием T-con? | Все напруги с него в тему, название и замеры осцилом на LVDS. |
|
|
ALBERT002
|
PD- POWER_DOWN.
yaotzin2, Тебе же пишут | Цитата: | | почему обходишь вниманием T-con? |
| B.B. писал: | | Все напруги с него в тему, название и замеры осцилом на LVDS. |
А ты не слушаешь.
А на работе "цитирует"  |
|
|
yaotzin2
|
PG вообще не используется на БП на него не подходит ни одна дорожка, зато N/C один заметил что идёт дорожка к DIM.
ДОБАВЛЕНО 04/06/2014 14:21
| Иван Зенин писал: | ALBERT002, цитирование работает при использовании браузера IE.
yaotzin2, почему обходишь вниманием T-con? |
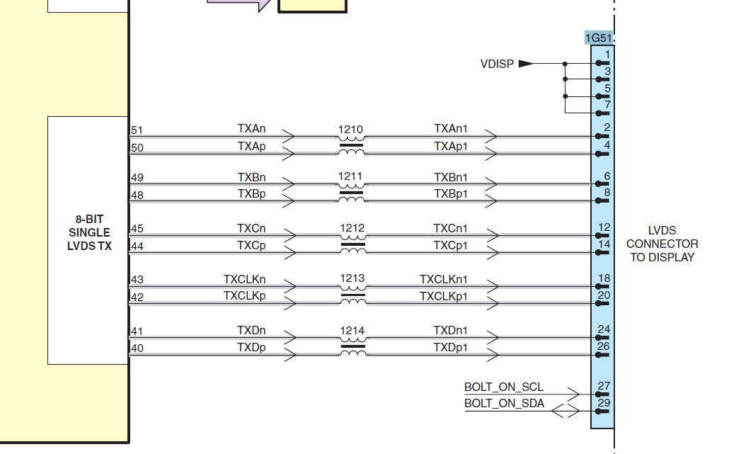
ну вот на T-con идёт 1G51 разъём с main board, вот я как раз и задал вопрос как понять что с 1G51 всё выходит. |
|
|
Oleg-44
|
yaotzin2, ты когда наконец до T-CON доберёшься, чтобы на нём
напряжение померять. У тебя T-CON такой стоит?
2014-06-04_134848.jpg 154.09 КБ Скачано: 917 раз(а)
|
|
|
yaotzin2
|
| Oleg-44 писал: | yaotzin2, ты когда наконец до T-CON доберёшься, чтобы на нём
напряжение померять. У тебя T-CON такой стоит? |
нет у меня T260xw02 v7нашел мануал почти такой
ДОБАВЛЕНО 04/06/2014 15:24
сейчас все подключу попробую что нить померять на нём.
T260XW02-VS-BN07-00638A.pdf 337.41 КБ Скачано: 892 раз(а)
|
|
|
yaotzin2
|
| сгорел предохранитель F1 надпись 2А на 2ампера, заменил. Отключил шлейфы которые идут на матрицу, подключил блок питания отдельно на 0.5 ампер - просадки напряжения нет, ток потребления 80мА, по схеме 3.3 вольта есть, 1.8 на плате есть. Сейчас попробую шлейфы подрубить матрицы, по идее просаживаться напряжение должно, и ток потребления увеличится? сгореть предохранитель сам по себе мог? |
|
|
ALBERT002
|
| yaotzin2 писал: | | зато N/C один заметил что идёт дорожка к DIM. | Может проще было на SSB посмотреть?И оставь б.п. в покое.

|
|
|
yaotzin2
|
| ALBERT002 писал: | | yaotzin2 писал: | | зато N/C один заметил что идёт дорожка к DIM. | Может проще было на SSB посмотреть?И оставь б.п. в покое. |
та... на бп нет даже дорожки, а на ssb там с двух сторон иди знай может там даже дорожка припаяна и она никуда не ведёт...
ДОБАВЛЕНО 04/06/2014 17:19
значит с tcon выходит 2 шлейфа на матрицу, я пробовал 1 подключить и включить телевизор - включается, а вот первый отключаю второй подключаю - телевизор не включается.(верней подсветка даже не включается) видать в защиту по 12 вольтам бп входит?
ДОБАВЛЕНО 04/06/2014 17:30
с одним шлейфом должно показывать нормально пол экрана?
ДОБАВЛЕНО 04/06/2014 17:36
похоже выход шлейфа tcon на матрицу один нерабочий, как только его подключаю бп по 12 вольт в защиту уходит. |
|
|
yaotzin2
|
|
Иван Зенин
Модератор
Сообщения: 6784
|
| Замучил котёнка насмерть. В первом посту поведение телевизора было совсем другим. |
|
|
yaotzin2
|
нашел как врубить автономный режим(agmoden подтянуть на 3.3в) сейчас буду пробовать.
| Код: | LVDS Option:H(3.3V),NC(OPEN) --> NS,
L(GND) --> JEIDA
AGMODENOption: L(0V),NC(OPEN) --> Normal
H(3.3V) --> Auto Run |
ДОБАВЛЕНО 04/06/2014 18:56
врубил автономный ни каких изменений на экране, получается либо tcon плата неисправна либо дальше шлейфов к матрице надо смотреть.
ДОБАВЛЕНО 04/06/2014 19:12
странно на AGMODEN и так 3.3 вольта, через подтягивающие сопротивление? врубается подачей на gnd ? пробовал, результат на экране такой же... |
|
Captain
Передовик
Сообщения: 1484
|
| yaotzin2, может для начала огласишь все напряжения по контрольным точкам у ткона? |
|
|
yaotzin2
|
схемы нет, T260xw02 есть а вот T260xw02 v7 нету  |
|
|
B.B.
|
yaotzin2, такое впечатление, что ты глухой. Тему создал и ведешь беседу сам с собой.  |
|