| Автор | Сообщение |
|
Бермудский
|
СОСТАВ:
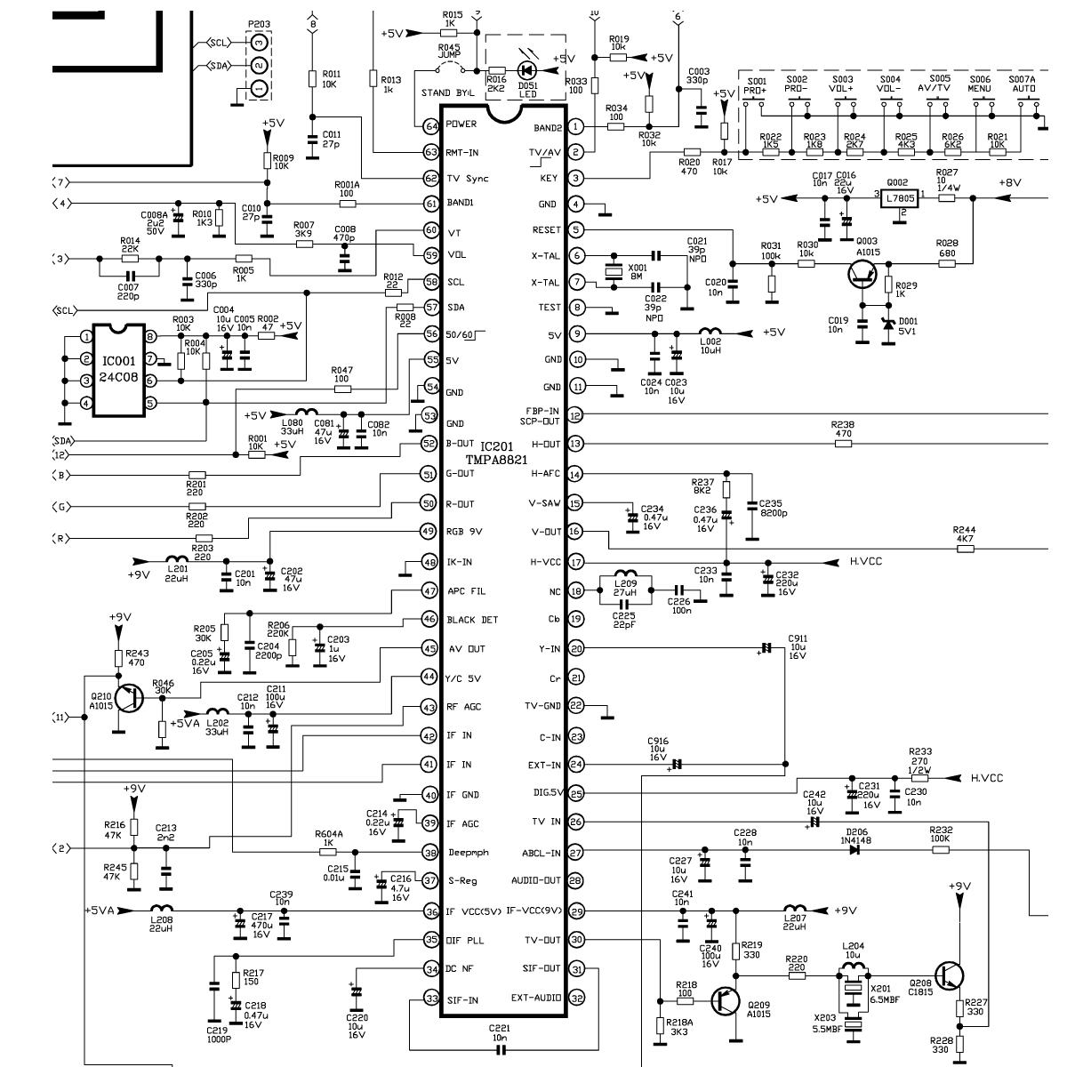
UOC - TCL-A30V02-TO 8821CRNG5JB2
Memory - 24C08
Vertical - STV9302A
Sound - TDA7057AQ
Tuner - TCL79107D5B3
FBT - 37-BSC250-2310X
HOT - 2SD1555
НЕИСПРАВНОСТЬ :
Отсутствует цвет в PAL и SECAM по ВЧ. По НЧ не пробовал.OSD при этом в цвете. Питание на проц в норме. Подставлял другую память с прошивкой под шасси М28 - цвет не появился.
ВОПРОС :
Проц под замену ?
| 8821.jpg |
| Описание: |
|
| Размер файла: |
386.19 КБ |
| Просмотрено: |
911 раз(а) |

|
|
|
ut3eo
Завсегдатай
Сообщения: 928
|
| Бермудский, Чё так сразу. Начни с кварца и объязки. |
|
|
Бермудский
|
| Кварц хотел подкинуть, но нет 8000КГц в наличии, если найду,то в понедельник попробую.Сталкивался чтоб из-за кварца не было PALа . А из обвязки что может дать отсутствие цвета? |
|
JYRIJJ
Спец-агент
Сообщения: 4741
|
| Бермудский писал: | | А из обвязки что может дать отсутствие цвета? | Запросто! В твоем случаи пины 18 и 47 проца!
ДОБАВЛЕНО 23/02/2013 08:20
И огласи нам замеры напряжений!!! |
|
|
Бермудский
|
Всех с празником!
Всё-таки откопал в донорах кварц, но увы - цвет так и не появился.
Оглашаю замеры по пинам проца :
1 = 4,7v
2 =0v
3 =4,7v
4 =0v
5 =5,1v
6 =2,1v
7 =1,5v
8 =0v
9 =4,8v
10 =0v
11 =0v
12 =1,1v
13 =1,9v
14 =6,1v
15 =3,9v
16 =4,6v
17 =8,9v
18 =0v
19 =2v
20 =2v
21 =2v
22 =0v
23 =0v
24 =2,4v
25 =3,3v
26 =2,5v
27 =4,6v
28 =3,4v
29 =8,6v
30 =3,4v
31 =1,7v
32 =4,0v
33 =2,5v
34 =2.2v
35 =2,4v
36 =4,8v
37 =2,1v
38 =4,3v
39 =2,4v
40 =0v
41 =0v
42 =0v
43 =4,0v
44 =4,9v
45 =1,7v
46 =2,5v
47 =2v
48 =0v
49 =8,6v
50 =3v
51 =3v
52 =3,5v
53 =0v
54 =0v
55 =4,8v
56 =0v
57 =4,8v
58 =4,8v
59 =0,6v
60 =4,1v
61 =4,7v
62 =3,8v
63 =4,6v
64 =4,7v |
|
виктор-теледоктор
Фанат форума
Сообщения: 13900
|
|
|
Бермудский
|
Благодарен Виктору-теледоктору за инфу.Всё проверил в обвязке - цвет не появился .Остаётся одно - проц.
Но клиент, услышав цену вопроса , порешил , что чёрно-белое кино ему по душе.
Посему окончательного решения проблемы не будет
Благодарю всех, кто откликнулся ! |
|
JYRIJJ
Спец-агент
Сообщения: 4741
|
Бермудский, Рано здался!!!
Цвета может не быть из за не достаточного уровня СИОХ, Посмотри цепь к 12 ножки проца! |
|
makeym
Фанат форума
Сообщения: 9737
|
Бермудский, а если перевести в рабочи!??
Чё ЗА ЛОХОТРОНСКИЙ
ДОБАВЛЕНО 24/02/2013 05:36
Бермудский, А ТЫ ЧЁ ТАМ МЕРЯЛ
ДОБАВЛЕНО 24/02/2013 05:37
идиот! а кто модэр??  |
|
makeym
Фанат форума
Сообщения: 9737
|
Твои замеры по постоянке ни очём не говорят (OSD при этом в цвете.) -
Меняй, декодэр в этом маньяке от внешних прибамбасов не зависит!
ДОБАВЛЕНО 24/02/2013 14:14
| JYRIJJ писал: | Бермудский, Рано здался!!!
Цвета может не быть из за не достаточного уровня СИОХ, Посмотри цепь к 12 ножки проца! |
Если амплитуда на 12 ноге не будет соответствовать 1-1,5вольт - проц просто заткнётся, проходили, если есть подобное тело - можешь попробовать! Высокое есть - не изо не ОSD нет, при.... - лохи (естественно)  |
|
iyzef
Хитрый лис
Сообщения: 7860
|
| Как то делал такую же тему по 28 шасю. Посмотри форум. помню дело кончилось - в послед кварца кондер подстроечный ставишь и делу конец. Иначе из 40 кварцев тока с одним цвет пытается пробиваться. Ну ессно если все остальное -норм. |
|
agent007
Фанат форума
Сообщения: 4294
|
| Секаму до фени какой там кварц стоит |
|
|
Бермудский
|
| Бермудский писал: | Повторюсь ,что клиент, услышав цену вопроса , порешил , что чёрно-белое кино ему по душе.
Посему окончательного решения проблемы не будет
Благодарю всех, кто откликнулся ! |
|
|