| Автор | Сообщение |
blek1
Передовик
Сообщения: 1212
|
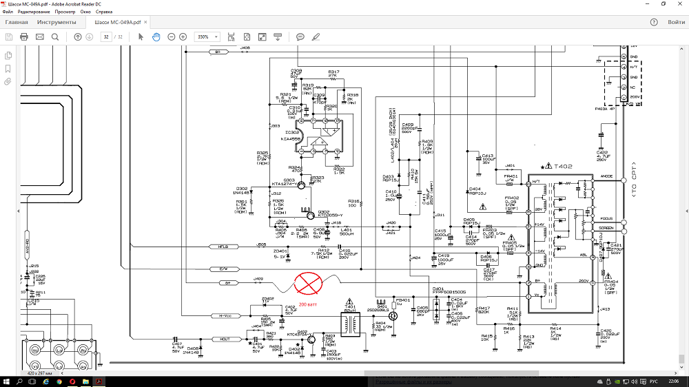
| ТМС,ОС,FBT,обвязку HOT(замени на другой,купи в другом магазине,сними с разбора),обвязку видеопроцессора проверяй(кварц при наличии).Смотри,какие цепи питает линия B+ и выявляй.что его садит при переводе в рабочий режим.То,есть,если ты поменял FBT на новый то,что-то садит до FBT-это может быть HOT,ОС,ТМС(и его обвязка)и так далее. |
|
|
Norton1971
|
[quote="vadim3008"]| Norton1971 писал: | Питание В+ =110В,после лампы (предохранитель в разрыв
питания строчника) 49В.
|
Смотри... |
|
vadim3008
Мастер Добрых Дел
Сообщения: 5819
|
| Norton1971 писал: | | Смотри... |
что? смотреть?  |
|
goga_tv
Фанат форума
Сообщения: 4857
|
Norton1971, я так и не понял , лампочка сколько ватт?
ЗЫ: новый, не значит - рабочий |
|
|
Norton1971
|
| vadim3008 писал: | | Norton1971 писал: | Питание В+ =110В,после лампы (предохранитель в разрыв
питания строчника) 49В.
|
растолкуй! |
Вот..
.png 149.19 КБ Скачано: 771 раз(а)
|
|
vadim3008
Мастер Добрых Дел
Сообщения: 5819
|
Norton1971, не лампочку надо цеплять,а искать причину вылета HOT,да и лампочка наверняка этак ватт 150!
ДОБАВЛЕНО 01/12/2015 21:38
позиционные номера,что менял,напиши! |
|
ut3eo
Завсегдатай
Сообщения: 928
|
| Norton1971 писал: | | Время СИОХ завышено, слишком большой пробел MS. |
Опять вода. Конкретней в микросекундах.Длительность самого СИОХ для 50-герцовых шасси должна быть 12мкс.

|
|
blek1
Передовик
Сообщения: 1212
|
Господи у него в телике вылетает HOT и идёт просадка напряжения B+,а они осциллограмы изучают.А если будет предохранитель вылетать,как мне там успеть осциллограму поизучать,через лампочку?  |
|
pion
Передовик
Сообщения: 1602
|
| Norton1971 писал: |
все цепи обвязки коррекции и обвязки строчного транзистора поменял.
Строчник методом замены, обвязка: С404,С405,С406 D401 не менял, на прозвон целый. Проверял на приборе емкостей (специализированный) Демпферный двойник тестером. |
Для начала С404,С405,С406,С408,С411 Поставить новые. Никакой проверке никаким прибором они не подлежат.
Также для начала проверить все напряжения, которые идут со строчного трансформатора, возможно, что он перегружен по вторичным обмоткам.
ps/ транзистор для проверки можно поставить КТ838, BU208, в общем железный круглый хлам, который уже никому не нужен. этот хлам тянет, хотя может и довольно сильно нагреваться, но для проверки пойдёт. |
|
igorasrex
Завсегдатай
Сообщения: 635
|
| Norton1971, Ты говоришь менял C404? Такие измерения до и после лампочки и моментальный вылет НОТ-а указывают на его (C404) обрыв. Замени. |
|
|
Norton1971
|
| igorasrex писал: | | Norton1971, Ты говоришь менял C404? Такие измерения до и после лампочки и моментальный вылет НОТ-а указывают на его (C404) обрыв. Замени. |
Не менял, подпаивал внешне большей емкостью. 1н 1600в Я в шоке, Даже друзья не могут понять. (ремонтники со стажем) |
|
pion
Передовик
Сообщения: 1602
|
| Norton1971 писал: | | igorasrex писал: | | Norton1971, Ты говоришь менял C404? Такие измерения до и после лампочки и моментальный вылет НОТ-а указывают на его (C404) обрыв. Замени. |
Не менял, подпаивал внешне большей емкостью. 1н 1600в Я в шоке, Даже друзья не могут понять. (ремонтники со стажем) |
А не 20нФ там стоит по схеме? |
|
vadim3008
Мастер Добрых Дел
Сообщения: 5819
|
| Norton1971 писал: | | Не менял, подпаивал внешне большей емкостью. 1н 1600в |
закрой крышку!
| Norton1971 писал: | | Я в шоке, |
Нет,это мы в шоке,как такому как ты доверили ремонт!
| Norton1971 писал: | | Даже друзья не могут понять. (ремонтники со стажем) |
такой стаж у них,как и у тебя пора!  |
|
iv-9
Фанат форума
Сообщения: 6356
|
| На пальцах - замени конденсатор в параллели верхнему диоду модулятора (20 nF) |
|
Валентинович
Завсегдатай
Сообщения: 789
|
| Транзисторы , которые ставишь - плохие. Сейчас такие поганые транзисторы везде продаются. |
|
|
Norton1971
|
| Валентинович писал: | | Транзисторы , которые ставишь - плохие. Сейчас такие поганые транзисторы везде продаются. |
Возможно горели по доброте продавца, транзистор загнулся когда свет моргнул и я так решил, что чисто от старости сдох D2689, заказал а толку нет. Поставил вместо него C5250 предварительно выпаявR404, на емкость С404 повесил сверху 6,8H на 1600в - телик запустился правда радиатор малек греется. Придется завтра на Митино срулить, прикуплюсь лучше новыми емкостями и транзисторами. |
|
Валентинович
Завсегдатай
Сообщения: 789
|
| В Митино можешь транзисторы не покупать - там сплошной брак . |
|
|
Norton1971
|
| Валентинович писал: | | В Митино можешь транзисторы не покупать - там сплошной брак . |
Спасибо, поздно... Ладно, буду завтра жечь их. )) На сегодня после прогулок с 0 этаж на чердак, желание паять пропало. Завтра проверю твою версию о браке. Я их купил на нулевом этаже и 3-чердак. |
|
|
Norton1971
|
| iv-9 писал: | | На пальцах - замени конденсатор в параллели верхнему диоду модулятора (20 nF) |
Да, горел из-за C404, заменил, и без подпайки ставил C5250 (греется) и 1803DHI (Греется быстрей). Ставил купленные с разных павильонов митино D2689 - вообще не запускается и не горит! У D2689 не смог на прозвонке увидеть диод между Э-К. Чем же заменить D2689? Кажись оригинал мне не светит. |
|
iv-9
Фанат форума
Сообщения: 6356
|
| Он и родной там прилично греется на радиаторе, 60-70 градусов. Оригинал 1803DHI попробуй поставить и погонять, только резистор в базе на плате (R404) убери, хватит встроенного в транзистор - греться будет меньше. |
|