| Автор | Сообщение |
|
ierogliff
|
Здравствуйте!
Сгорела СМА Kaizer 4508tl, а именно электронный модуль (REMCO 5153).
В поисках причины выгорания модуля проверил всю периферию в машине (клапаны, помпу, мотор, ТЭН, замок люка, датчик уровня) - все работает. Видимо причина в самом модуле (перегорела дорожка с контакта FASE и расположенная рядом тонкая дорожка уходящая под ряд смд-элементов).
Прошу помощи:
1.В поиске схемы модуля, т.к. номиналы многих элементов не видны (неизвестно, что еще кроме очевидного погорело). Какие элементы еще посоветуете проверить?
2. В восстановлении дорожек и типов элементов:
- что-то вроде транзистора в корпусе SOT23,
- SMD диод (стабилитрон?),
- выводной диод D4 (на фото под мощным сопротивлением - практически не виден).
Спасибо всем за помощь. правил xarl
| 2.jpg |
| Описание: |
|
| Размер файла: |
202.69 КБ |
| Просмотрено: |
380 раз(а) |

|
| 4.jpg |
| Описание: |
|
| Размер файла: |
220.56 КБ |
| Просмотрено: |
403 раз(а) |

|
3.jpg 147.88 КБ Скачано: 362 раз(а)
5.jpg 149.13 КБ Скачано: 368 раз(а)
|
|
xarl
Модератор
Сообщения: 21874
|
|
|
ierogliff
|
| Заполнил, насколько возможно. Правила читал - кроме незаполненного профиля ничего не нарушал) Поиском форум прошерстил вдоль и поперек - решения для себя не нашёл. |
|
|
ierogliff
|
Посидел я с платой:
Диод (под зеленым резистором цел). Рядом 2 резистора по 0.125 Вт - нижний на 10(!) Ом в обрыве.
Пытаюсь понять куда такой ток ломанулся, что пережёг широкую фазную дорожку. Судя по оставленным после себя следам, то он ушел на вывод 11 эл.модуля - на термодатчик, но ТД жив (при 20град R=220 кОм, при увеличении t, R снижается).
С другой стороны не понятно почему сгорел R43 (10 Ом), он по-моему вообще в стороне от этого контура. Кстати большое зеленое сопротивление при замере: R=5 кОм (думаю, что Ок!) - номинала на нем нет(.
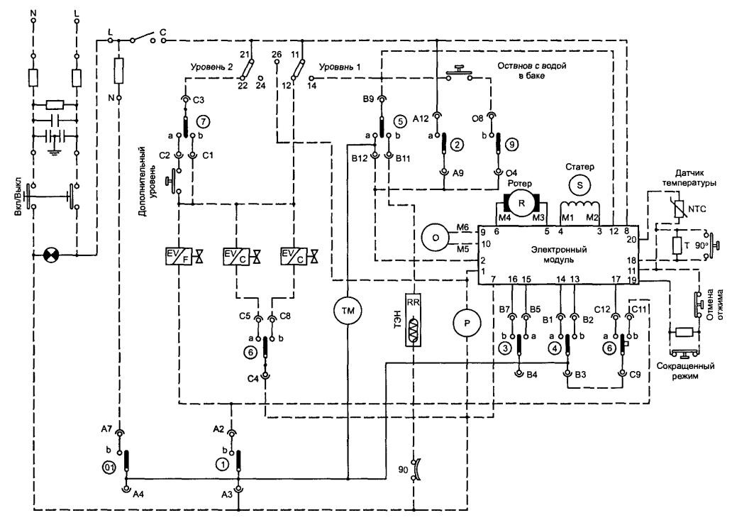
Блин! Схема нужна 
.JPG 98.29 КБ Скачано: 415 раз(а)
|
|
Mitya80
Передовик
Сообщения: 1583
|
| По тахо он у тебя хлопнул,питание на модуле есть?сколько |
|
|
vlad178
|
| а не все ли равно? тахо наверняка спекся |
|
|
ierogliff
|
| vlad178 писал: | | а не все ли равно? тахо наверняка спекся |
Тахогенератор проверял изначально при поиске причин выгорания эл.модуля, но после последних сообщений еще раз сходил проверил. Тахогенератор жив. Прозванивается вместе с проводами 195 Ом. |
|
|
ierogliff
|
Нашел на форуме срисованную вручную схему с этого блока и исходя из нее восстановил погоревшие дорожки. Заодно поменял сгоревший транзистор (марка неизвестна, поставил ВС856А), смд диод (марка неизвестна, поставил 1N4148) и выводной резистор R43.
С резистором, честно говоря я немного парюсь - по-моему у него номинал 10 Ом (че-то маловато), а по рисованной схеме номинал обозначен 100 Ом. Но вот не получается по маркировке 100 Ом. Может кто маркировку расшифровать, чтоб быть уверенным в номинале?

|
|
|
regiss
|
ierogliff, такие "ОЖОГИ" модули семейства REMCO 5151/5153 получают исключительно в случаях, когда "мастер" попутает разъёмы.
А после такого "мастера" модуль восстановлению не подлежит, так как контролёр с маркировкой PHILCO в 99,99% - ТРУП. |
|
|
ierogliff
|
Хм. Вы я чувствую все тут "мастера" - нет бы помочь человеку советом, дак нет лишний раз свое "превосходство" пытаетесь показать. То БОМЖом человека назовете, просто из-за того, что город не вписал в профиль, то на "мастерство" намекнете...Не пытались просто помочь? я вроде конкретный вопрос задал...
Если вам regiss интересно то, что я здесь пишу, то в данной сма разъемы не перепутать, даже если бы я этого очень хотел: там все настолько впритык, что проводов на эти манипуляции не хватит, не знаешь как на свое место разъем вкорячить - это раз.
Два - со слов хозяйки машины: хлопок раздался во время отжима (т.е. в этот момент никто, как вы понимаете, разъемы местами менять не мог).
Не минуты не сомневаюсь в вашем опыте по ремонту, но все-таки здесь вы не правы!
Спасибо всем за помощь.
PS: надеюсь сам МК жив, иначе зря все. |
|
тюю
Завсегдатай
Сообщения: 714
|
так регис конкретно ответил модуль ТРУП !!!!
что еще ? |
|
|
ierogliff
|
Регис ответил, что Контроллер (а не модуль) труп с определенной долей вероятности. Он что - экстрасенс? Я и сам прекрасно понимаю что МК мог кони бросить. Регис также сказал, что модуль так мог выгореть исключительно(!) из-за того что мастер разъемы перепутал... Но я то знаю, что мастера и близко не было в тот момент, когда он хлопнул. Поэтому уж извиняйте.
ДОБАВЛЕНО 05/01/2017 17:20
Чем полемику разводить, лучше бы раскодировали маркировку резистора. |
|
yura14
Фанат форума
Сообщения: 3035
|
| ierogliff писал: | | ...... Я и сам прекрасно понимаю что МК мог кони бросить..........Чем полемику разводить, лучше бы .... | МК по цепи питания проверить, а затем делать выводы и производить какие либо действия.  |
|
тюю
Завсегдатай
Сообщения: 714
|
если он хочет ..
зачем мешать .... |
|
|
regiss
|
| ierogliff писал: |
Чем полемику разводить, лучше бы раскодировали маркировку резистора. |
| ierogliff писал: | | С резистором, честно говоря я немного парюсь - по-моему у него номинал 10 Ом (че-то маловато), а по рисованной схеме номинал обозначен 100 Ом. Но вот не получается по маркировке 100 Ом. Может кто маркировку расшифровать, чтоб быть уверенным в номинале? |
Да не вопрос.


|
|
Александр Михалыч
Фанат форума
Сообщения: 4759
|
| Цитата: | | Хм. Вы я чувствую все тут "мастера" |
Может и не все, - но не припомню, что бы кто-то спрашивал расшифровку цветовой кодировки номинала резика.
Тем более, - инженер КИпА ... .  |
|
Mitya80
Передовик
Сообщения: 1583
|
| Я же сказал питание проверь!!!!Если нет питания на емкостях,сними проц и увидишь результат.зачем тебе резистор этот дался |
|
тюю
Завсегдатай
Сообщения: 714
|
| тюю писал: | если он хочет ..
зачем мешать .... |
|
|
Mitya80
Передовик
Сообщения: 1583
|
| тюю писал: | | тюю писал: | если он хочет ..
зачем мешать .... |
|
Бывает если есть азарт  |
|
|
vlad178
|
| Mitya80 писал: | | Я же сказал питание проверь!!!!Если нет питания на емкостях,сними проц и увидишь результат.зачем тебе резистор этот дался |
ваащет он в цепи питания )) |
|