| Автор | Сообщение |
|
Lёxa
|
Чем можно заменить оптрон CPC1230N в данной схемке?
Чем нибудь очень доступным.
image06-1024x999.jpg 158.3 КБ Скачано: 330 раз(а)
|
|
sheva0000
Передовик
Сообщения: 1296
|
мотор в +5в и полевик в минус
ДОБАВЛЕНО 30/10/2015 00:41
logic level
image06-1024x999_366.jpg 154.89 КБ Скачано: 316 раз(а)
|
|
|
Lёxa
|
| Спасибо,а какой полевик и резистор? |
|
sheva0000
Передовик
Сообщения: 1296
|
|
|
Lёxa
|
| Ок,а из отечественного то же можно взять любой? |
|
sheva0000
Передовик
Сообщения: 1296
|
|
Yuritsh
Фанат форума
Сообщения: 18498
|
Lёxa, скажи честно, что у тебя кроме МП35 - МП41 ничего больше нет. Зачем людям мозги паришь?
Если нашел Ардуино, найдёшь и нормальный оптрон. |
|
|
Lёxa
|
| Времени нет от китайцев ждать-это честно, есть много китайских телевизоров и прочей лобуды,но что там выдрать... |
|
eduard2
Модератор
Сообщения: 4783
|
|
|
Lёxa
|
|
sheva0000
Передовик
Сообщения: 1296
|
|
|
Lёxa
|
|
sheva0000
Передовик
Сообщения: 1296
|
| низковольтный нужен, малого размера. из материнской платы бери |
|
|
Lёxa
|
|
eduard2
Модератор
Сообщения: 4783
|
Lёxa Что у тебя нету 60 р ,что бы купить реле ? по моей ссылки ,а не заниматься самодельщиной с полевиком кстати вот тебе же и аналоги этого реле совковые http://sv-mash.spb.ru/data-sheets/opto-rele/pra31s.pdf
| Цитата: | | низковольтный нужен, малого размера. из материнской платы бери | ты думаешь ,что советываешь ? смотри на папругу переключения этого опто -реле шит я положил по это ссылки и совковые аналоги на него |
|
|
Lёxa
|
| в вашей ссылке минимальный заказ 500р.,на Али оптрон стоит 25р. и бесплатная доставка,только ждать месяц.Я к тому. |
|
|
Lёxa
|
| sheva0000, нашёл много - P0903BDG / P3055LDG / 3310GH / 60T03GH / 10N03L / 15N03H ? |
|
|
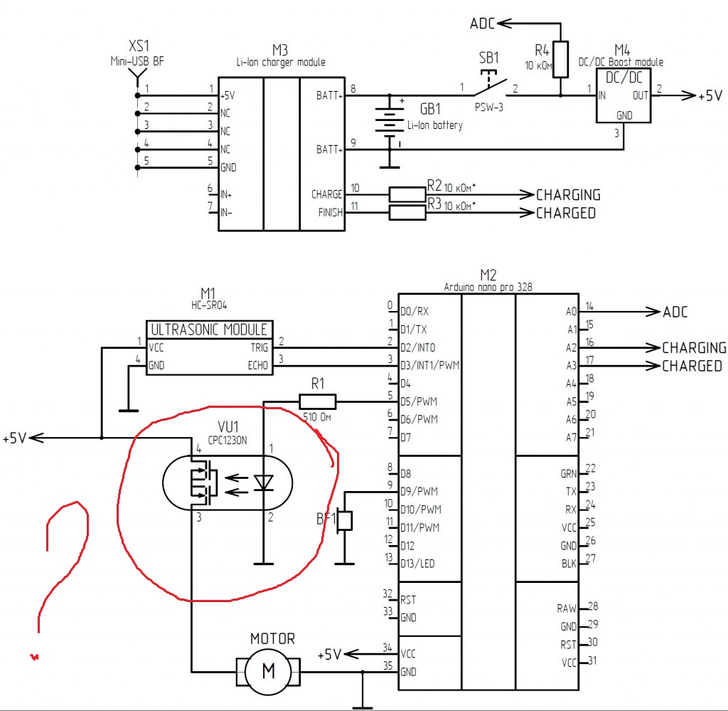
Lёxa
|
Люди Добрые, помогите! Собственно из за чего родилась тема: Увидел тему- http://geektimes.ru/post/255560/ и загорелось отцу слепить сие чудо.Он уже 30 лет не зрячий,НО как у Пушкина-нас всех учили по не многу... Собственно вопрос : ПРАВИЛЬНО ли я собрал или нет?
Судя по фото из темы ,что то не так
| .png |
| Описание: |
|
| Размер файла: |
315.07 КБ |
| Просмотрено: |
318 раз(а) |

|
|
|