| Автор | Сообщение |
|
nokc
|
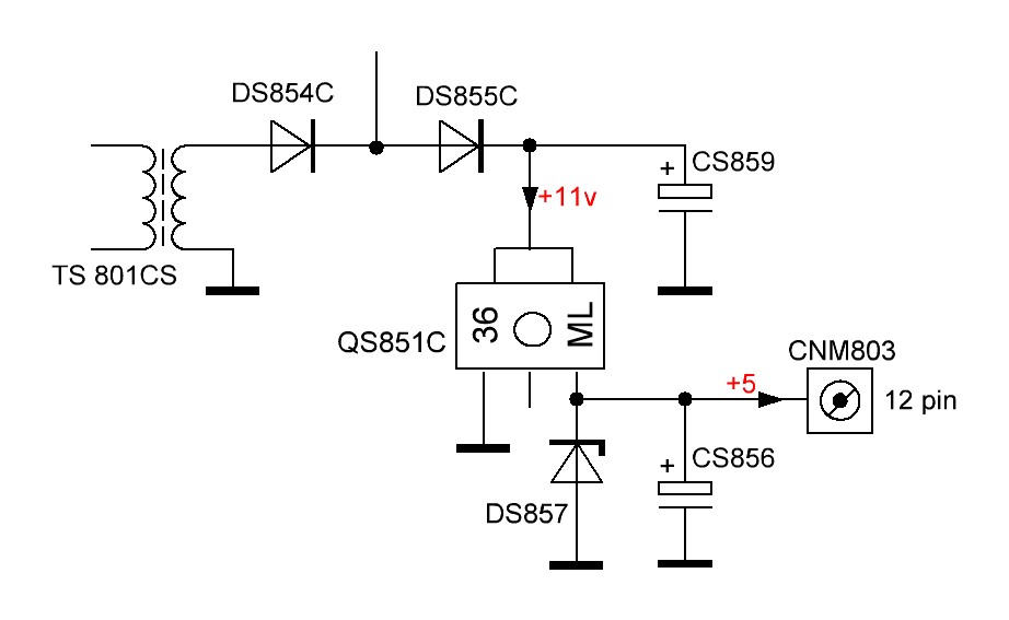
Блок питания BN44-00616A, помогите опознать транзистор QS851, корпус SOT89.
| POWER BOARD_BN44-00616A_3.jpg |
| Описание: |
|
| Размер файла: |
491.1 КБ |
| Просмотрено: |
578 раз(а) |

|
| POWER BOARD_BN44-00616A_2.jpg |
| Описание: |
|
| Размер файла: |
625.35 КБ |
| Просмотрено: |
569 раз(а) |

|
| POWER BOARD_BN44-00616A_1.jpg |
| Описание: |
|
| Размер файла: |
495.46 КБ |
| Просмотрено: |
437 раз(а) |

|
|
|
eduard2
Модератор
Сообщения: 4783
|
nokc, В этой теме rammer ответил какой там стоит транзик http://remont-aud.net/forum/46-69237-1
больше склоняюсь что это KTD1624 напиши лучше куда ноги его идут ,на Б стоит стаб ,а вот куда подключены К и Э ? ( Корейцы обычно любят ставить в БП транзисторы своих контор )
PS- Ради интереса спрашиваю ,состав микрух можешь назвать и поз. номера их
такой состав ? добавь если какую то микру опустил ? :
SLC5012M,
SMS1013
PWM Power: SPS1013P |
|
|
nokc
|
Это дежурка 5 вольт. Могут ли китайцы применить здесь стабилизатор на пять вольт? Поэтому и сомнения.
| BN44-00616A.jpg |
| Описание: |
|
| Размер файла: |
617.11 КБ |
| Просмотрено: |
1007 раз(а) |

|
SAMSUNG_дежурка.JPG 44.69 КБ Скачано: 970 раз(а)
|
|
|
nokc
|
| Неужели не у кого нет такого БП, прозвонить ентот элемент. |
|
AlexP
Передовик
Сообщения: 1146
|
|
|
nokc
|
AlexP, БОЛЬШОЕ СПАСИБО!!! Оно и есть, даже судя по маркировке в даташите.
Вот поэтому насчёт транзистора я и сомневался.
Да Вы правы насчет Q, но у китайцев бывает и не такое. |
|
eduard2
Модератор
Сообщения: 4783
|
nokc, | Цитата: | | Вот поэтому насчёт транзистора я и сомневался. | А на каком основании были у тебя такие сомнения ,что это не транзистор ? если бы ты сразу срисовал распиновку данного девайса , и его маркировку ,а не положил фото то быстрей бы получил ответ
ЗЫ- Да спасибо! тебе за состав данного БП то сейчас эти Гнусы вообще не какой инфы не дают ,видимо какая то ком. тайна у них  |
|
|
nokc
|
eduard2 Вам так же спасибо
Насчёт транзистора я сразу подумал, что не может быть база на земле, поэтому и засомневался.
Что не зарисовал - мой косяк, в уме держал и не подумал. |
|
|
sipan
|
привет всем. помоготе запустит БП BN44-00616A (такой как у афтора темы) без светодиодной подсветки. с потсветкой всё работает, но мне нужно емено без потсветки. как отключит зашиту.
шим контроллер SLC5012M |
|