| Автор | Сообщение |
|
Bizooon
|
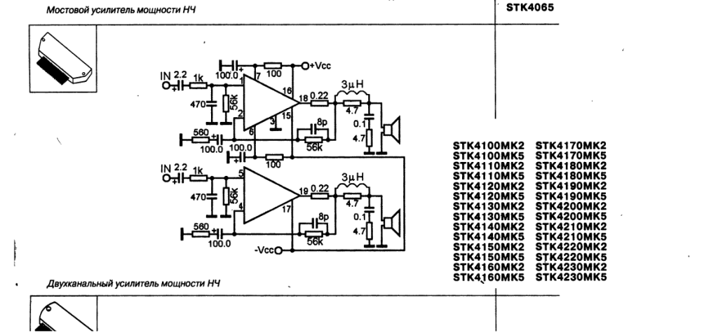
Здравствуйте, в АС сгорели даташиты STK4150MK2 и STK4120MK2, в чертах города и даже края нигде нету, даже на складах, подскажите где можно заказать, и какие имеются взаимозаменяемые аналоги, привожу скан страницы, правильно ли я понял что любой из них является аналогом? Заранее спасибо.
Безымянный.png 131.44 КБ Скачано: 357 раз(а)
|
|
eduard2
Модератор
Сообщения: 4783
|
|
|
Bizooon
|
К сожалению не обладаю такими знаниями, сильно не пинайте))
То что по параметрам разные будут- догадываюсь, как это впоследствии может сказаться на работе, если 4150 останется прежним, а 4120- поменять на 4130?
ДОБАВЛЕНО 04/02/2014 11:31
Спасибо за ссылочку, теперь ясно наглядно  |
|
|
Bizooon
|
| На складе нашел аналоги STK4142 и STK4122 - пойдет ли на замену STK4150 и STK4120? и какие видимые изменения возможны? |
|

|