| Автор | Сообщение |
|
Сергейййй
|
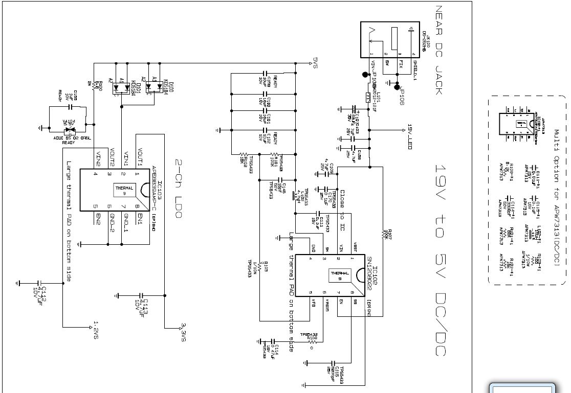
Стояла микра 208022, в магазе найти не могу, если поставить APW 7302b обвеску менять надо, или есть другие аналоги
22.jpg 94.99 КБ Скачано: 1099 раз(а)
|
|
eduard2
Модератор
Сообщения: 4783
|
Сергейййй, Ты че в заголовки темы написал тут ремонтом не занимаются а ищут Даташиты - вот и исправляй твою тему- типа вот так ,Ищу аналог на м/с SN1208022 SOP-8
PS-Кстати у тебя ,что есть даташит на эту микруху? |
|
|
Сергейййй
|
Даташит ненашел, есть только схема
ДОБАВЛЕНО 19/01/2016 19:37
подобрал два варианта apw7313 и apw7302b даташит во вложении, подойдет без замены обвязки?
22.jpg 94.99 КБ Скачано: 536 раз(а)
datasheet 7313.pdf 371.42 КБ Скачано: 543 раз(а)
APW7302B.pdf 547.52 КБ Скачано: 609 раз(а)
|
|
|
Сергейййй
|
Нашел даташит на TPS54339, решил её впаять!
ДОБАВЛЕНО 21/01/2016 08:13
| eduard2 писал: | Сергейййй, Ты че в заголовки темы написал тут ремонтом не занимаются а ищут Даташиты - вот и исправляй твою тему- типа вот так ,Ищу аналог на м/с SN1208022 SOP-8
PS-Кстати у тебя ,что есть даташит на эту микруху? |
Заголовок исправил, на 208022 ничего не нашел.
tps54339.pdf 999.13 КБ Скачано: 700 раз(а)
|
|

|