| Автор | Сообщение |
|
георгий57
|
Помогите опознать чип в плеере.На корпусе SOIC-8 три строки
6218
146G12 (возможно 146С12)
1522
Остальные микросхемы опознаны как проц,флеш и унч..
Плеер работает от лития 3,7 в
Есть подозрение что это конвертер 5в для запитки юсб разьема.
Буду рад любой информации по этой теме.Спасибо.

|
|
roges
Передовик
Сообщения: 1197
|
|
|
георгий57
|
|
eduard2
Модератор
Сообщения: 4783
|
георгий57,
1- фото сделай по качественнее ( то на такой фотки не хрена не видно .лого какое то на твоём девайсе есть или нет ?
2- пины этой микры давай давай в студию ,
3- в заголовки темы напиши хотя бы в каком корпусе твоя микра находится
Предположительно
LTC1522
Micropower, Regulated
5V Charge Pump
DC/DC Converter |
|
roges
Передовик
Сообщения: 1197
|
| георгий57 писал: | | Нет в нем приемника |
георгий57, укажи название плеера. |
|
blek1
Передовик
Сообщения: 1212
|
|
roges
Передовик
Сообщения: 1197
|
| георгий57 писал: | На корпусе SOIC-8 три строки
6218
146G12 (возможно 146С12)
1522 |
blek1, это новогодний прикол?!  |
|
eduard2
Модератор
Сообщения: 4783
|
roges, | Цитата: | blek1, это новогодний прикол?!  | Геннадий привет! похоже что таки да ,| Цитата: | | FM Tuner - RTC6218 | Oт сюда эту инфу взял что эта
микра RTC6218
blek1, По какой причине такой вывод сделал, что именно эта микра там стоит? |
|
roges
Передовик
Сообщения: 1197
|
eduard2, Эдуард, привет!
| eduard2 писал: | | похоже что таки да |
А это кому-то интересно, кроме нас с тобой?!  |
|
|
георгий57
|
| Наконец друг притащил остальные запчасти от сего чуда.Названия у него нет.Есть на упаковке N10U.По этой маркировке вроде как приемник ФМ есть.По печатке определил что питание +5в для зарядки аккума идет с гнезда через диод и резистор 2,2ома мимо выкл. прямо на акум.С акум + 3,7в через выкл звонится с крайней ногой USB порта для флешки???. Чип 6218 не соответсвует даташиту LTC1522 по ногам. |
|
eduard2
Модератор
Сообщения: 4783
|
георгий57, | Цитата: | | Чип 6218 не соответсвует даташиту LTC1522 по ногам. | Ну раз не подходит по ногам эта микра ,распиши ноги своей микры| Цитата: | | По печатке определил что питание +5в для зарядки аккума идет с гнезда через диод и резистор 2,2ома мимо выкл. прямо на акум.С акум + 3,7в через выкл звонится с крайней ногой USB порта для флешки??? | Только не таким макаром это распиши ( я по правде говоря не че не понял че ты там написал ) по подробнее можно и не так по ламерски как ты это описал  |
|
|
георгий57
|
Вот так понятно
плеера.JPG 17.52 КБ Скачано: 356 раз(а)
|
|
eduard2
Модератор
Сообщения: 4783
|
георгий57, Ты для кого это написАл я блин какую инфу у тебя просил по поводу этой микры дать
| Цитата: | георгий57,
Цитата:
Чип 6218 не соответсвует даташиту LTC1522 по ногам.
Ну раз не подходит по ногам эта микра ,распиши ноги своей микры | ноги распиши свой микры ,раз фото не можешь нормальное сделать ,кстати и фото этой микры не помешало бы и с читабельной маркировкой , а не то что у тебя изображено хз что не хера не видно
ЗЫ- Будешь продолжать в том же духе ,я твой тему отправлю по назначению  |
|
|
георгий57
|
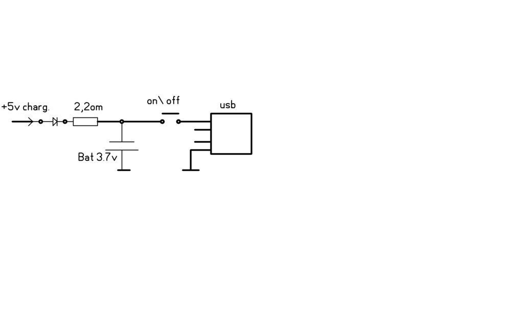
Раз не понятно на словах,решил нарисовать.Что в этом плохого?.Расписываю ноги.- вторая сидит на корпусе(видно по печатке),ни одна нога не связана с +батареи непосредственно,нет замкнутых ног между собой и корпусом.
Остались непоняткой два вопроса,если смотреть на схему
1)куда там можно впихнуть преобразователь
2)каким образом запитан юсб порт 5в если батарея 3,7в |
|
roges
Передовик
Сообщения: 1197
|
| георгий57 писал: | Помогите опознать чип в плеере.На корпусе SOIC-8 три строки
6218
146G12 (возможно 146С12)
1522 |
Ответили....
| roges писал: | | FM Tuner - RTC6218 |
Нужно было, всего-то, скачать даташит на RTC6218 и, сравнить включение..... Оказалось непосильной задачей!
| георгий57 писал: | Остались непоняткой два вопроса,если смотреть на схему
1)куда там можно впихнуть преобразователь
2)каким образом запитан юсб порт 5в если батарея 3,7в |
Скорее всего, там другое назначение USB-порта..... Задача на следующую неделю
 |
|
|
георгий57
|
| Скорее всего, там другое назначение USB-порта..... например |
|
eduard2
Модератор
Сообщения: 4783
|
георгий57, Ты уже достал своей балалайкой | Цитата: | | Нет в нем приемника | потом дальше | Цитата: | | По этой маркировке вроде как приемник ФМ есть | Оказывается он там есть (Шоб таки да, так нет ... ) | Цитата: | | Остались непоняткой два вопроса,если смотреть на схему | Вот и у меня остались не понятки в отношение пиновки ног твоей микры?| Цитата: | | .Расписываю ноги.- вторая сидит на корпусе(видно по печатке),ни одна нога не связана с +батареи непосредственно,нет замкнутых ног между собой и корпусом. | Вот это всё что ты можешь сказать про пиновку данной микры я блин тебя предупреждал | Цитата: | ЗЫ- Будешь продолжать в том же духе ,я твой тему отправлю по назначению | И ты после этого ещё о чём то спрашиваешь - полная Жо...| Цитата: | | Скорее всего, там другое назначение USB-порта..... например | Вообще о чём идёт тут речь , о данной микре или о пиновки усб --порта ? тебе же roges положил инфу на эту миру и даже положил скрин с её вкл. - этого что не достаточно ,мало того в заголовки своей темы ты не осмелился написать кодировку данной микры и в каком она находится корпусе ,и в добавок положил в тему своё порно фото на котором не хрена не видно , это полное не уважение к ПРАВИЛАМ данного раздела и к участникам которые тебе помогали ( ты на всё это на срал ) ну и отравляйся со своим плеером в нужник, там и будешь сидеть и думать куда и что идёт
ЗЫ- Тема не о чём отправляется по назначению  |
|
|
георгий57
|
|
|
vovatlms1581
|
| Помогите опознать и по возможности даташит на контроллер MP 3 - 1807udz sop-16. |
|