ESpec - мир электроники для профессионалов


Помогите распознать деталь, DC-DC конвертер, SOT-23-6

  Список форумов » Даташиты

Следующая тема · Предыдущая тема
АвторСообщение
TechnicsKuzya 
Заглянувший
Сообщения: 2
 
Сообщение #1 От 04/02/2021 11:49 цитата  

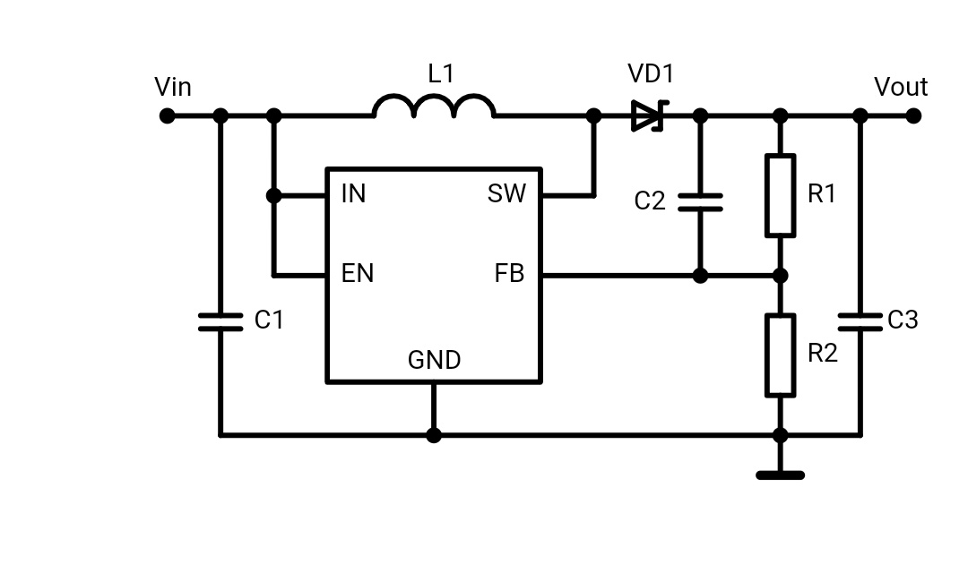
Добрый день, тонометр со светодиодным индикатором, сгорел преобразователь DC-DC, корпус SOT-23-6. Маркировка B99B ( в другом таком же тонометре B991). Преобразует входное напряжение (на рабочем измеренное +/-4.5В) в стабильные 5В которые поступают на управляющую микросхему TM1640. Никак не могу найти, что это за "зверь"...

P. S. Предварительно 1-SW, 2-GND, 3-FB, 4-EN, 5-IN, 6-не используется.







  Schematic.jpg  43.33 КБ  Скачано: 214 раз(а)
TechnicsKuzya 
Заглянувший
Сообщения: 2
 
Сообщение #2 От 04/02/2021 16:31 цитата  

Вопрос закрыт, после анализа схемы устройства, решено было установить MT3608, всё заработало. Судя по всему B9 китайский аналог.

Перейти: 
Следующая тема · Предыдущая тема
Показать/скрыть Ваши права в разделе

Интересное от ESpec


Другие темы раздела Даташиты



Rambler's Top100 Рейтинг@Mail.ru liveinternet.ru